我是靠谱客的博主 爱笑爆米花,这篇文章主要介绍基于Matlab/Simulink实现了以下功能,搭建了储能系统变换模型以及钒液流电池模型,仿真效果较好,系统充放电正常,现在分享给大家,希望可以做个参考。
基于Matlab/Simulink实现了以下功能,搭建了储能系统变换模型以及钒液流电池模型,仿真效果较好,系统充放电正常。
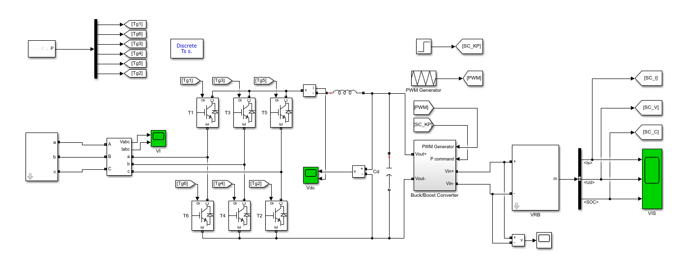
下图为系统模型图,电池输出电压电流以及SOC波形。
1.钒液流电池本体建模
2.储能变换器建模
3.双向DC变换
4.恒定功率控制
ID:88150668724555773
科研绝缘体


最后
以上就是爱笑爆米花最近收集整理的关于基于Matlab/Simulink实现了以下功能,搭建了储能系统变换模型以及钒液流电池模型,仿真效果较好,系统充放电正常的全部内容,更多相关基于Matlab/Simulink实现了以下功能内容请搜索靠谱客的其他文章。
本图文内容来源于网友提供,作为学习参考使用,或来自网络收集整理,版权属于原作者所有。
发表评论 取消回复