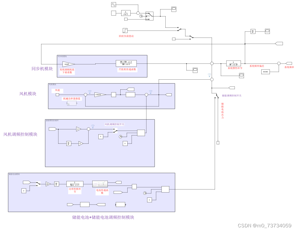
Matlab/Simulink风储系统调频模型,模型中有同步机、风机和储能,都是频域模型。
整个模型为频率响应模型,风机采用虚拟惯性控制,储能采用虚拟下垂控制,可实时观测SOC,有SOC对有功出力的修正。
负荷扰动类型为阶跃扰动和连续扰动,所有参数已经调好且可调

ID:98499670041197882
泡啊泡啊泡






最后
以上就是瘦瘦橘子最近收集整理的关于Matlab/Simulink风储系统调频模型,模型中有同步机、风机和储能,都是频域模型的全部内容,更多相关Matlab/Simulink风储系统调频模型内容请搜索靠谱客的其他文章。
本图文内容来源于网友提供,作为学习参考使用,或来自网络收集整理,版权属于原作者所有。
发表评论 取消回复