各种无线通信系统的发展, 如GSM、 WCDMA、TD - SCOMA、 WiMAX和Wi-Fi, 大大加速了半导体器件和射频功率放大器的研究进程。 射频功率放大器在无线通信系统中起着至关重要的作用, 它的设计好坏影响着整个系统的性能, 因此, 无线系统需要设计性能良好的放大器。 而且, 为了适应无线系统的快速发展, 产品开发的周期也是一个重要因素。 另外,在各种无线系统中由于不同调制类型和多载波信号的采用, 射频工程师为减小功率放大器的非线性失真, 尤其是设计无线基站应用的高功率放大器时面临着巨大的挑战。 采用EDA工 具软件进行电路设计可以掌握设计电路的性能, 进一步优化设计参数, 同时达到加速产品开发进程的目的。
功率放大器在整个无线通信系统中是非常重要的一环, 因为它的输出功率决定了通信距离的长短, 其效率决定了电池的消耗程度及使用时间。 这使得射频功率放大器电路设计的困难度增大, 故很多高功率放大器的相关设计均以国外公司为主。
目录
- 1功率放大器基础
- 1.1 功率放大器的种类
- 1.2 放大器的主要参数
- 1.3 负载牵引设计方法
- 1.4 PA设计的一般步骤
- 1.5 PA设计参数
- 2 直流扫描
- 2.1 DesignKit的安装
- 2.2 插入扫描模板
- 2.3 参数扫描设置
- 2.5 仿真并显示数据
- 3 稳定性分析
- 3.1 原理图的建立
- 3.2 稳定性分析
- 4 Load-Pull
- 4.1 插入 Load - Pull模板
- 4.2 确定Load-Pull的负载阻抗
- 5 Source-Pull
- 5.1 插入Source - Pull
- 5.2 确定Source - Pull的源阻抗
- 6 Smith圆图匹配
- 6.1 输出匹配电路的建立
- 6.2 输出匹配理想传输线转化微带线
- 6.3 输出匹配电路的生成
- 6.4 输入匹配电路的建立
- 6.5 输入匹配理想传输线转化微带线
- 6.6 输入匹配电路生成 symbol 模型
- 7 偏置的设计
- 8 原理图S参数仿真
- 9 原理图HB仿真
- 10 版图Layout
- 10.2 版图的布局
1功率放大器基础
1.1 功率放大器的种类
功率放大器根据其输入与输出信号间的大小比例关系可分为线性与非线性两种。 属于线性放大器的有 A类、 B类及AB类放大器;属千非线性的则有 C类、 D类、E类、 F 类等类型的放大器。 各类放大器的输出波形如下图所示, 以下就各类型的放大器做简单介绍。
(1)A类放大器是所有类型功率放大器中线性度最高的, 其功率元器件在输入信号的全部周期内均为导通, 即导通角为360° '但其效率却非常低, 在理想状态下效率仅达50%, 而在实际电路中则仍限制 在30%以下。
(2)B类功率放大器的功率元器件只在输入正弦波的半周期内导通, 即导通角仅为180°, 其效率在理想状态下可达到78%, 但在实际电路中所能达到的效率不会超过60%。
(3)AB类功率放大器的特性则介于A类与B类放大器之间, 其功率元器件偏压在远比正弦波信号峰值小的非零DC 电流, 因此导通角大于180°但远小于360°。 一般来说, 其效率介于30%~60%之间。
(4)C 类功率放大器的功率元器件的导通时段比半周期短, 即导通角小于180°。其输 出波形为周期性脉冲 (Pulse) , 必须并联 LC 滤波电路 (Band Passfilter) 后, 才可得到所 需要的正弦波 (Sine wave) 。 在理论上, C 类放大器的效率可达到100%, 但在实际电路中仅能达到60%。
(5)D类、E类功率放大器基本上都是所谓的开关模式放大器(SwitchingMode Amplifier) , 其原理是将功率元器件当成开关使用,并借助输出级的滤波及匹配网络使输出端得到完整的输出波形。
(6)F类功率放大器可算是C类功率放大器的延伸, 它们的偏置方式相似, 但F类放大器 在功率管输出端与负载间加入了谐波控制网络, 以此提高效率。 在理论上, 它们都可以达到100%的效率, 但在实际电路中仍受到开关切换时间等因素的控制而无法达到此理想值。
开始设计功率放大器电路前必须先考量其系统规格要求的重点, 再来选择其电路架构。 就以射频功率放大器而言, 有的系统需要高效率的功率放大器, 有的需要高功率且线性度佳 的功率放大器, 有的需要较宽的操作频带等,然而这些系统需求往往是相互抵触的。 如B类、C类、E类架构的功率放大器皆可达到比较高的效率, 但信号的失真却较为严重。 而A类放大器是所有放大器中线性度最高的, 但它最大的缺点是它的效率是最低的, 这些缺点虽然可用各种 Harmonic Termination 电路的设计技巧予以改进, 却仍无法提高到与高效率的功 率放大器相当的水平, 但是对系统也有不小的帮助, 因为A类功率放大器对于许多高线性度系统来说仍是非常好的选择。 所以, 具有高效率、 高线性度 及高功率的功率放大器自然成为电路设计者所努力的一个目标。

1.2 放大器的主要参数
(1)1dB功率压缩点(PowerOut at 1 dB Compression Point, 记为P1dB)
通信系统中输出功率单位通常都以dBm表示:
10
l
g
P
o
u
t
(
m
W
)
=
(
d
B
m
)
10lgP_{rm{out}}left(mWright)=left(dBmright)
10lgPout(mW)=(dBm)
当放大器的输入功率非常低时, 功率增益为常数, 放大器工作在线性区。 当输入功率增加时, 受到放大管非线性特性影响, 放大器功率增益逐渐被压缩, 限制了最大输出功率。 在此区域, 有线性 失真、 谐波和交互调变 (Inter - Modulation) 失真现象发生。 若继续增加输入功率, 则因放大管已工作在饱和区, 其输出功率几乎维持不变, 如下图所示。

通常以输出增益(
G
o
u
t
G_{rm{out}}
Gout)比线性增益小 1dB 的位置来定义放大器工作范围的上限, 这也就是 ldB 输出功率压缩点 (P1dB)。则P1dB 点所对应的输出功率值表示式为
P
1
d
B
(
d
B
m
)
−
P
i
n
(
d
B
m
)
=
G
o
u
t
(
d
B
)
−
1
P_{rm{1dB}}left(rm{dBm}right)-P_{rm{in}}left(rm{dBm}right)=G_{rm{out}}left(rm{dB}right)-1
P1dB(dBm)−Pin(dBm)=Gout(dB)−1
(2)功率增益
功率增益依线性与非线性特性通常可分为以下两种。
1)小信号增益(SmallSignal Gain) : 依照放大功率来放大输入功率的放大器是理想的放大器, 但事实上这是不可能做得出来的。一个真正的放大器会因其放大管的特性不同而有不同的饱和区, 从而会导致它在一个区段内的增益有所不同。
2)输出功率增益比 (Gain at Rated Power Out) : 不同的输出功率, 其增益也会有所不同。 故有些放大器会特别标出其在多少的输出功率时的增益是多少。
(3)效率
因为在输入功率转换成输出功率的过程中, 必定会有功率损耗的情形发生, 且效率与线性度 (Linearity) 往往都是互相抵触的, 因此在设计放大器电路时必须视系统要求而做适当的取舍。 以下为一般放大器效率的定义:
集电极效率:
η
c
=
P
o
u
t
P
D
C
=
P
o
u
t
U
D
C
×
I
D
C
{eta _{rm{c}}} = frac{{{P_{{rm{out}}}}}}{{{P_{{rm{DC}}}}}} = frac{{{P_{{rm{out}}}}}}{{{U_{{rm{DC}}}} times {I_{{rm{DC}}}}}}
ηc=PDCPout=UDC×IDCPout;
功率附加效率:
η
P
A
E
=
P
o
u
t
−
P
i
n
P
D
C
{eta _{{rm{PAE}}}} = frac{{{P_{{rm{out}}}} - {P_{{rm{in}}}}}}{{{P_{{rm{DC}}}}}}
ηPAE=PDCPout−Pin;
总效率:
η
T
=
P
o
u
t
P
D
C
+
P
i
n
{eta _{rm{T}}} = frac{{{P_{{rm{out}}}}}}{{{P_{{rm{DC}}}} + {P_{{rm{in}}}}}}
ηT=PDC+PinPout。
(4)失真
信号失真主要是由有源元件的非线性引起的。其失真主要为谐波失真(HarmonicDistortion) 、 AM to PM Conversion 、 互调失真 (Inter Modulation Distortion, IMD)。其解释分别如下。
1)调谐失真:当功率放大器输入单一频率信号时, 在输出端除了放大原信号外, 连原信号的各次谐波也被放大了,因此极可能干扰到其他频带,故在系统中均明确规定信号的谐波衰减量。
2) AM to PM Conversion : 当输入功率较大时,因S21包含振幅与相角,而相移量会随振幅增加而改变,则原本的AM调变会转而影响FM调变的变化。
3)互调失真:当放大器输入端输入两个频率分别为
f
c
+
f
m
f_c+f_m
fc+fm 、
f
c
−
f
m
f_c-f_m
fc−fm,则在放大器的输出端除了输入信号的各次谐波(谐波失真)外,还会出现因输入信号频率 间的和差(交互调变)所产生的互调失真信号,它对系统产生的伤害主要集中在载波频率
f
e
f_e
fe附近的三次、五次等奇数阶次的互调失真信号。互调失真信号因与载波频率
f
c
f_c
fc太过接近, 故难以利用滤波器将它消除,且又极易干扰相邻的频率。
通常电路都是以三阶互调失真来判断其线性度的。
如下图所示,可以看出三阶互调失真信号
2
f
1
−
f
2
2f_1-f_2
2f1−f2、
2
f
2
−
f
1
2f_2-f_1
2f2−f1极为接近主频率
f
1
f_1
f1与
f
2
f_2
f2,无法用滤波器加以滤除。此时,IMD3(三阶互调失真)为
Δ
=
P
f
1
−
P
2
f
2
−
f
1
Delta=P_{f_{1}}-P_{2f_2-f_1}
Δ=Pf1−P2f2−f1

如下图所示,三阶截断点(3rd- order Intercept Point, IP3)为基频信号功率和三阶互调失真信号功率的虚拟延长线的交点,其关系式为
P
I
P
3
(
d
B
m
)
=
P
1
d
B
(
d
B
m
)
+
10.6
d
B
=
P
f
1
(
d
B
m
)
+
1
2
Δ
P_{rm{IP3}}(rm{dBm})=P_{rm{1dB}}(rm{dBm})+10.6dB=P_{f_1}(rm{dBm})+frac{1}{2}Delta
PIP3(dBm)=P1dB(dBm)+10.6dB=Pf1(dBm)+21Δ

(5)邻信道功率比ACPR(Adjacent Cannel Power Ratio)
由于功率放大器的非线性效应影响,当信号通过功率放大器时会产生频谱"扩散“现象。 ACPR 的定义为:中心频率为
f
c
f_c
fc、频宽为
B
1
B_1
B1中的功率, 与距离中心频率为
f
0
f_0
f0、 频宽为
B
2
B_2
B2中的功率的比值, 如下图所示。

1.3 负载牵引设计方法
通常功率放大器的目的是以获得最大输出功率为主, 这将使得功率放大器的功放管工作在趋近饱和区, 其 S 参数会随着输入信号的改变而改变, 尤其 S21 参数会因输入信号的增加而变小。 因此, 转换功率增益将因功率元器件工作在饱和区而变小, 不再同于输出功率与输入信号成正比关系的小信号状态。 换句话说, 原本功率元器件在小信号工作状态下, 输入/输出端都是设计在共辄匹配的最佳情况下, 随着功率元器件进入非线性 区, 输入/输出端的共辄匹配就逐渐不再匹配。 此时, 功率元器件就无法得到最大的输出功率。 所以, 功率级放大器在设计时, 为使输出端达到最大功率输出, 其最主要的关键在于输出匹配网络, 这可以利用负载牵引 (Load-Pull) 原理找出功率放大器最大输出功率时的最佳外部负载阻抗ZL。
Load-Pull 是决定最佳负载阻抗值最精准的方法, 它用来模拟及测量功率管在大信号时的特性, 例如, 输出功率 (Output power) 、 传输功率增益 (Transducer power gain)、 附加功率效率 (Power added efficiency) , 以及双音交调信号分析 (Two-tone signal analysis) 的线性度IMD3、IP3。
功率放大器在大信号工作时, 功率管的最佳负载阻抗会随着输入信号功率的增加而跟着改变。 因此, 必须在史密斯图 (Smith chart) 上, 针对给定一个输入功率值绘制出在不同负载阻抗时的等输出功率曲线 (Power contours) , 帮助找出最大输出功率时的最佳负载阻抗, 这种方法称为负载系列 (Load-Pull) 。
可以利用负载牵引的观念, 通过高频电路设计辅助软件 Agilent ADS 来建构模拟平台。功率放大器设计的最主要目的就是得到最大的输出功率, 所以需要有良好的输入/输出阻抗 匹配网络。 输入阻抗匹配网络的主要目的是提供够高的增益, 而输出阻抗匹配网络则是要达到要求的输出功率。
1.4 PA设计的一般步骤
为了完成功放特性仿真,PA设计通常需要以下几个步骤。
(1) DesignKit的安装。
(2) 直流扫描。
(3) 稳定性分析。
(4) Load-Pull。
(5) Source-Pull 。
(6) Smith圆图匹配。
(7) 偏置设计。
(8) 原理图S 参数仿真。
(9) 原理图HB仿真。
(10) 原理图优化调谐。
(11) 版图Layout 。
1.5 PA设计参数
本例PA设计参数如下。
► 频率: 960MHz
► 输出功率: 40W
► 输入功率: 1W
► 效率: >40%
► 电源电压: 28V
根据设计要求, 本例选择了飞思卡尔的LDMOS功率管MRF8P9040N。
功率管MRF8P9040N的DataSheet可到 “http://cache. freescale. com/files/rf_if/ doc/ data_heet/MRF8P9040N. pd£? pspll =I” 下载。
飞思卡尔的ADS2011控件和MRF8P9040N的模型可到 “http ????/www. freescale. com/webapp/sps/site/overview. jsp? code= RF _HIGH_POWER_MODELS_AGILENT&tid = RF MDL ADS_rfpower” 下载。
功率管MRF8P9040N的主要指标如下。
► 频率: 700~ 1000MHz
► 电源电压: 28V
► 输出功率: 40W
► 增益: 19dB
2 直流扫描
2.1 DesignKit的安装
(1)新建工程 “MRF8P9040_wrk”, 将飞思卡尔官网下载的ADS模型,解压安装到"MRF8P9040_wrk"中,如下图所示。


2.2 插入扫描模板
(1)在工程 " M RF8 P9040 _ wrk "中, 新建原理图 BIAS, 执行菜单命令【 Insert 】一【 Template … 】 , 如下图所示。

(2)弹出 “Insert Template” 对话框, 选择 “ads_templates: FET _curve_tracer” 模板, 单击【OK】按钮。
(3)此时,光标处出现虚框,单击鼠标左键将虚框放到原理图中,并放入飞思卡尔模型与控件放入原理图中,如下图所示。

2.3 参数扫描设置
(1)双击参数扫描控件,弹出 " Parameter Sweep" 对话框, 修改参数,如下图所示, 单击【 OK】按钮。

(2)双击DC控件 弹出 “DC Operating Point Simulation” 对话框, 修改参数, 如下图所示, 单击【 OK】按钮。

(3)至此, 直流扫描电路模型设置完成, 完成后的原理图, 保存原理图。
2.5 仿真并显示数据
(1)单击工具栏中的仿真按钮图标或按下【F7】键开始仿真。
(2)仿真完成后, 如果没有错误, 会自动弹出数据显示窗口, 其中就有直流扫描的I-V曲线图标。执行菜单命令【 Maker】一【 New】, 可以把一个三角标志放在图上, 可以用键盘和鼠标控制它的位置,如下图所示。

(3)因为是 AB 类的功放, 所以选取
V
G
S
V_{rm{GS}}
VGS= 3. 2V, 静态工作电流
I
D
S
I_{rm{DS}}
IDS = 312mA, 和DstaSheet 中的数据相近。
下图所示为 DataSheet 给出的静态工作点。 可以看出, 本例仿真出的静态工作点和资料给出的静态工作点极为接近, 从而也验证了本例仿真的准确性。

(4)单击保存仿真数据文件
3 稳定性分析
3.1 原理图的建立
(1)执行菜单命令[ File】一[ New Design 】, 新建原理图文件, 命名为 “STABILITY”。
(2)插入 S 参数扫描模板, 执行菜单命令【 Insert 】 --【S_Template 】, 选择 “ads_templates: S_Params”。
(3)从元器件列表中的 “Freescale MRF8P9040N Level2 Rev2 Model” 元器件列表中调出
MRF8P9040N 和飞思卡尔识别控件, 从"Lumped - Components" 元器件列表中调出扼流电感 DC_Feed 和隔直电容 DC_Block, 从 “Sources -Freq Domain” 元器件列表中调出直流电压控件 V_DC, 从 “Simulation -S—Param” 元器件列表中调出测量稳定因子的控件 Stabfact ,用导线将各个元器件连接好, 如下图所示。

(4)双击S 参数扫描控件,在打开的对话框中设置扫描参数, 起始频率为 700MHz, 终止频率为 1000MHz, 步进为 10MHz, 设置完成后单击【 OK】按钮。
3.2 稳定性分析
单击仿真图标或者按【 F7 】键进行仿真,仿真完成后在数据显示窗口中单击国肛目标, 弹出 “Plot Traces & Attributes” 对话框,选择要显示的 StabFactl , 单击[ >>Add>> 】按钮, 然后单击【OK】按钮 。 此时会显示不同频率下的稳定因子, 如下图所示。
从上图可以看出在700~ 1000 MHz频率内StabFact1> 1 , 即稳定因子大于1,功率管在整个带内稳定。
备注:若出现StabFact< 1 , 即功率管在整个带内不稳定,此时需要采取稳定性措施。常见的稳定措施是在端口输入端增加一个有耗的元器件,
如在输入的隔直电容后再串联一个小电阻,或者是在靠近功率管的引脚处并联一个电容, 然后串联一个小电阻到地。此方法容易实现,而且稳定效果很好,
缺点是会降低增益, 在输入功率很大时不合适。
4 Load-Pull
4.1 插入 Load - Pull模板
(1)在原理图中执行菜单命令[ DesignGuide】一【Amplifier】, 展开"I -Tone Nonlinear Simulations" , 选择"Load - Pull - PAE, Output Power Contours" 模板, 然后单击【OK】按钮,下图所示。


(2)将系统自带的元器件模型删除, 加入MRF8P9040的模型及飞思卡尔控件, 如下图所示。

4.2 确定Load-Pull的负载阻抗
在DataSheet中, MRF8P9040的增益约为l9dB, 假设输出 40W (46dBm)是p1 dB, 那么, 输入功率约为46 -19 =27dBm, 为了找到更大的输出功率阻抗点, 选择28 ~ 29d8m作 为输入功率。
(1)双击 “Set these values” 中的 “Var Eqn” 控件, 设置参数如下图所示。

(2)双击Smith阻抗框中的 “VarEqn” 控件, 在DataSheel中看到MRF8P9040的输出阻抗比较小, 故将圆图归一化的阻抗设置为sn, 然后设置好圆心和半径进行负载牵引仿真, 寻找合适的阻抗点(输出功率大千40W, 效率大千60%), 这个过程需要反复修改圆心和半径。
备注:在仿真的过程中,如果仿真的区域设置过大, 会出现不收敛, 解决的办法是降低归一化阻抗(原来是50Ω), 并且把仿真的区域半径减小,这么做的目的都是让仿真的区域变小。
(3)在仿真的结果中,为了更好地观察圆图,将Pdel_step、PAE_step、NumPAE—lines、 NumPdel_lines设置为0.1、2、15、15。将 ml 点放在效率圆的圆心中, 将 m2 点放在功率圆的圆心中, 如下图所示。

(4)输出的功率接近47dBm(SOW), 效率为66.32%, 比较满足设计要求。一般在设计时, 为了输出更大的功率, 取功率圆圆心的阻抗来设计。 双击 m2 的图框, 弹出属性对话框, 选择 “Format”, 然后在右下角归一化阻抗 Zo 的下拉框中选择 " … other" 选项, 将其改为原理图中的归一化阻抗5Ω。
(5)m2的图框变为Load-Pull负载的阻抗点,如下图所示。也就是说,输出的阻抗约为2.885+j1.324Ω。

5 Source-Pull
5.1 插入Source - Pull
(1)在原理图中执行菜单命令【 DesignGuide】---->【Amplifier】, 展开"1 -Tone Nonlinear Simulations" , 选择 “Source - Pull - PAE, Output Power Contou.rs” 模板, 然后单击【OK】按钮, 如下图 所示。

(2)将系统自带的元器件模型删除, 加入MRF8P9040的模型及飞思卡尔控件,如下图所示。

5.2 确定Source - Pull的源阻抗
同样, 选择28 ~ 29dBm作为输入功率。
(1)双击 “Set these values” 中的 “Var·Eqn” 控件, 设置参数如下图所示。

(2)双击 Smith 阻抗框中的 “Var·Eqn” 控件, 在 DataSheel 中看到 MRF8P9040 的输入阻抗比较小, 故将圆图归一化的阻抗设置为 5Ω, 然后设置好圆心和半径进行源牵引仿真, 寻找合适的阻抗点。 这个过程需要反复修改圆心和半径。
备注:和Load-Pull一样,进行源牵引的区域不能太大,否则也会引起不收敛。由于输出匹配没有代入到源牵引中, 所以找到的源牵引数据只是大概值。 对于一般的功率管, 隔离度S12比较好(20dB以上),所以输出匹配不会影响输入的匹配,因此可以不管输出匹配而进行 Source -Pull 仿真。 当然, 如果把输出的匹配做好了, 然后一起代进 Source -Pull 也是可以的。

(3)在仿真的结果中,为了更好地观察圆图,将Pdel_step、PAE_step、NumPAE—lines、 N umPdel_lines设置为0.1、0.5、15、15。
将 ml 点放在效率圆的圆心中, 将m2点放在功率圆的圆心中, 结果如下图所示。

(4)输出的 功率只有45dBm, 效率也只有38%, 但是对于初期设计而言,源牵引只需找出大概的圆心即可。类似Load - Pull取功率圆圆心的阻抗来设计。双击m2的图框,弹出属性对话框,选择"Format", 在右下角归一化阻抗Zo的下拉框中选择" … other"选项, 然后将其改为原理图中的归一化阻抗5Ω。
(5)m2的图框变为Source-Pull真实的阻抗点,如下图所示。也就是说,输出阻抗大约是5.863-5.273Ω。

备注: DataSheet阻抗,将输出阻抗2.885+j1.324Ω和输出阻抗5.863-5.273Ω进行对比,在误差范围内,还是相对一致的。
6 Smith圆图匹配
6.1 输出匹配电路的建立
将son匹配到Zl的共辄: 2.885-j1.324Ω。
(1)新建原理图OUTMATCH, 在"Simulation - S—Param"面板中选取SP控件、Zin控件和端口Te而放入原理图中,在面板中选取"Smith Chart Matching"加入原理图中,用导线连接好, 如下图所示。

(2)双击 SP 控件, 设置好频率参数。 双击端口 Terml, 设置好阻抗点。如下图所示


(3)选中 “DA_SmithChartMatchl” 控件, 执行菜单命令【Tools】–>SmithChart …】。
(4)依次设置频率为0.96GHz, 选中归一化 “Normalize” 选项, 并将Zs• (注意, *代表Zs的共辄)设置为源端口Terml的共辄2.885 + j * 1.324Ω, 然后执行菜单命令[Circles】 一【Q… ], 设置Q值为1. 5’。
(5)从负载端开始匹配。
并联一个电容3.3pF;
串联一段微带, 特性阻抗为son, 电长度为25° j并联一个电容9pF;
串联一段微带,特性阻抗为son, 电长度为90 j 并联一个电容16pF;
串联一段微带,特性阻抗为80, 电长度为40°。
Smith圆图中的响应如下图示,从图中可以看出, 在匹配的过程中, 都是在Q=1.5的园内,没有超过圆外。保存文件为OUTMACH,单击[Build ADS Circuit】按钮生成 电路。

(6)在原理图中单击仿真,在仿真数据窗口中添加图表,选择"S(1, 1) ", 如下图所示。在弹出的S11图表中,选择左上角的Mark功能,选取在960MHz时的读数,如下图所示。

(7)返回原理图中,选中 “DA_SmithChaitMatch1”, 然后选中菜单栏中的⬇ 进入子菜单, 子电路如下图所示。

6.2 输出匹配理想传输线转化微带线
(1)执行菜单命令[ Tools] ----+【 LineCalc 】, 进入 LineCalc 界面。
(2)设这里选用罗杰斯R04350的板材,介电常数为3.66,介质厚度为0.762mm, 正切损耗角为0.02,依次将板材参数填入,如下图。

(3)将原理图中理想传输线的特性阻抗和电长度填入 zo和E_Eff中, 算出实际线宽W和长度L, 单位为mm。 例如, 80、电长度40°理想传输线的转化。
想传输线50Ω、电长度90对应W= 1. 62、L=4. 64;
理想传输线50Ω、电长度2乎对应W= l. 62、L= 12. 9。
如下图所示。


(4)将原理图中的理想传输线用实际微带线代替。在原理图中,选取面板"TLines-Microstrip"中的MSub和MLIN,添加到原理图中,双击MSub控件和MLIN模型,设置参数,如下图所示。
把理想传输线选中, 单击因图标, 使这些理想模型失效, 用导线连接微带模型, 从而代替理想模型.
(5)单击⬆,图标返回上级电路, 进行仿真, 仿真结果如下图所示。

6.3 输出匹配电路的生成
(1)原理图里面添加端口,其中负载端 50!1 对应 Pl, 源端 2. 885- j * 1. 324Ω 对应 P2,并且将 S 参数控件, 以及端口 Terml、 Term2 失效。
(2)返回 ADS 工程目录, 选中 “OUTMATCH”, 右击选中 “New Symbol” 选项。
(3)弹出"NewSymbol"对话框,单击【OK】按钮。
(4)在"SymbolGenerator"对话框中选中"Quad"和"Number"选项,单击【OK】按钮。
(5)ADS系统生成模型。
(6)由于输出端的匹配50Ω是接在右边的,为了方便后续的设计,所以把这个模型关于Y轴进行对称操作。 选中整个模型, 单击Q图标, 关于Y轴对称后的模型如下图所示。

(7)保存文件
6.4 输入匹配电路的建立
将 son 匹配到 Zs 的共扼: 5.863+5.273Ω。
(1)新建原理图 INMATCH, 在 “Simulation - S_P扣am” 面板中选取 SP 控件、 Zin 控件和端口 Term 放入原理图中, 在面板中选取 “Smith Chart Matching” 加入原理图中, 用导线连好。
(2)双击 SP 控件, 设置好频率参数。 双击端口 Terml, 设置好阻抗点。如下图所示


(3)选中 “DA_SrnithChartMatchl” 控件, 执行菜单命令【 Tools 】一【 Smith Chart…】
(4)依次设置频率为0. 96GHz, 选中归一化’'Normalize" 选项, 并将Zs• (注意, *代表 Zs的共辄)设置为源端口Terml的共辄5. 9 -j * 5. 30, 然后执行菜单命令【 Circles】一 【 Q… ], 设置Q 值为 1.5。
(5)从负载端开始匹配。
并联一个电容3.3pF;
串联一段微带, 特性阻抗为son, 电长度为30° ;
并联一个电容6pF;
串联一段微带, 特性阻抗为100, 电长度为26.5° 。
Smith 圆图中的响应如下图所示, 从图中可以看出, 在匹配的过程中, 都是在Q=1.5的圆内。没有超过圆外。 保存文件为INMATCH, 单击【Build ADS Circuit】按钮生成电路。

(6)在原理图中单击仿真, 在仿真数据窗口中添加图表, 选择 "S (1, 1) "。在弹出的 S11图表中 , 选择左上角的 Mark 功能, 选取在 960MHz 时的读数, 如下图所示。

(7)返回原理图中, 选中 “DA_Smjt hChartMatchl” , 然后选中菜单栏中的之,进入子菜单, 子电路如下图所示。

6.5 输入匹配理想传输线转化微带线
(1)执行菜单命令【Tools】一【LineCalc】,进入 LineCalc界面 。
(2)假设这里选用罗杰斯R04350的板材, 介电常数为3.66, 介质厚度为0. 762mm, 正切损耗角为0.02, 依次将板材参数填入。
(3)将原理图中理想传输线的特性阻抗和电长度填入 zo 和E_Eff中, 算出实际线宽W和长度L, 单位为mm。
理想传输线 50Ω、 电长度30°对应W= 1. 62、L = 15. 48;
理想传输线 10Ω、 电长度26.5°对应W= 13. 13、l = 12. 53。


(4)将原理图中的理想传输线 用实际微带线代替。 在原理图中, 选取面板 “TLines-Microstrip” 中的MSub和MLIN, 添加到原理图中, 双击MSub控件和MLIN模型, 设置参数。 参数设置完后把理想传输线选中, 单击团图标, 使这些理想模型失效, 用导线连接微带模型, 从而代替理想模型。
6.6 输入匹配电路生成 symbol 模型
(1)在原理图里面添加端口, 其中负载端 50Ω对应 Pl, 源端 5. 863 + j *5.273 对应 P2, 并且将 S 参数控件, 以及端口 Terml、 Term2 失效。
(2)返回 ADS 工程目录, 选中 “INMATCH”, 右击选中 “New Symbol” 选项。
(3)弹出" New Symbol" 对话框, 单击【 OK 】按钮。
(4)在 “Symbol Generator” 对话框中选中 “Quad” 和 “Number” 选项, 单击【OK 】按钮。
(5)ADS系统生成模型如下图, 保存文件。

7 偏置的设计
偏置的设计主要是利用到短路短截线的输入阻抗 Zin =ZO * tan (BL) 。 其中, zo 是微带特性阻抗, BL是电长度。 在此, 选取微带宽度为 1mm ( 输出的偏置主要考虑微带宽带可承受的电流)、 特性阻抗约为65. 6Ω的微带, 并且取窄带设计960MHz的1/4波长为47. 4mm。
为了节省 PCB 的空间, 选择添加一个弧形90°的拐角, 半径是2. 5mm。 那么, 3段微带的长度可以是33 +3. 14 * 2. 5/2 + 10 =46. 925mm。
(1)新建原理图BIAS_DESIGN, 加入 S 参数仿真控制器、 Zin 控件、 微带线板材参数控件 MSub、 MLIN 和 MCURVE 控件, 分别设置好参数, 然后在一 端添加一个对地耦合电容 DC_Block, 另一 端添加一个50Ω的端口Term, 如下图所示。

(2)运行仿真, 添加数字表格在对话框中选Zin,双击图 6-98 中的 “Zinl”, 在 “Trace Options” 对话框中的 “Complex Data Format” 选项选择 “Real/Imaginary” , 单击 [OK 】按钮, 在 960MHz 时的输入阻抗大约是 2. 245E3 + j * 2. 048E3如下图所示。

(3)返回原理图,让S参数仿真控制器和端口Term失效,在DC_Block电容上面添加 Pl端口,在端口Terml连接处添加P2端口。
(4)返回 ADS 工程目录, 选中 “BIAS_DESIGN” 后右击选择 “New Symbol” 选项。
(5)在"SymbolGenerator"对话框中选中"Quad"和"Number",单击[OK 】按钮, 生成模型, 如下图 所示。保存文件。

8 原理图S参数仿真
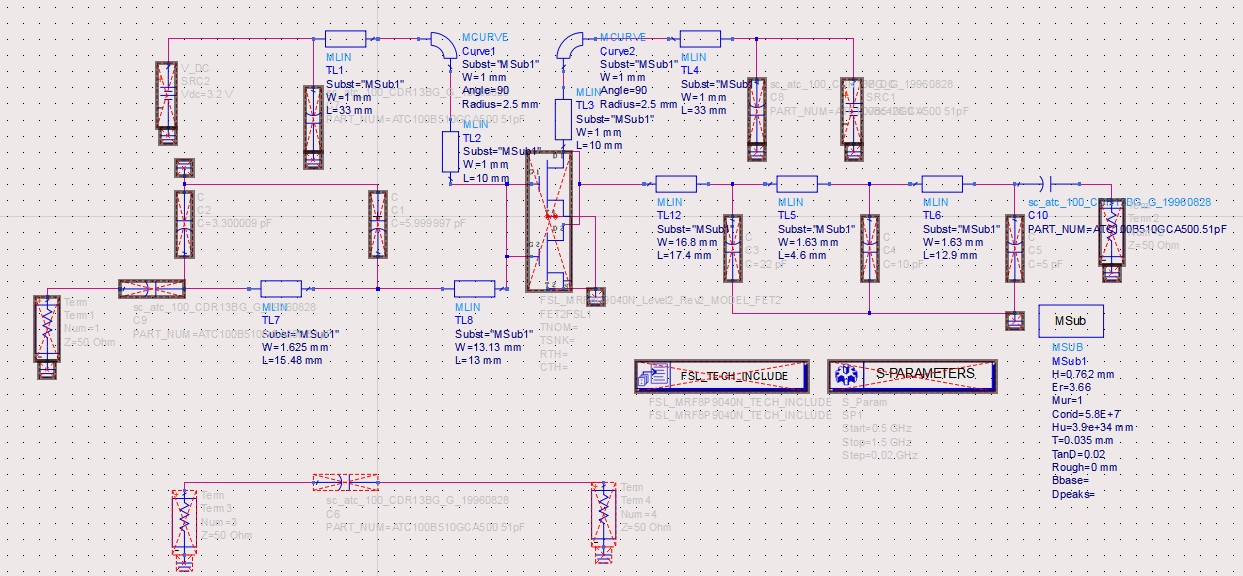
(1)新建原理图SCH1, 添加S 参数仿真控制器、 端口 Term 、 MRF8P9040 和飞思卡尔控件, 打开 ADS 库, 弹出 “Component Library” 对话框, 选择里面的 “Workspace L如aries” 选项, 将该选项里面的 “BIAS_DESIGN”、 “INMATCH”、 “OUTMATCH” 拖进原理图中。
(2)在面板中选择 “Sources - Freq Domain” 选项, 将 V_DC 加入原理图中,选择 “Lumped - Components” 选项, 添加 DCBlck 元器件。
(3)用导线将原理图连接起来, 如下图所示(注意INMATCH、 OUTMATCH的端口方向, 1 口都是对应 son’ BIAS_DESIGN I 口对应电源)。

(4)双击S参数仿真控制器, 设置频率参数, 如图6-110所示。 双击V_DC控件, 设置偏置电压为3. 2V, 漏极电压为28V。
(5)运行仿真。在仿真数据窗口图形显示拖到空白处,弹出"PlotTraces & Attributes" 对话框,选择 “S(2,l)”, 弹出" Complex Data" 对话框,选择 “dB”,单击【OK】按钮。
(6)单击左上角的 mark 图标标记在 960MHz 时的数据,添加S11 的曲线。
(7)单击保存文件。
通过上面的步骤,可以看出在 960MHz 的频率中,回波损耗 S11 有 -18dB, 已经比较好了,增益也有18.2dB。
(8)在原理图 SCHl 中添加 4 个端口, 然后让控件 V_DC 、端口 Term 、 S 参数仿真控制器失效。
(9)单击保存,回到主工程目录下,选中"SCHl",右击选择"NewSymbol"选项。
(10)在弹出的 “Symbol Generator” 对话框中选中 “Quad” 和 “Location” 选项,单击 【OK 】按钮, 生成模型, 如下图所示。 单击保存。

9 原理图HB仿真
(1)在 SCHl 原理图中,单击【 DesignGuide] -+ [ Amplifier] 。
(2)在弹出的 “Amp血er” 对话框中展开 “l -Tone Nonlinear Simulations”, 在子菜单中选择 “Spectrum , G印n, Harmonic Distortion vs. Power (w/PAE)”,。 ADS 系统自动新建谐波仿真模板。
(3)单击ADS库文件._,将SCHl的模型添加到原理图中,双击VARI控件设置频率、漏极电压和栅极电压。
(4)双击"HARMONICBALANCE"控件,设置好谐波次数(次数设为3)。
(5)双击扫描计划 “SWEEP PLAN” 控件,设置参数。
(6)将原理图中的隔直电容和扼流电感全部用失效。
(7)运行仿真。 在 HBl TonePAE_Pswp 数据窗口中, “Output Spectrum, dBm” 代表输出的频谱, 更改 m3 的输入功率大小, 可以见到谐波的变化。
“Transducer Power Gain, dB” 是输出的功率和增益曲线表, 在这个表中, 由 ml 、 m2 的位置可以找出输出的 ldB 压缩点。
“PAE” 曲线表是输出功率和效率的曲线, 添加 mark 点, 可以找出 PldB 下的效率。

从上面的表格中可以看出这个设计的输出 ldB 压缩点约为 46dBm (40W), 增益大概为 18dB, 效率约为 53%, 这些数据和 DataSheet 的数据接近。
10 版图Layout
(1)新建原理图 SCH2, 将 SCHl 中的原理图复制到 SCH2 中。
(2)将"JNMATCH"、“OUTMATCH”、两个"BIAS_DESIGN"中的子电路复制到主原理图中,去掉多余的端口、多余的S参数仿真控制器和多余的MSub控件等,然后用导线连接起来(注意匹配中500的方向,INMATCH匹配中的子电路需要旋转180°)。
(3)由于实际中电容存在寄生效应, 故在仿真的时候尽量也仿真进去, 将DC_Block理想电容替换为ATCJOOB系列电容, 打开ADS库????’ 在搜索栏中输入关键字sc_atc, 出现ATCJOOB系列电容, 单击拖到原理图中, 然后双击, 出现属性对话框, 更改为51pF。
备注:选51pF是因为ATCIOOB51pF电容正好谐振在960MHz,这时电容的电抗参数互相补偿,不会带入电抗参量。
(4)将所有的端口、电容及仿真控件全部失效,只留下微带,如下图所示。

执行菜单命令【Layout】一【Generate/UpdateLayout. … 】 。
弹出 “Generate/Update Layout” 对话框, 单击【OK】按钮。
10.2 版图的布局
布局的原则是把输入匹配和输出匹配分开, 并且把偏置电路放到微带靠近引脚的边缘。
(1)激活版图中的几种连接图标。
(2)输入匹配布局。 先把输入图形旋转90° : 区域选中所有的输入匹配, 单击 “Edit”,然后单击 “Rotate” 一次(每单击一次, 选中的图形旋转90°)。
(3)将偏置移动出去,并旋转90°。
(4)选中偏置电路,执行菜单命令【Edit】一【Move】一【MoveEdge】
(5)选择被移动基点:偏置电路右下角的点;选择移动后的基准点:微带的右上角的点,删掉版图间的连接线。
这样就完成了将偏置电路以右下角的点为基准移动到微带的右上角的过程。
(6)输出匹配的布局与输入匹配的布局类似。
(7)根据Datasheet提供的MRF8P9040尺寸标注,算出引脚尺寸。
引脚间隙尺寸: 2 * (e -bl/2) =2 * (2. 69 -4. 32/2) = l. 06mm 。
然后算出引脚加间隙的尺寸: 2 *bl+ 1. 06 =9. 7mm =381. 9mil (取整数)。 MRF8P9040 的输入引脚到输出引脚的间隙为 E, =9. 07mm, 为了防止加工精度的误差,取 E, =9. 5mm =374mi1 。
MRF8P9040 的长度为 D = 18. 29, 取 D = 18. 81nm =740. 2mil 。
(8) 选中版图的图层管理, 更改为封装层。
单击画矩形工具图标后, 执行菜单命令[ fosert】–+ [ Coordinate Entry …】。
输入坐标 “0, 0”, 单击[ Apply】按钮, 输入坐标 “374, 740. 2”, 单击【OK】按钮。
建立了MRF8P9040的封装(不包含引脚)
以封装的左边与右边的中点为基准, 移动封装, 连接输入/输出的匹配。
在 cond 层再建立一块高度为 381. 9mil 、 长度为1mil 的图形, 操作过程类似上面的创建。
把这个图形以左边中点为基准移动到输入匹配的右边中点连接。
复制一份刚刚的小矩形, 以右边的中点为基准和输出匹配的左边的中点连接。
最后的版图如下图所示。

(9)保存文件。 执行菜单命令【 File 】一【 Export], 弹出 “Export” 对话框其中, “File type” 设置为DXF/DWG, 文件路径根据需要修改, 本例不做改动。 单击【OK】按钮, 生成DXF文件。
最后
以上就是受伤樱桃最近收集整理的关于PA功率放大器的设计1功率放大器基础2 直流扫描3 稳定性分析4 Load-Pull5 Source-Pull6 Smith圆图匹配7 偏置的设计8 原理图S参数仿真9 原理图HB仿真10 版图Layout的全部内容,更多相关PA功率放大器的设计1功率放大器基础2内容请搜索靠谱客的其他文章。
发表评论 取消回复