本章主要介绍时序逻辑电路的工作原理 、 分析方法及设计方法 。
- 首先讲述时序逻辑电路的功能及结构特点 、 分析方法和步骤
- 然后具体介绍寄存器 、 计数器等各类时序逻辑电路的工作原理和使用方法
- 最后介绍时序逻辑电路的设计方法 。
本章重点是计数器的分析和设计
时序逻辑电路概述
- 1.定义
- 2. 时序逻辑电路的构成和结构特点
- 2.1 例子
- 3.时序逻辑电路的分类
- 3.1 触发动作特点
- 3.2 输出信号特点
- 4.时序逻辑电路的分析方法
- 4.1 同步时序逻辑电路的分析方法
- 4.1.1 步骤方法:
- 4.1.2 例子——穆尔型
- 三个方程
- 电路的各种状态图
- 4.1.3 例子——米利型
- 三个方程
- 各种状态图
1.定义
- 时序逻辑电路:在任意时刻的输出信号不仅取决于当时的输入信号,而且还取决于电路原来的状态
2. 时序逻辑电路的构成和结构特点
- 时序逻辑电路包含组合逻辑电路和存储电路两个部分
- 存储电路的输出状态必须反馈到组合电路的输入端,与输入信号一起,共同决定组合逻辑电路的输出
结构如下图所示
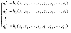
- 可以用三个方程组来描述



q
1
,
q
2
.
.
.
q_1,q_2...
q1,q2...是指触发器的现状,
q
1
∗
,
q
2
∗
.
.
.
q_1*,q_2*...
q1∗,q2∗...是指触发器的次态
2.1 例子
串行加法器电路如图所示,写出其输出方程、驱动方程和状态方程

输出方程:
s
i
=
a
i
⊕
b
i
⊕
C
i
−
1
=
a
i
⊕
b
i
⊕
Q
s_i=a_i oplus b_ioplus C_{i-1}=a_i oplus b_ioplus Q
si=ai⊕bi⊕Ci−1=ai⊕bi⊕Q
驱动方程:
D
=
C
i
=
a
i
b
i
+
C
i
−
1
(
a
i
⊕
b
i
)
=
a
i
b
i
+
Q
(
a
i
⊕
b
i
)
D=C_i=a_ib_i+C_{i-1}(a_ioplus b_i)=a_ib_i+Q(a_ioplus b_i)
D=Ci=aibi+Ci−1(ai⊕bi)=aibi+Q(ai⊕bi)
状态方程:
Q
∗
=
D
=
a
i
b
i
+
Q
(
a
i
⊕
b
i
)
Q*=D=a_ib_i+Q(a_ioplus b_i)
Q∗=D=aibi+Q(ai⊕bi)
3.时序逻辑电路的分类
3.1 触发动作特点
根据触发器动作特点可分为同步时序逻辑电路和异步时序逻辑电路:
①在同步时序逻辑电路中,存储电路中所有触发器的时钟使用统一的CLK,状态变化发生在同一时刻,即触发器在时钟脉冲的作用下同时翻转;
②而在异步时序逻辑电路中,触发器的翻转不是同时的,没有统一的CLK,触发器状态的变化有先有后
3.2 输出信号特点
根据输出信号的特点时序逻辑电路可分为米利(Mealy)型和穆尔(Moore)型:
①在米利型时序逻辑电路中,输出信号不仅取决于存储电路的状态,而且还取决于输入变量,即Y=F(X,Q)
②在穆尔型时序逻辑电路中,输出信号仅仅取决于存储电路的状态,故穆尔型电路只是米利型电路的特例而已,可表述为Y=F(Q)
4.时序逻辑电路的分析方法
4.1 同步时序逻辑电路的分析方法
- 时序逻辑电路的分析:就是给定时序电路,找出该电路的逻辑功能,即找出在输入和CLK作用下,电路的次态和输出。由于同步时序逻辑电路是在同一时钟作用下,故分析比较简单些,只要写出电路的驱动方程、输出方程和状态方程,根据状态方程得到电路的状态表或状态转换图,就可以得出电路的逻辑功能。
4.1.1 步骤方法:
① 从给定的逻辑电路图中写出每个触发器的驱动方程(也就是存储电路中每个触发器输入信号的逻辑函数式);
②把得到的驱动方程代入相应触发器的特性方程中,就可以得到每个触发器的状态方程,由这些状态方程得到整个时序逻辑电路的方程组;
③根据逻辑图写出电路的输出方程;
④写出整个电路的状态转换表、状态转换图和时序图;
⑤由状态转换表或状态转换图得出电路的逻辑功能
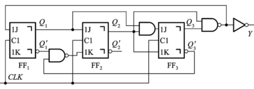
4.1.2 例子——穆尔型
分析图所示的时序逻辑电路的逻辑功能,写出它的驱动方程、状态方程和输出方程,写出电路的状态转换表,画出状态转换图和时序图

三个方程
解:
- 驱动方程:
J 1 = ( Q 2 Q 3 ) ′ , K 1 = 1 J_1=(Q_2Q_3)',K_1=1 J1=(Q2Q3)′,K1=1
J 2 = Q 1 , K 2 = ( Q 1 ′ Q 3 ′ ) ′ J_2=Q_1,K_2=(Q_1'Q_3')' J2=Q1,K2=(Q1′Q3′)′
J 3 = Q 1 Q 2 , K 3 = Q 2 J_3=Q_1Q_2,K_3=Q_2 J3=Q1Q2,K3=Q2 - 状态方程:
JK触发器的特性方程:
Q ∗ = J Q ′ + K ′ Q Q^*=JQ'+K'Q Q∗=JQ′+K′Q
将驱动方程代入状态方程:
Q 1 ∗ = ( Q 2 Q 3 ) ′ Q 1 ′ Q_1^*=(Q_2Q_3)'Q_1' Q1∗=(Q2Q3)′Q1′
Q 2 ∗ = Q 1 Q 2 ′ Q_2^*=Q_1Q_2' Q2∗=Q1Q2′
Q 3 ∗ = Q 1 Q 2 Q 3 ′ + Q 2 ′ Q 3 Q_3^*=Q_1Q_2Q_3'+Q_2'Q_3 Q3∗=Q1Q2Q3′+Q2′Q3 - 输出方程:
Y = Q 2 Q 3 Y=Q_2Q_3 Y=Q2Q3
逻辑电路的三个方程应该说已经清楚描述一个电路的逻辑功能,但却不能确定电路具体用途,因此需要在时钟信号作用下将电路所有的的状态转换全部列出,则电路的功能一目了然。
电路的各种状态图
-
描述时序逻辑电路所有状态的方法有状态转换表(状态转换真值表)、状态转换图、状态机流程图和时序图。下面结合上面的例题介绍这几种方法。
-
根据状态方程将所有的输入变量和电路初态的取值,代入电路的状态方程和输出方程,得到电路次态(新态)的输出值,列成表即为状态转换表,例子中的电路没有输入变量,属于穆尔型的时序逻辑电路,输出端只取决于电路的初态。
假设电路的初始状态 Q 3 Q 2 Q 1 = 000 Q_3Q_2Q_1=000 Q3Q2Q1=000,
则:由状态方程得到状态转换表:

而当电路的初始状态 Q 3 Q 2 Q 1 = 111 Q_3Q_2Q_1=111 Q3Q2Q1=111时,次态为000,输出为1
所以由状态转换表得知,这是一个七进制加法计数器
状态转换图如下所示

进而可以得出时序图:

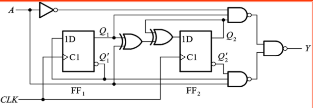
4.1.3 例子——米利型
分析图所示的时序逻辑电路的功能,写出电路的驱动
方程、状态方程和输出方程,画出电路的状态转换图

三个方程
驱动方程:
D
1
=
Q
1
′
D_1=Q_1'
D1=Q1′
D
2
=
A
⊕
Q
1
⊕
Q
2
D_2=Aoplus Q_1oplus Q_2
D2=A⊕Q1⊕Q2
状态方程:
Q
1
∗
=
D
1
=
Q
1
′
Q_1^*=D_1=Q_1'
Q1∗=D1=Q1′
Q
2
∗
=
D
2
=
A
⊕
Q
1
⊕
Q
2
Q_2^*=D_2=Aoplus Q_1oplus Q_2
Q2∗=D2=A⊕Q1⊕Q2
输出方程:
Y
=
(
(
A
′
Q
1
Q
2
)
′
(
A
Q
1
′
Q
2
′
)
′
)
′
=
A
′
Q
1
Q
2
+
A
Q
1
′
Q
2
′
Y=((A'Q_1Q_2)'(AQ_1'Q_2')')'=A'Q_1Q_2+AQ_1'Q_2'
Y=((A′Q1Q2)′(AQ1′Q2′)′)′=A′Q1Q2+AQ1′Q2′
各种状态图
最后
以上就是要减肥太阳最近收集整理的关于数电6_1——时序逻辑电路概述(很久整理的,没有下文)1.定义2. 时序逻辑电路的构成和结构特点3.时序逻辑电路的分类4.时序逻辑电路的分析方法的全部内容,更多相关数电6_1——时序逻辑电路概述(很久整理的,没有下文)1.定义2.内容请搜索靠谱客的其他文章。
发表评论 取消回复