文章目录
- 第一章 常用半导体器件
- 第二章 基本放大电路
- 第三章 模拟集成电路基础
- 第四章 负反馈放大电路
- 第五章 信号的运算与处理
- 六、波形的产生与信号转换电路
- 七、直流稳压电源
第一章 常用半导体器件
- 在本征半导体中加入三价元素可形成 P 型半导体。(五价磷元素形成N型)
当PN结加正向电压时,空间电荷区将(变窄)。 - PN结的单向导电性:在PN结两端加正向电压时,内电场被削弱,空间电荷区变窄,有利于多子扩散,不利于少子漂移,PN结处于导通状态;当在PN结两端加反向电压时,内电场增强,空间电荷区变宽,有利于少子漂移,不利于多子扩散,PN结处于反向截止状态。
- 当二极管外加正向电压增大时,其动态电阻增大。(×)
- 要使稳压管的稳压,其工作区为( 反向击穿区 )。
- 稳压管与普通二极管的区别:稳压二极管工作在反向击穿区,普通二极管主要工作在正向导通区。
- 晶体管的输出特性曲线可以分为截止区、放大区、饱和区,在模拟电子电路中,要实现放大,晶体管应工作在(放大)区。
- BJT的低频小信号模型是直流模型。(×)
- 在FET内部,多子与少子都参与导电。(×)PS:场效应管只有多子参与导电;三极管有多子和少子两种载流子参与导电,因少子浓度受温度、辐射等因素影响较大,所以场效应管比三极管的温度稳定性好、抗辐射能力强。
- 工作中JFET源极电流等于漏极电流,这一电流(穿过一对反偏的 PN结)。
- FET没有输入特性曲线:输入电阻极大,电流几乎为0,所以没有输入特性曲线。
- UGS=0V时,能够工作在恒流区的场效应管有(耗尽型NMOS、耗尽型PMOS)。
- 反映场效应管放大能力的一个重要参数是(跨导)。
第二章 基本放大电路
- 交流放大电路放大的主要对象是电压、电流的幅度。
- 双极性三极管组成的放大电路有共射、共集和共基三种组态。
- 判断一个放大电路能否工作在放大状态:
满足发射结正偏,集电结反偏
输入信号源的电压尽可能引起基极电流变化
集电极电流变化要转换为uce的变换,并尽可能地输出到负载 - 在NPN管组成的基本共射放大电路中,如果静态工作点设置过高,容易出现(饱和)失真。
- 在单级放大电路的中频段,若输入为正弦波形,用示波器观察共射放大电路电路的输入与输出波形时,则uo和ui相位(反相)。
- 在共射、共集和共基3种基本放大电路组态中,电压放大倍数小于1的是(共集)组态。
- 在共射、共集和共基3种基本放大电路组态中,(共基)组态放大电路,只能放大电压,但不能放大电流。
- 共集放大电路特点:又称射极输出器,电压跟随器。电压放大倍数略小于1,输入输出同相,输入电阻高,输出电阻低
- 共基放大电路特点:输出电压与输入电压同相,电压放大倍数与共射电路差不多,输入电阻小,输出电阻居中,可运用在更高电源电压下,高频特性优越。
- 共射放大电路特点:又称反相放大电路。电压增益大,输入输出反相,适用于低频和多级放大电路的中间级。
- 场效应管起放大作用时应工作在漏极特性的(恒流区 )。
- 场效应管工作在放大状态的静态条件:N结型场效应管工作在放大区的必要条件:GS两端的电压小于0,DS端电压大于0;P型则GS端电压大于0,DS端电压小于0。(个人理解:和三极管类似,发射结正偏,集电结反偏。)
- 栅极电阻RG作用:为栅偏压提供通路;泻放栅极积累电荷、
- 源极电阻RS作用:提供负栅偏压
- 漏极电阻RD作用:把Id的变化变为Uds的变化。
- 共漏放大电路也称为源极跟随器,主要是因为其电压放大倍数近似等于1,且输出电压与输入电压同相位。(和共集放大电路类似)
- 直接耦合多级放大电路只能放大直流信号。(×)
- 多级放大电路的耦合方式有哪些?各有什么特点?
1、 阻容耦合(用于交流信号的放大):直流工作点相互独立;交流信号损失少;电路温漂小;体积小,成本低。
但低频特性差,不能用于放大直流信号或缓慢变化的信号,不便于集成
2、变压器耦合(用于功率放大及调谐放大):只能变交流,前后级静态工作点互不影响;零点漂移小;阻抗变换,功率及调谐放大;
但高低频性能都变差,不能传送直流信号或缓慢变化的信号,体积大,成本高,不易集成
3、直接耦合(用于直流信号或者变化缓慢的信号的放大):第一级的静态工作点已接近饱和区(解决办法:加射级电阻,在第二级三极管的发射极加稳压管);级数受限(解决办法:利用NPN和PNP管进行电平移动) - 对放大电路而言,在中频区,电压放大倍数几乎不受频率变化的影响,在低频区和高频区,电压放大倍数随频率变化而(下降 )。
- 晶体管的混合π型不是晶体管的低频模型,而是用于全频段分析
混合π模型与h参数模型在低频时是等效的
第三章 模拟集成电路基础
- 集成放大电路采用直接耦合方式的原因是(不易制作大容量电容)。
- 通用型集成运放的输入级通常采用(差动放大)电路。
- 微电流源、比例电流源都是在( 镜像 )电流源的基础上改进得到的。
- 恒流源在集成电路中除作为偏置电路外,还可以作为放大电路的(有源)负载,以提高电压放大倍数。
- 镜像电流源:两管参数对称,工作在临界饱和状态
- 晶体管电流源:输出电流比较稳定,电路性能不随温度、电源电压变化而变化;工作在恒流段时,直流电阻不大,但有较大的交流等效电阻。可做偏置和有源负载。
- 差模输入信号是两个输入端信号的(差);共模输入信号是两个输入信号的(平均值)。
- 差模信号指两个输入端加上大小相等,极性相反的信号;共模信号是指两个输入端加上大小相等,极性相同的信号。(注意和上一条区分)
- 任意信号=一对差模信号+一对共模信号
- 差动放大电路的“尾巴”越长,对温漂的抑制效果越好:长尾电阻越大,差放电路抑制共模信号的能力越强,从而对温漂的抑制效果越好。(凡是能抑制共模信号的电路,都能抑制温漂)
- 差动放大电路特征:参数对称、长尾
- 差动放大电路主要利用电路的(对称 )性来抑制零漂。
- 在电阻长尾差动放大电路中,适当地增大射极公共电阻RE将会提高电路的(共摸抑制比)。
- 单端输入差动放大电路,输入信号的极性与异侧三极管集电极信号的极性(相同)。
差动放大电路用恒流源代替射极公共电阻RE的目的是提高(共模性能抑制比)。(PS:从而抑制温漂) - 如果功率放大电路中晶体管导通角大于180°,而小于360°,则管子工作在( 甲乙 )类放大状态。
- 在OCL乙类功放电路中,若最大输出功率为1W,则电路中功放管单管的集电极最大功耗约为(0.2w)。(OCL电路每只管子最大功耗0.2Pom,最大管耗并不在最大不失真电压输出时刻和最大不失真功率输出时刻)
- 功放电路按照(功放管的导通角)分为:甲类功放(导通角为360°,三极管较大静态功率损耗,效率低,)、乙类功放(导通角180°,静态功耗为0,能量转换效率高,输出失真大)、甲乙类功放(180°~360°之间,静态功耗较小,效率较高,失真较大)
- 功率BJT 常处于甲乙类工作状态而不处于乙类状态,这是因甲乙类放大电路(既能够克服交越失真,还有较高的效率)。三极管存在死区电压,输入信号幅度越小,失真越明显
消除交越失真的办法:二极管提供偏压、UBE倍增电路提供偏压 - 两只场效应管不能直接组成复合管。
- 复合管的放大倍数更大,功率大且易于集成。复合原则:(1)电流流向要一致。 (2)各极电压必须保证所有管子工作在放大区,保证发射结正偏,集电结反偏。
- 一般而言,集成运放的共模性能抑制比越大越好。
- 场效应管不能构成复合管,由于场效应管是电压放大型器件,能放大电压不能放大电流,且场效应的栅极几乎不能取电流,不可以作为复合管第一级。
- 运放的内部电路组成:
(1)输入级:共集-共基组合式差动放大电路,以减小温漂,提高共模抑制比;
(2)中间级:采用有源负载的复合管共射放大电路,提供足够大的电压放大倍数;
(3)输出级:采用准互补对称OCL功率放大电路,向负载提供足够的输出功率;
(4)偏置电路:采用电流源,向各放大级提供合适的偏置电流。
- 运放特点:输入电阻高、输出电阻低
第四章 负反馈放大电路
- 对于放大电路,所谓闭环是指(输出与输入之间有反馈通路)。
- 在输入量不变的情况下,若引入反馈后(净输入量增大),则说明引入的反馈是正反馈。
- 反馈深度是指负反馈的增益Af=A/(1+AF),其中(1+AF)为开环放大倍数与闭环放大倍数之比,反映了反馈对放大电路的影响程度,被称为反馈深度,A是开环放大倍数,F是反馈系数
- 深度负反馈采用闭环增益近似为反馈系数的倒数,也就是输入量接近反馈量,即1+AF远大于1,Af≈1/F。
- 一般反馈网络是由无源器件构成,其稳定性优于有源器件,因此,深度负反馈时的放大倍数比较稳定。
- Af<A,引入的是负反馈,Af > A,引入的是正反馈
- 直流负反馈在电路中的主要作用是(稳定静态工作点)。
- 引入交流负反馈的目的是(改善放大电路的动态性能)
- 负反馈有哪些组态?应该如何判断?输出短路法
电压串联负反馈,电压并联负反馈,电流串联负反馈和电流并联负反馈。
判断电流电压:使输出电阻RL两端电压为0,若反馈仍存在为电压负反馈,反之为电流负反馈
判断串联并联:反馈信号与输入信号以电压相加减的形式出现在输入端为串联反馈(一般接到放大器的两个不同输入端);反馈信号与输入信号以电流相加减的形式出现在输入端为*并联反馈(一般接到放大器的同一输入端)
正负判别(瞬时极性法):断开反馈支路,输入信号与反馈信号从同一输入端进入放大器
若瞬时极性相同为正反馈,相反为负反馈;输入信号与反馈信号从不同输入端进入放大器,若瞬时极性相同为负反馈,相反为正反馈。
三极管放大电路的瞬时极性

运放分析

- 实现电压-电流转换,应该引入(电流串联)负反馈。
- 要稳定输出电压,必须引电压负反馈。
- 电压串联负反馈:电压放大
- 电压并联负反馈:电流转换成电压
- 电流串联负反馈:电压转换成电流
- 电流并联负反馈:电流放大。
- 深度负反馈的放大倍数分析:虚短虚断
- 要实现输入电阻高、输出电压稳定,应该引入(电压串联)负反馈。
- 负反馈对放大电路性能的影响:
1、提高闭环放大倍数的稳定性:牺牲放大倍数
2、改善输入电阻和输出电阻:串联负反馈增大输入电阻,减轻输入电压源负担;并联负反馈减小了输入电阻,减轻输入电流源负担;电压负反馈减小输出电阻,稳定输出电压;电流负反馈增大输出电阻,稳定输出电流。
3、展宽通频带
4、减少非线性失真和抑制环内干扰,对外来噪声无能为力
- 多级放大电路中,反馈过深,可能带来自激振荡(三级或三级以上)
- 消除自激振荡的出发点:破坏幅值平衡条件或破坏相位平衡条件。最常的方法是频率补偿法。
第五章 信号的运算与处理
- 为了使运放工作于线性状态,应(引入深度负反馈)。
- 要实现Au= -50,应选用(反相)比例运算电路。
- 对于基本积分电路,当其输入为方波时,其输出电压波形为(三角波)。
- 由运放组成的对数和反对数运算电路,下列说法正确的是( A)。
A.都属于线性运算电路
B.都属于非线性运算电路
C.都处于正反馈工作状态
D.都处于是开环工作状态
- 有源低通滤波电路的通带放大倍数可以大于1。
- 带通滤波电路可以由(低通滤波电路和高通滤波电路串联)组成。
- 理想运放工作在线性区的条件:电路中有负反馈;理想运放工作在非线性区的条件:运放处于开环或正反馈。
- 为什么反相比例的输入电阻不高?
利用放大器的虚短路原理,可以列出电路方程。
我们设输入端电压u1接的输入电阻是r1,输出端电压u0反馈回来,接到r1的电阻是r2,那么u0=-u1r2/r1从这个式子可以看到要想|u0|很大,那么r1必须很小。所以反向比例运算电路输入电阻很小,是为了能有很大的输出电压*。
- 反相求和与同相求和电路各有什么优缺点?
反相求和电路
同相求和电路
除输出极性不同之外,反向求和电路基本没有共模输入,输出精度高;
但是同向求和电路有共模输入,输出精度必然受共模输入影响;
所以,同样运放,同向求和电路输出精度低于反向求和电路。
同时在运放电路中,同相求和电路的输入阻抗高,对前面电路的影响小。
- 积分电路

- 微分电路

- 基本对数运算电路

缺点:
(1)只有当ui>0时,电路才能正常工作;
(2)运算精度受温度影响;
(3)小信号时运算误差大。
改进:
减小Is对运算关系的影响,比如采用集成对数运算电路。
- 指数运算电路

注意:由运放组成的对数和反对数运算电路*都属于线性运算电路 *。 - 有源RC滤波器:如果只用无源器件,如R、L、C组成滤波器,称为无源滤波器;在无源滤波的基础上,如果加入有源器件,如集成运放,并引入深度负反馈就可以构成有源滤波器。
有 源 RC 滤 波 的 优 点 :
( 1 )它 不 使 用 电 感 元 件 , 故 体 积 小 , 重 量 轻 , 也 不 必 屏 蔽 。
( 2 ) 有 源 滤 波 电 路 可 以 引 入 电 压 串 联 深 度 负 反 馈 , 输 入 阻 抗 高 , 输 出 阻 抗 低 , 输 入 与 输 出 之 间 具 有 良 好 的 隔 离 。 只 要 将 几 个 低 阶 RC 滤 波 网 络 串 联 起 来 , 就 可 得 到 高 阶 滤 波 电 路 。
( 3 ) 除 了 滤 波 作 用 外 , 还 可 以 放 大 信 号 , 而 且 , 在 调 节 电 压 放 大 倍 数 时 , 不 会 影 响 滤 波 特 性 。
有 源 RC 滤 波 的** 缺 点 **:
( 1 )不 宜 用 于 高 频 范 围 ,
( 2 )也 不 适 合 在 高 压 或 大 电 流 条 件 下 应 用 。
- 有源BPF与有源BEF各是怎样构成的?
BPF高通低通滤波串联,BEF高通低通滤波器并联
六、波形的产生与信号转换电路
- 波形产生与信号转换

- 正弦波振荡电路的起振与振荡平衡条件:
2. 正弦波振荡电路的组成:
(1)放大电路Au;
(2)正反馈网络Fu;
(3)选频率网络——实现单一频率的振荡;
(4)稳幅环节——使振荡稳定、波形好。
(1)、(2)需要满足振荡条件。
- 正弦波振荡电路的分类:
(1)RC振荡器(1kHz~数百kHz、输出功率小)
(2)LC振荡器(几百kHz以上、输出功率大)
(3)石英晶体振荡器(频率稳定度高)
- 正弦波振荡电路是如何起振与振荡平衡的?
T(jω)>1,为正弦波振荡器自激振荡的起振条件。
振荡的起振条件与平衡条件相应的,振荡器的起振条件又可细分为起振的振幅条件(|T(jω)|>1)和相位条件(ψ(T)=ψ(K)+ψ(F)+ψ(F’)=±2nπ, n=0,1,2…),其中起振的相位条件即为正反馈条件。
- RC振荡电路

- RC正弦波振荡电路的稳幅措施有哪些?各是如何进行的?
稳幅的基本原理就是把信号放大,要足够大,再通过限幅方式保证输出幅度一致,如果限幅后的信号不满足要求,则再通过信号调理电路来输出满足要求的等幅信号即可。
用双向稳压二极管稳幅是最简单的方式。
- LC正弦波振荡电路的分类:变压器反馈式、电感三点式、电容三点式。
- 在LC并联网中,当信号频率等于谐振频率时,电路呈( 电阻性 )。
- 制作频率为2 MHz~20MHz的接收机的本机振荡器,应选用( LC )振荡电路。
- 石英振荡器 :

- 电压比较器:用来比较输入信号与参考电压的大小。在电压比较器中,运放工作在开环状态或引入正反馈,属于集成运放的非线性应用。
- 电压比较器的分类:
(1)基本比较器(开环):
a. 单限比较器(单门限):当ui单方向变化时,uo只跳变一次
b. 窗口比较器(双门限):存在两个阈值电压,一般用于鉴别输入电压值是否在某一确定的范围。
(2)滞回比较器(施密特触发器)闭环。正反馈电路
a. 反相型滞回比较器
b. 同相型滞回比较器
- 滞 回 比 较 器 输 出 状 态 何 时 翻 转 ?
输 入 增 加 时 , 遇 到 高 阈 值 电 压 翻 转 !
输 入 减 小 时 , 遇 到 低 阈 值 电 压 翻 转 !
- 单 限 比 较 器 与 滞 回 比 较 器 的 抗 干 扰 能 力 比 较 :
单 限 比 较 器:抗 干扰 能 力 差 !
滞 回 比 较 器:抗 干扰 能 力 强。
- 方波产生电路的电路结构:

- 为了改变输出方波的占空比,应改变电容器C的充电和放电时间常数。
- 要将正弦波变换成方波,应选用( 比较器 )电路。
- 三角波的获取方法:方波–>积分电路–>三角波

- 锯齿波:当 积 分 电 路 充 、 放 电 回 路 不 同 , 也 即 充 、 放 电 时 间 常 数 不 同
时 , 产 生 锯 齿 波 。 - 信号转换的要点:
(1)电 信 号 有 电 压 信 号 、 电 流 信 号 、 交 流 信 号 、 直 流 信 号 、 频 率 信 号 、 相 位 信 号 等 多 种 形 态 。
(2)信 号 转 换 : 是 指 信 号 的 形 态 转 换 , 转 换 后 的 信 号 与 转 换 前 的 信 号 有 确 定 的 关 系 , ==与 所 接 输 出 负 载 无 关 ! ==对 应 的 电 路 称 为 信 号 转 换 电 路 。
(3)为 了 增 加 传 送 距 离 , 减 少 传 送 干扰 , 先 将 电 压 信 号 转 换 成 电流 信 号 再 传 送 !
(4)==为 了 增 加 有 线 信 号 或 无 线 信 号 的 传 输 距 离 ==, 常 将 电 压 信 号 转 换 成 电 流 信 号 或 频 率 信 号 。
- 电压-电流转换电路(为 了 增 加 传 送 距 离 , 减 少 传 送 干扰):应该由运放构成电流串联负反馈电路来实现。
串 联 负 反 馈 可 以 增 大 放 大 电 路 的 输 入 电 阻 , 从 而 减 小 输 入 电 压 源
的 负 担 ;
电 流 负 反 馈 增 大 放 大 电 路 的 输 出 电 阻 , 从 而 增 加 放 大 电 路 作 为 电
流 源 的 负 载 驱 动 能 力 。
- 电流-电压转换电路(将电流信号传送到目的地后,再转换为电压信号):应该由运放构成电压并联负反馈电路来实现。
并 联 负 反 馈 减 小 放 大 电 路 输 入 电 阻 , 从 而 减 小 输 入 电 流 源 的 负 担 ;
电 压 负 反 馈 减 小 放 大 电 路 的 输 出 电 阻 , 从 而 增 加 放 大 电 路 作 为 电 压 源 的
负 载 驱 动 能 力 。
七、直流稳压电源
- 主要内容

- 直流稳压电源的组成:变压、整流、滤波、稳压。
- 变压:将工频交流电网电压变换成合适的交流电压。
- 整流:利用二极管的单向导电性,将交流电压转变为脉动的直流电压。
整流电路的分类:
(1)单相半波整流电路
整流输出电压平均值:Uo(AV)=0.9U2
二极管平均电流:ID=0.45U2/RL
二极管最大反向压:Udrm=sqrt(2)U2
(2)单相全波整流电路
整流输出电压平均值:Uo(AV)=0.9U2
二极管平均电流:ID=0.45U2/RL
二极管最大反向压:Udrm=2sqrt(2)U2
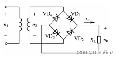
(3)单相桥式全波整流电路
整流输出电压平均值:Uo(AV)=0.9U2
二极管平均电流:ID=0.45*U2/RL
二极管最大反向压:Udrm=sqrt(2)*U2
- 滤波:采用对频率比较敏感的电感或电容元件,将脉动直流电压变换为平滑的直流电压。
滤 波 原 理 : 滤 波 电 路 利 用 储 能 元 件 电 容 两 端 的 电 压 ( 或 通 过 电 感 中 的 电 流 ) 不 能 突 变 的 特 性 , 滤 掉 整 流 电 路 输 出 电 压 中 的 交 流 成 份 , 保 留 其 直 流 成 份 , 达 到 平 滑 输 出 电 压 波 形 的 目 的 。
方法:电容滤波(Uo(av)=1.2U2)、电感滤波、复式滤波。
单相直流稳压电路中,变压器二次侧电压的有效值为20V,桥式全波整流电容滤波输出电压的平均值为( 24 )V。
-
稳压:采用稳压管二极管或三极管组成稳压电路,将不稳定的直流电压变换为不随交流电源电压波动和负载电流变化而变动的稳定直流电压。
-
直流电源是一种将正弦信号转换为直流信号的波形变换电路。(×),因为直流电源,是维持电路中形成稳恒电流的装置。
最后
以上就是包容乌龟最近收集整理的关于模电基础知识点小结第一章 常用半导体器件第二章 基本放大电路第三章 模拟集成电路基础第四章 负反馈放大电路第五章 信号的运算与处理六、波形的产生与信号转换电路七、直流稳压电源的全部内容,更多相关模电基础知识点小结第一章内容请搜索靠谱客的其他文章。



2. 正弦波振荡电路的组成:






发表评论 取消回复