我是靠谱客的博主 魁梧鲜花,这篇文章主要介绍二进制和电路图,现在分享给大家,希望可以做个参考。

本篇笔记理解需要的内容:二进制的基本知识,如何用0,1表示二进制的正负,二进制的加减法等等。逻辑运算与或非;了解电路中的串联,并联,电阻等概念。
 

1.晶体管如何控制逻辑运算:

and:类似于电路中的串联,用两个晶体管串联在一起,可以实现“与”的功能。
or:类似于电路中的并联,这样其中一个通路,就可以实现通路。即和‘或’的概念一致。
not: 类似短路和电阻的设计,图中的表就像开关,该支路是没有电阻的,都是输出是在有resistor的一端。如果开关闭合,即输入是1,则电阻端短路,不通过‘电流’,输出为0;如果输出为0,则开关断开,虽然有电阻,但是也会通过,输出为1。就实现了‘非’的功能。
总的来说,上面这些图的开关就是晶体管。实现一个‘与’‘或’的功能要两个晶体管。实现一个‘非’的功能要一个晶体管。
 

2.设计比较电路

上面我们知道了晶体管,那么实际过程中,计算机都是通过将代码转换为机器可以执行的二进制码,然后机器就允许这些二进制码就行了。那么我们电脑的电路也是只要设计可以执行二进制码的电路。我们来简单看一下几个简单的电路。
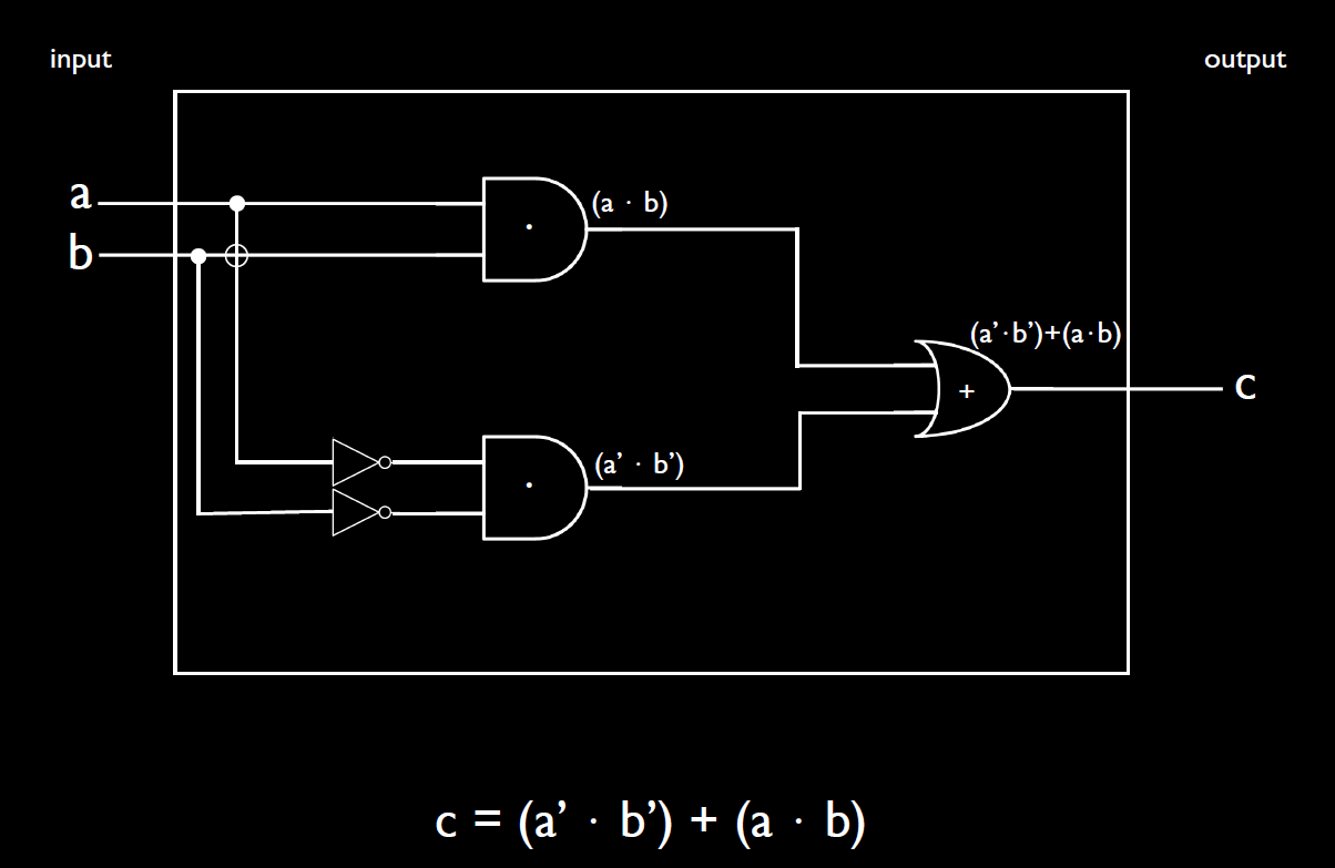
假设我们要实现一个比较两个1位数的二进制码(最简单的开始),那么我们先画个表格:
a,b束输入的,电路要实现的输出是c.只要把输出是1的内容,通过一个表达式表达出来。(注意这里只能用and和not来写表达式,后面你就知道为什么)。这里的表达式如下图所示。“'”表示非,"."表示和,“+”表示或。
因为有很多个输出为1的需要用or来联系在一起。所以我们先用and和not就不会乱。看表达式,根据表达式我们可以画出电路图了。
看这个电路图,是不是实现了确认两个1位二进制码的是否相同的功能。
这里总共用了 2*2(and)+1*2(or)+2*1(not)=8个晶体管
 
根据这个例子,我们可以总结出从功能设计到画电路图总共有以下步骤:
1.建立起对于输入所有的值,输出为1的表格
2.用and和not写出输出全部为1表达式(sub-expression)
3.用or将所有表达式串在一起(expression)
4.根据表达式画电路图。
 
我们再进阶,如果要比较两个4位二进制的数字是否相同?那么输入应该是8个数字,a1a2a3a4=b1b2b3b4?
首先我们将比较1位的当作一个小模块“1-CE(1-bit compare for equality)”
 
只要把小模块“1-CE”组合就可以变成"4-CE"(4-bits compare for equality),如下图所示。
 
这里总共用了4*8(4个模块)+3*2=38个晶体管
 
好讲到这里,我们以及实现了代码里面的比较两个数值/字符/其他基本元素的大小(因为这些东西都可以化成二进制码)。那么如何实现加法这种功能?

3.加法电路

首先讨论一下二进制中的加减法,我们知道(不知道的话自己回去复习)二进制中的加减法需要额外的一位来表示进位。
我们先来实现以下1位数字的加法(1-bit Adder)
 
图中的carry就是进位。同样的我们先把sub-expression表达出来,但是这里要表达两次,因为有进位。
   
再用or的方法加起来。得到如下表达式:
d = (a'⋅b'⋅c) + (a'⋅b⋅c') + (a⋅b'⋅c') + (a⋅b⋅c)
e = (a'⋅b⋅c) + (a⋅b'⋅c) + (a⋅b⋅c') + (a⋅b⋅c)
根据表达式画出图,如下所示:
 
这里总共用了16*2(and)+6*2(or)+3*1(not)=47个晶体管
我们继续进一步,如果要画4位数的加法的电路图呢?和上面的方法一样,我们先将1-bit adder简化为一个模块
然后把模块组合就可以实现4-bits加法。其中上面的0是上一位的进位数,是设置为0的,最下面的进位如果有更多的位数是传给下个进位数的,这里没有了就悬空不管。
 
 
对于32bits adder则需要输入64个数字,总共需要的晶体管为47*32=1504个晶体管。
 
part3.简化电路图
一般来讲我们得到1bit adder的表格如下图所示:
 
 
换一种方法画他:
 
就是将两个数分开,表格上的束表示输出的值。这样画我们会发现有连续几个数都是1的位置。说明这个位置的数是和其中一个或两个对应输入是无关的,就可以简化表达式。(这个方法不熟悉可以去了解一下数电里面的内容)
表达式简化我们就可以根据简化表达式会出简化的电路。读者读到这里可以自己画一下这个电路,和前面的比较一下晶体管数是否更少了!
 
参考:
https://cs61a.org/
 

最后

以上就是魁梧鲜花最近收集整理的关于二进制和电路图的全部内容,更多相关二进制和电路图内容请搜索靠谱客的其他文章。

本图文内容来源于网友提供,作为学习参考使用,或来自网络收集整理,版权属于原作者所有。
点赞(211)

评论列表共有 0 条评论

立即
投稿
返回
顶部