1、clock gating check的条件
一个非buffer/inverter的组合逻辑单元可以由gating控制信号控制其clock信号传递的时候,在STA时序分析时会将其作为clock gating cell(如下图),并做clock gating check。

所以clock gating check的前提条件是:
1)Gating cell的Gating pin所连接的Gating信号不能是clock信号。
2)Gating cell的输出作为clock信号的下游,可以接flip flop的clock pin,可以接output port,也可以作为generate clock的source pin。
2、clock gating check的类型
常见的gaing cell的组合逻辑部分为and门或者or门。也对应两种clock gating check的类型:
1)高电平有效(Active-high)的clock gating check,通常结构为and/nand。
2)低电平有效(Active-low)的clock gating check,通常结构为or/nor。
其中Active-high和Active-low指的是gating信号的状态,如果一个gating cell的功能过与复杂,例如mux或者xor,STA分析可能无法识别gating cell,自然无法做clock gating check,这个时候用户可以自行使用set_clock_gating_check去指定gating cell的gating关系。
2.1 Active-High Clock Gating
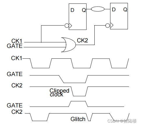
多出现在gating cell为and或nand的情况下,gating信号为高电平有效,gating信号为低电平时,门控关闭,为了保证gating cell输出不产生毛刺(glitch)或者削切(clipped)时钟波形,需要让clock信号为低电平时gating信号发生变化,如下图。

举例来说,UDFF0为上升沿触发的寄存器,UAND0为与门结构的gating cell,如下图。
create_clock -name CLKA -period 10 -waveform {0 5}
[get_ports CLKA]
create_clock -name CLKB -period 10 -waveform {0 5}
[get_ports CLKB]

为了保证UAND0输出信号没有glitch或者clipped,gating信号需要在CLKB为低电平时发生变化。所以setup和hold的检查的范围在5-10ns之间,这就导致hold检查的时候做半周期检查时序很难收敛。

Startpoint: UDFF0
(rising edge-triggered flip-flop clocked by CLKA)
Endpoint: UAND0
(rising clock gating-check end-point clocked by CLKB)
Path Group: **clock_gating_default**
Path Type: min
Point Incr Path
---------------------------------------------------------------
clock CLKA (rise edge) 0.00 0.00
clock source latency 0.00 0.00
CLKA (in) 0.00 0.00 r
UDFF0/CK (DF ) 0.00 0.00 r
UDFF0/Q (DF ) 0.13 0.13 r
UAND0/A1 (AN2 ) 0.00 0.13 r
data arrival time 0.13
clock CLKB (fall edge) 5.00 5.00
clock source latency 0.00 5.00
CLKB (in) 0.00 5.00 f
UAND0/A2 (AN2 ) 0.00 5.00 f
clock gating hold time 0.00 5.00
data required time 5.00
---------------------------------------------------------------
data required time 5.00
data arrival time -0.13
---------------------------------------------------------------
slack (VIOLATED) -4.87
假设UDFF0是下降沿触发,那么就可以避免这个问题(此时的setup检查为半周期)。如下图。

Startpoint: UFF0
(falling edge-triggered flip-flop clocked by CLKA)
Endpoint: UAND0
(rising clock gating-check end-point clocked by CLKB)
Path Group: **clock_gating_default**
Path Type: min
Point Incr Path
---------------------------------------------------------------
clock CLKA (fall edge) 5.00 5.00
clock source latency 0.00 5.00
CLKA (in) 0.00 5.00 f
UFF0/CKN (DFN ) 0.00 5.00 f
UFF0/Q (DFN ) 0.13 5.13 f
UAND0/A1 (AN2 ) 0.00 5.13 f
data arrival time 5.13
clock CLKB (fall edge) 5.00 5.00
clock source latency 0.00 5.00
CLKB (in) 0.00 5.00 f
UAND0/A2 (AN2 ) 0.00 5.00 f
clock gating hold time 0.00 5.00
data required time 5.00
---------------------------------------------------------------
data required time 5.00
data arrival time -5.13
---------------------------------------------------------------
slack (MET) 0.13
所以,常见的ICG高电平有效的结构多为低电平触发的latch+and的形式。
2.2 Active-Low Clock Gating
多出现在gating cell为or或nor的情况下,gating信号为低电平有效,gating信号为高电平时,门控关闭,所以gating信号必须在clock信号为高电平时变化才能保证没有glitch和clipped。如下图。

举例来说,UDFF0为上升沿触发,UOR1为gating cell。
create_clock -name MCLK -period 8 -waveform {0 4}
[get_ports MCLK]
create_clock -name SCLK -period 8 -waveform {0 4}
[get_ports SCLK]

为了保证UOR1输出不产生glitch和clipped问题,gating信号需要在SCLK为高电平时才能发生变化,这就导致setup检查变成了半周期。

Startpoint: UDFF0
(rising edge-triggered flip-flop clocked by MCLK)
Endpoint: UOR1
(falling clock gating-check end-point clocked by SCLK)
Path Group: **clock_gating_default**
Path Type: max
Point Incr Path
---------------------------------------------------------------
clock MCLK (rise edge) 0.00 0.00
clock source latency 0.00 0.00
MCLK (in) 0.00 0.00 r
UDFF0/CK (DF ) 0.00 0.00 r
UDFF0/Q (DF ) 0.13 0.13 f
UOR1/A1 (OR2 ) 0.00 0.13 f
data arrival time 0.13
clock SCLK (fall edge) 4.00 4.00
clock source latency 0.00 4.00
SCLK (in) 0.00 4.00 f
UOR1/A2 (OR2 ) 0.00 4.00 f
clock gating setup time 0.00 4.00
data required time 4.00
---------------------------------------------------------------
data required time 4.00
data arrival time -0.13
---------------------------------------------------------------
slack (MET) 3.87
3 set_clock_gating_check与set_disable_clock_gating_check
当gating cell为mux或者xor等复杂功能cell时,STA分析的工具不会把它当成gating cell,用户可以手动设置 set_clock_gating_check去做clock gating check,默认情况下gating cell在做clock gating check时的setup、hold time都是0,用户可以用-setup/-hold手动指定一个值。
set_clock_gating_check -setup 0.2 -hold 0.4 [get_clocks CLK1]
同理,当工具误把一个组合逻辑当成gating cell时也可以使用set_disable_clock_gating_check解除clock gating check。
set_disable_clock_gating_check U44/Z
最后
以上就是碧蓝秋天最近收集整理的关于静态时序分析—门控时钟检查(clock gating check)1、clock gating check的条件2、clock gating check的类型3 set_clock_gating_check与set_disable_clock_gating_check 的全部内容,更多相关静态时序分析—门控时钟检查(clock内容请搜索靠谱客的其他文章。
发表评论 取消回复