行万里路–时序约束实战篇
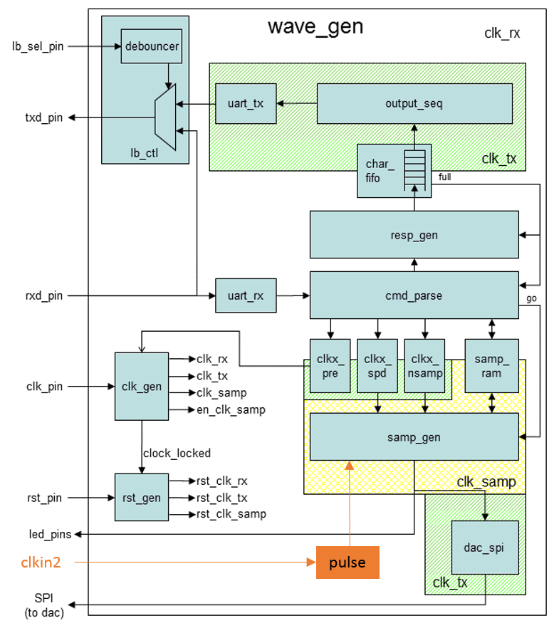
我们以Vivado自带的wave_gen工程为例,该工程的各个模块功能较为明确,如下图所示。为了引入异步时钟域,我们在此程序上由增加了另一个时钟–clkin2,该时钟产生脉冲信号pulse,samp_gen中在pulse为高时才产生信号。

下面我们来一步一步进行时序约束。
1. 梳理时钟树
我们首先要做的就是梳理时钟树,就是工程中用到了哪些时钟,各个时钟之间的关系又是什么样的,如果自己都没有把时钟关系理清楚,不要指望综合工具会把所有问题暴露出来。
在我们这个工程中,有两个主时钟,四个衍生时钟,如下图所示。
确定了主时钟和衍生时钟后,再看各个时钟是否有交互,即clka产生的数据是否在clkb的时钟域中被使用。
这个工程比较简单,只有两组时钟之间有交互,即:
clk_rx与clk_txclk_samp与clk2
其中,clk_rx和clk_tx都是从同一个MMCM输出的,两个频率虽然不同,但他们却是同步的时钟,因此他们都是从同一个时钟分频得到(可以在Clock Wizard的Port Renaming中看到VCO Freq的大小),因此它们之间需要用set_false_path来约束;而clk_samp和clk2是两个异步时钟,需要用asynchronous来约束。

完成以上两步,就可以进行具体的时钟约束操作了。
FPGA时序约束教程所有文章:
1 FPGA时序约束理论篇之建立保持时间
2 FPGA时序约束理论篇之时序路径与时序模型
3 FPGA时序约束理论篇之IO约束
4 FPGA时序约束理论篇之时钟周期约束
5 FPGA时序约束理论篇之两种时序例外
6 FPGA时序约束理论篇之xdc约束优先级
7 FPGA时序约束实战篇之梳理时钟树
8 FPGA时序约束实战篇之主时钟约束
9 FPGA时序约束实战篇之衍生时钟约束
10 FPGA时序约束实战篇之延迟约束
11 FPGA时序约束实战篇之伪路径约束
12 FPGA时序约束实战篇之多周期路径约束
13 FPGA时序约束之Vivado辅助工具
14 FPGA时序约束之Tcl命令的对象及属性
个人网站:http://www.technomania.cn/
微信公众号:Quant_Times
Reading_Times
最后
以上就是烂漫项链最近收集整理的关于7 FPGA时序约束实战篇之梳理时钟树行万里路–时序约束实战篇的全部内容,更多相关7内容请搜索靠谱客的其他文章。
发表评论 取消回复