题目给出的逻辑表达式只涉及2个变量(A、B), 而要求我们使用3变量输入的3-8译码器74LS138来实现, 所以我们须先将2变量(A、B)的逻辑表达式等价转换为3变量(A、B、C)的逻辑表达式.
Y1(A,B)=∑m(0,3)=A'B'+AB=A'B'(C+C')+AB(C+C')=A'B'C+A'B'C'+ABC+ABC',
Y2(A,B)=∑m(1,2,3)=A'B+AB'+AB=A'B(C+C')+AB'(C+C')+AB(C+C')=A'BC+A'BC'+AB'C+AB'C'+ABC+ABC',
将Y1、Y2转换为3变量的逻辑函数, 有:
Y1(A,B,C)=A'B'C+A'B'C'+ABC+ABC',
Y2(A,B,C)=A'BC+A'BC'+AB'C+AB'C'+ABC+ABC',
要使Y1(A,B,C)、Y2(A,B,C)分别与Y1(A,B)、Y2(A,B)等价, 则使C=1(或C=0). 按照下图示接线:

Y1(A,B,C)=A'B'C+A'B'C'+ABC+ABC'=∑m(0,1,6,7)=m0+m1+m6+m7=((m0+m1+m6+m7)')'=(m0'·m1'·m6'·m7')'=(Y0'·Y1'·Y6'·Y7')'.
Y2(A,B,C)=A'BC+A'BC'+AB'C+AB'C'+ABC+ABC'=∑m(2,3,4,5,6,7)=m2+m3+m4+m5+m6+m7=((m2+m3+m4+m5+m6+m7)')'=(m2'·m3'·m4'·m5'·m6'·m7')'=(Y2'·Y3'·Y4'·Y5'·Y6'·Y7')'.
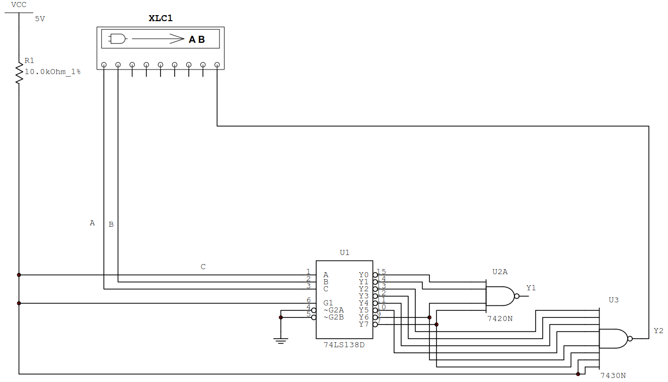
由Y1(A,B,C)=(Y0'·Y1'·Y6'·Y7')', Y2(A,B,C)=(Y2'·Y3'·Y4'·Y5'·Y6'·Y7')', 得到电路原理图:

最后
以上就是落后短靴最近收集整理的关于用1片3-8译码器74LS138和必要的门电路设计一个多输出的组合电路. 要求写出设计过程, 画出连线图. 输出的逻辑函数为: Y1(A,B)=∑m(0,3), Y2(A,B)=∑m(1,2,3)的全部内容,更多相关用1片3-8译码器74LS138和必要的门电路设计一个多输出的组合电路.内容请搜索靠谱客的其他文章。
发表评论 取消回复