一、实验目的:
1、掌握Cadence Virtuoso快捷键技巧,学会使用Cadence进行原理图设计、版图设计、原理图仿真。
- 实验使用AMI 0.6u C5N工艺,了解NCSU Cadence设计套件(NCSU_Analog_Parts库)的使用。
- 实现二输入与非门电路设计、版图设计与仿真。
- 实验步骤:
- 在库管理器中添加一个库,为方便今后辨认,我添加的库名为Aurora-4,如图:

- 选择库管理器中的Aurora-4库,新建原理图,使用NCSU_Analog_Parts库中NMOS和PMOS元件和源网络绘制如下二输入与非门原理图如图:
- “检查并保存”以后,Create—Cellview—From Cellview建立二输入与非门原理图的Symbol,绘制如下图:
- “检查并保存”以后,重新建立一个原理图对Symbol进行ADE仿真。二输入与非门的Symbol仿真原理图如下图:
- 启动ADE_L,转至选择菜单Setup - > Model Libraries,选择地址在/$ HOME=/home/cademce/ncsu-cdk-1.6.0.beta/models/Spectre /standlone的ami06N.m(NMOS模型文件)以及ami06P.m(PMOS模型文件),并且选择Setup—>Stimuli设置好Vdd!参数为DC 5V并且Enabled,之后Apply,之后再设置交流电压源参数如下图:
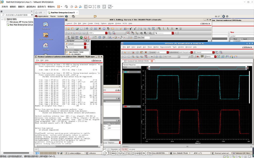
- 选择需要输出仿真结果的导线,之后运行仿真,二输入与非门仿真结果如下图所示:

- 仿真结果符合预期,保存仿真文件于Cellview中便于下次调用无需重新设置参数,上述无问题后,进行版图绘制,在Aurora-4库中新建一个Layout版图文件,绘制二输入与非门的版图,绘图布局时始终使用“drw”图层,绘制完成如下图所示:

- DRC版图Layout后,导出二输入与非门的抽取视图(Extracted),成功后如下图所示:

- 检查并使二输入与非门版图的抽取视图(Extracted)与二输入与非门的原理图相匹配,运行LVS,LVS完成后,结果如下:

- 二输入与非门版图抽取视图LVS的Output显示“The net-lists match.”之后,对二输入与非门进行后仿真:把二输入与非门ADE_L设置环境Switch View List中仿真对象为“extracted schematic”,运行仿真,二输入与非门仿真结果如下:
- 可见仿真结果符合预期,至此,后仿真结果与预想理论情况一致,版图设计无问题,原理图与版图及其抽取视图相匹配,二输入与非门设计结束。
- 实验结果:
- 原理图(Schematic):

上图为二输入与非门原理图。

上图为二输入与非门的Symbol绘制结果。
- 原理图设计仿真(ADE_L):

上图为二输入与非门 Symbol仿真用原理图。

上图为二输入与非门 Symbol原理图仿真结果。
- 版图(Layout)设计:

上图为二输入与非门版图绘制结果。
- 抽取视图(Extracted):

上图为二输入与非门版图抽取视图结果。
- LVS结果:

上图为二输入与非门版图及原理图匹配成功后LVS的Output结果。(显示“The net-lists match.”)
- 后仿真结果(Sim-Extracted Schematic):

上图为实验最后设置二输入与非门 Symbol原理图仿真环境Switch View List中仿真对象为“extracted schematic”后的仿真结果。
最后
以上就是沉静歌曲最近收集整理的关于集成电路CAD课程实验报告:二输入与非门电路设计、版图设计与仿真的全部内容,更多相关集成电路CAD课程实验报告内容请搜索靠谱客的其他文章。
本图文内容来源于网友提供,作为学习参考使用,或来自网络收集整理,版权属于原作者所有。
发表评论 取消回复