存储系统
主要介绍两种静态存储器(SRAM)和动态存储器(DRAM)
主要技术指标
1、存储容量 用”存储单元个数×每个存储单元的位 数”来表示。如SRAM6264:8K×8
2、存取时间和存取周期
静态存储器SRAM
作用:主要用来存放当前运行的程序、各种输入输出数据、中间运算结果及堆栈。
特点:可读可写,掉电后内容丢失;存取速度快,外部电路简单;价格比DRAM高。
存储元:由双稳态触发器构成。存储信息稳定
常用SRAM芯片介绍
常用系列 62 系列: SRAM
特点: 1.后2位或3位除8后表示容量2.数据线根数都是8根(D0~D7)
动态随机存储器DRAM
特点
存储元主要由电容构成,由于电容存在的漏电现象而使其存储的信息不稳定,故DRAM芯片需要定时刷新
集成度高,价格低,外围电路复杂。
存取速度较快,没SRAM快。
常用动态DRAM 21 系列介绍
2116 2164 21256 等
特点: 1. 后2位或3位表示容量2.数据线根数都是1根3.要经常刷新
地址线的根数是静态RAM的一半
典型DRAM芯片2164A
2164A:64K×1bit 64K=2的16次方 地址线16/2=8根
只读存储器
只读存储器(ROM)具有掉电后信息不会丢 失的特点(非易失性),弥补了读写存储器 (RAM)性能上的不足,因此成为微型计算机的 一个重要部件。
掩膜型只读存储器(MROM) 可编程一次只读存储器(PROM)
可擦除可编程多次只读存储器(EPROM) 在线可擦除可编程只读存储器(EEPROM)
存储器的扩展技术
用多片存储芯片构成一个需要的内存空间,它们在整个内存中占据不同的地址范围,任一时刻仅有一片(或一组)被选中——存储器的扩展。
位扩展 字扩展----8086扩展
位扩展
存储器的存储容量等于:单元数×每单元的位数
当构成内存的存储器芯片的字长小于内存单元的字长时,就要进行位扩展,使每个单元的字长满足要求
eg:

位扩展特点:存储器的单元数不变,位数增加
位扩展电路连接方法是:将每个存储芯片的地址线和控制线(包括选片信号线、读/写信号线等) 并联在一起,数据线分别引出连接至数据总线的不同位上。
位扩展连接方法归纳如下:(1)芯片的地址线全部并联且与地址总线相应连接;(2)片选信号线并联,连接到地址译码器的输出端 (3)读写控制信号并联,连接到控制总线的存储器读写控制线上; (4)不同芯片的数据线连接到数据总线不同位上。
2、字节扩展--8088
地址空间的扩展。芯片每个单元中的字长满足,但单元数不满足
扩展原则: 每个芯片的低位地址线、数据线、控制线并联,仅片选端分别引出,以实现每个芯片占据不同的地址范围
CPU的低位地址线与存储芯片的地址线直接相连
CPU多余的高位地址线用来选择存储芯片
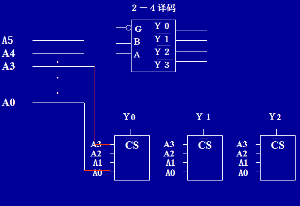
译码方式:线选法 部分译码法 全译码法
1)线选法:
多余的高位地址线,每根选一片

CPU的低位地址线与存储芯片的地址线直接相连
CPU多余的高位地址线用来选择存储芯片
特点:
1) 高位地址线直接与存储器的片选端相连,省掉中间电路
2) 没有充分利用到CPU的地址资源
3) 存储器的地址不连续
4) 若高位地址线没有全部用到,则有重合地址存在
2)部分译码法:

3)全译码法

特点
1) 充分利用到了CPU的地址资源,
2) 存储器的地址连续且从0H开始
3) 高位地址线全部用到,故没有重合地址存在
4) 高位地址线与存储器的片选端之间,需要有译码电路
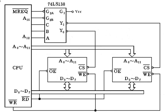
扩展实例:用两片4K×8位的SRAM芯片构成容量为8KB×8位的存储器

3.字扩展-8086
1、即为扩展奇偶存储器
2、奇偶存储器相当于奇偶两条线扩展,分别由A0、BHE选择


最后
以上就是闪闪云朵最近收集整理的关于微机复习第五章存储系统主要技术指标存储器的扩展技术的全部内容,更多相关微机复习第五章存储系统主要技术指标存储器内容请搜索靠谱客的其他文章。
发表评论 取消回复