d触发器是一种拥有记忆特性的元器件,可以用来存储信息,在计算机领域有着非常多的运用。那么d触发器的原理是什么?下面介绍d触发器的功能及作用。
d触发器的原理是什么
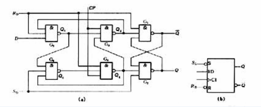
SD和RD接至基本RS触发器的输入端,它们分别是预置和清零端,低电平有效。
当SD=1且RD=0时(SD的非为0,RD的非为1,即在两个控制端口分别从外部输入的电平值,原因是低电平有效),不论输入端D为何种状态,都会使Q=0,Q非=1,即触发器置0;
当SD=0且RD=1(SD的非为1,RD的非为0)时,Q=1,Q非=0,触发器置1,SD和RD通常又称为直接置1和置0端。
我们设它们均已加入了高电平,不影响电路的工作。

d触发器的功能及作用
1、在外加信号的作用下,可以从一种稳定的状态转换到另一种稳定的状态(0到1或者1到0)。
2、在一定的条件下,可以维持一个稳定的状态(0或1)保持不变。
3、出现脉冲边沿,才将信号输出(输入等于下一时刻的输出 ),用于时序电路;
4、在两个脉冲边沿中间,输出状态保持不变,可以用来在信号传输过程中,防止外来信号的干扰。
以上便是d触发器的原理,d触发器的功能及作用的全部解答。d触发器是由多个门电路集成组成的,有"0"和"1"两种基本状态,可输出不同时序的信号。
最后
以上就是清脆小懒虫最近收集整理的关于触发器在计算机中的作用,d触发器的原理是什么_d触发器的功能及作用的全部内容,更多相关触发器在计算机中内容请搜索靠谱客的其他文章。
本图文内容来源于网友提供,作为学习参考使用,或来自网络收集整理,版权属于原作者所有。
发表评论 取消回复