由于某些限制,在Simulink中不允许用m函数来表达复杂的逻辑判断关系,必须用Simulink源生的框图表示。本文介绍相关内容。
1. 前言
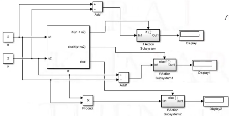
我们尝试表达如下判断和执行:

在Simulink中,判断和执行是分成两个模块来表达的:
- 判断:If Block
- 执行:If Action Subsystem Block
2. 操作
最终设置:

If Block的设置:

在“Elseif expressions”内,多个elseif分支之间用逗号隔开。本例只有一个分支(u1<u2),所以只写了一个。
3. Merge模块
Merge块可将多个输入合并为单个输出。输出值始终等于其驱动模块最近计算的输出。
使用 Merge 模块时,请遵循以下原则:
- 始终使用条件执行子系统来驱动 Merge 模块
- ● 确保在任何时间步都最多只有一个驱动条件执行子系统在执行中。
- 确保所有输入信号具有相同的采样时间。
- 如果为 Model Configuration Parameters > Diagnostics > Underspecified initialization detection 参数使用默认设置 “Classic”,请不要为 Merge 模块的输入信号创建分支。
- 对于驱动 Merge 模块的所有条件执行子系统 Outport 模块,请将 Output when disabled 参数设置为 “held”。
- 如果 Model 模块的输出来自 MATLAB Function 模块或 Stateflow® 图,不要将该输出端口连接到 Merge 模块的输入端口。
最后
以上就是自觉时光最近收集整理的关于【Simulink】Simulink中表达if-else1. 前言2. 操作3. Merge模块的全部内容,更多相关【Simulink】Simulink中表达if-else1.内容请搜索靠谱客的其他文章。
本图文内容来源于网友提供,作为学习参考使用,或来自网络收集整理,版权属于原作者所有。
发表评论 取消回复