我是靠谱客的博主 饱满期待,这篇文章主要介绍【飞轮储能】基于simulink的飞轮储能发电系统的仿真1.软件版本2.本算法理论知识3.部分核心代码4.仿真结论5.参考文献,现在分享给大家,希望可以做个参考。
1.软件版本
MATLAB2017b
2.本算法理论知识
飞轮储能是指利用电动机带动飞轮高速旋转,在需要的时候再用飞轮带动发电机发电的储能方式。技术特点是高功率密度、长寿命。飞轮本体是飞轮储能系统中的核心部件,作用是力求提高转子的极限角速度,减轻转子重量,最大限度地增加飞轮储能系统的储能量,多采用碳素纤维材料制作。2022年4月11日,2台1兆瓦飞轮储能装置在青岛地铁3号线万年泉路站完成安装调试,并顺利并网应用,这是我国轨道交通行业首台具有完全自主知识产权的兆瓦级飞轮储能装置。
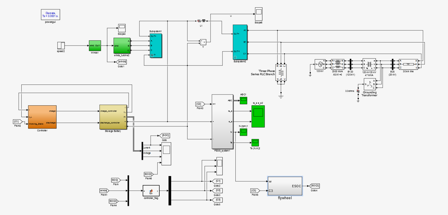
建立一个独立的飞轮储能系统,标准的结构如下所示:

3.部分核心代码

4.仿真结论




5.参考文献

A02-58
最后
以上就是饱满期待最近收集整理的关于【飞轮储能】基于simulink的飞轮储能发电系统的仿真1.软件版本2.本算法理论知识3.部分核心代码4.仿真结论5.参考文献的全部内容,更多相关【飞轮储能】基于simulink内容请搜索靠谱客的其他文章。
本图文内容来源于网友提供,作为学习参考使用,或来自网络收集整理,版权属于原作者所有。
发表评论 取消回复