查找模块的方法可参照:Simulink 查找元器件的四种方法
电力仿真模块一般在 Simscape/Electrical/Specialized Power Systems 目录下。
本文将介绍以下模块:
| 名字 | 模块 |
|---|---|
| 直流电压源 | DC Voltage Source |
| 三相电源 | Three-Phase Source |
| 三相电压电流测量模块 | Three-Phase V-I Measurement |
| (单相)电阻、电感和电容 | Series RLC Branch |
| 三相电阻、电感和电容 | Three-Phase Series RLC Branch |
| 派克(反)变换 | abc to dq0, dq0 to abc |
| 电桥 | Universal Bridge |
| 三相断路器 | Three-Phase Breaker |
1. 直流电压源 DC Voltage Source
Simscape / Electrical / Specialized Power Systems / Fundamental Blocks / Electrical Sources

1000V直流电压源:

2.三相电源 Three-Phase Source
Simscape / Electrical / Specialized Power Systems / Fundamental Blocks / Electrical Sources

三相电源模块实现一个具有内部R-L阻抗的平衡三相电压源。 三个电压源在Y中连接,可以内部接地或可接近的中性连接。 可以通过输入R和L值直接指定源内阻和电感,也可以通过指定源感应短路电平和X/R比间接指定源内阻和电感。 例如:

3.三相电压电流测量模块 Three-Phase V-I Measurement
Simscape / Electrical / Specialized Power Systems / Fundamental Blocks / Measurements

三相V-I测量块用于测量电路中的瞬时三相电压和电流。 当与三相元件串联时,它返回三个相对地或相对相的峰值电压和电流。
该块可以输出电压和电流单位(pu)值或伏特和安培。
下图为测量电压电流的示例:

具体使用方法可参照:【Simulink】Three-Phase V-I Measurement 使用方法
4.(单相)电阻、电感和电容 Series RLC Branch
Simscape / Electrical / Specialized Power Systems / Fundamental Blocks / Elements

串联RLC分支:单个电阻,电感或电容,或这些的系列组合。电阻、电感和电容允许为负值。
其余模块类似:

5.三相电阻、电感和电容 Three-Phase Series RLC Branch
Simscape / Electrical / Specialized Power Systems / Fundamental Blocks / Elements

15mH 电感和 0.01Ω 电阻的串联组合:

三相串联RLC支路块由一个电阻、一个电感或一个电容或这些的串联组合组成。
其余类似:

Three-Phase Series RLC Load:

Three-Phase Parallel RLC Load:(恒功率1MW负载)

6. 派克(反)变换 abc to dq0, dq0 to abc
Simscape / Electrical / Specialized Power Systems / Control & Measurements / Transformations

旧版本中还有一个输入 sin_cos,新版本去掉了。
两个参数分别对应不同的派克矩阵:


一般采用 90 degrees behind phase A axis 。
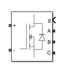
7. 电桥 Universal Bridge
Simscape / Electrical / Specialized Power Systems / Fundamental Blocks / Power Electronics

Diodes 二极管

Thyristors 晶闸管

GTO 门极可关断晶闸管

MOSFET 电力场效应晶体管

IGBT 绝缘栅双极晶体管

8.三相断路器 Three-Phase Breaker
Simscape / Electrical / Specialized Power Systems / Fundamental Blocks / Elements

Initial status :初始状态
(如上图即为关闭)
Switching times :切换状态的时间
(如下图设置,即为在0.5s时断开)

PS:
【腾讯云】多款云产品1折起,买云服务器送免费机器,最长免费续3个月
【腾讯云】爆款云服务器限时体验20元起,更多上云必备产品低至1元
【腾讯云】新客户无门槛领取总价值高达2860元代金券,每种代金券限量500张,先到先得。
最后
以上就是阔达哈密瓜最近收集整理的关于【Simulink】电力系统仿真常用模块位置1. 直流电压源 DC Voltage Source2.三相电源 Three-Phase Source3.三相电压电流测量模块 Three-Phase V-I Measurement4.(单相)电阻、电感和电容 Series RLC Branch5.三相电阻、电感和电容 Three-Phase Series RLC Branch6. 派克(反)变换 abc to dq0, dq0 to abc7. 电桥 Universal Bridge8.三相断路器 的全部内容,更多相关【Simulink】电力系统仿真常用模块位置1.内容请搜索靠谱客的其他文章。
发表评论 取消回复