5G 基站的功能:
无线电资源管理功能:无线电承载控制,无线电准入控制,连接移动性控制,在上行链路和下行链路中向UE动态分配资源(调度);
- IP报头压缩,加密和完整性保护的数据;
-当无法从UE提供的信息确定到AMF的路由时,在UE连接处选择AMF;
-将用户平面数据路由到UPF;
-将控制平面信息路由到AMF;
-连接设置和释放;
-调度和传输寻呼消息;
-调度和传输系统广播信息(源自AMF或O&M);
-用于移动性和调度的测量和测量报告配置;
-上行链路中的传输层分组标记;
-会话管理;
-支持网络切片;
- QoS流管理和映射到数据无线承载;
-支持处于RRC_INACTIVE状态的UE ;
-用于NAS消息分布函数;
-无线电接入网共享;
-双重连接;
- NR和E-UTRA之间的紧密互通。
AMF 主要功能:
- NAS信令终止;
- NAS信令安全;
- AS安全控制;
-用于3GPP接入网之间的移动性的CN间节点信令;
-空闲模式下的UE可达性(包括控制和执行寻呼重传);
-登记区管理;
-支持系统内和系统间的移动性;
-访问认证;
-访问授权,包括漫游权限检查;
-流动性管理控制(订阅和政策);
-支持网络Ş LIC ING;
- SMF选择。
UPF主要功能:
锚点帧内/ RAT间移动性(适用时);
-与数据网络互连的外部PDU会话点;
-分组路由和转发;
-策略规则实施的数据包检查和用户平面部分;
-交通使用情况报告;
-上行分类器,以支持将流量路由到数据网络;
-支持多宿主PDU会话的分支点;
-用户平面的QoS处理,例如数据包过滤,门控,UL / DL速率执行;
-上行流量验证(SDF到QoS流映射);
-下行数据包缓冲和下行数据通知触发。
SMF主要功能:
会话管理;
- UE IP地址分配和管理;
-选择与UP功能的控制;
-在UPF上配置流量控制,以将流量路由到正确的目的地;
-策略执行和QoS的控制部分;
-下行数据通知。
网络接口:
- NG-U接口在NG-RAN节点和UPF之间提供不可靠的用户平面PDU的传输。

- NG-C接口定义为NG-RAN和AMF之间的接口,传输网络层基于IP传输。为了实现信令消息的可靠传输,在IP层之上加入SCTP层。应用层信令协议被称为NG AP(NG应用协议)。SCTP层保证了应用程序层消息的传递。在传输中,IP层点对点传输用于传递信令PDU。

NG-C提供以下功能:
- NG接口管理;
- UE上下文管理;
- UE移动性管理;
- NAS消息的传输;
-分页;
- PDU会话管理;
-配置转移;
-警告消息传输
Xn用户面:
Xn用户平面接口限制在两个NG-RAN节点之间。协议栈如下图所示,传输层建立在IP传输之上,GTP-U用于UDP/IP之上承载用户平面的PDU。

Xn-U提供用户平面PDU的非保证交付,并支持一下功能:
-数据转发
-流量控制
Xn控制面:
Xn用户平面接口限制在两个NG-RAN节点之间,协议栈如下图所示。传输网络层基于IP之上的SCTP构建。应用层信令称为Xn-AP(Xn应用协议)。SCTP层保证了应用层消息的可靠传递。在ip层点对点传输信令PDU。

Xn-c 接口支持以下功能:
- XN接口管理;
- UE移动性管理,包括上下文转移和RAN寻呼:
-双重连接。
无线电架构协议:
- 用户面协议栈如下图所示

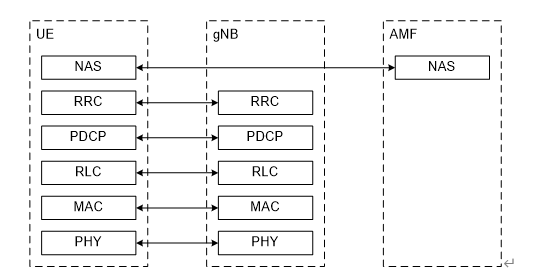
2.控制面协议栈如下图所示

最后
以上就是痴情小兔子最近收集整理的关于5G架构学习笔记的全部内容,更多相关5G架构学习笔记内容请搜索靠谱客的其他文章。
发表评论 取消回复