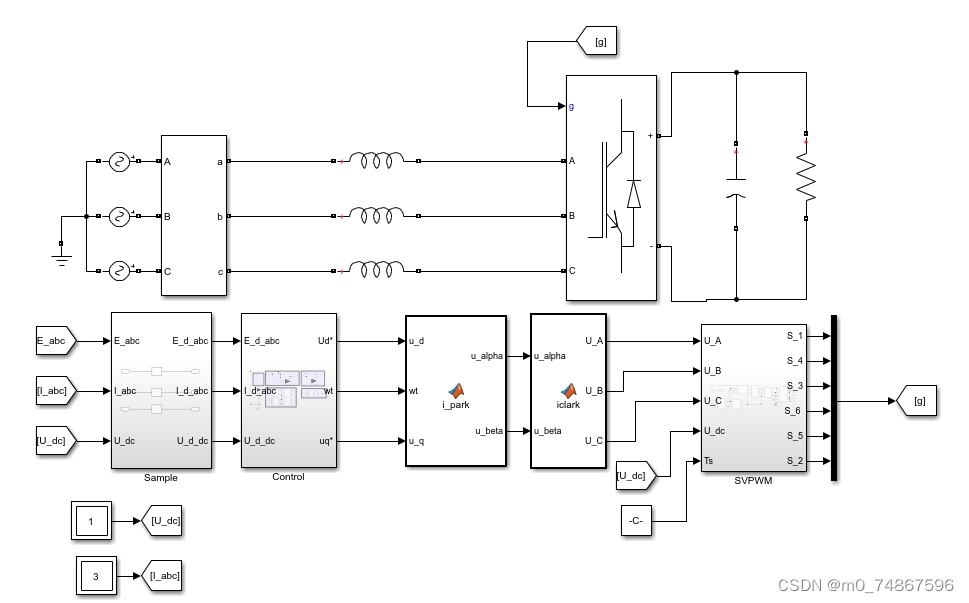
在simulink中搭建了两电平PWM整流器,采用电压电流双闭环控制,采用基于双二阶广义积分器的锁相环锁电网相位。
实现了单位功率因数,且并网电流THD小于5%,符合并网要求。
整个仿真全部离散化。
整个仿真全部离散化,采用离散解析器,控制与采样环节全部自己手工搭建,没有采用Matlab自带的模块。

ID:4750672848251266
tbNick_nl28g


最后
以上就是无心玫瑰最近收集整理的关于在simulink中搭建了两电平PWM整流器,采用电压电流双闭环控制,采用基于双二阶广义积分器的锁相环锁电网相位的全部内容,更多相关在simulink中搭建了两电平PWM整流器,采用电压电流双闭环控制,采用基于双二阶广义积分器内容请搜索靠谱客的其他文章。
本图文内容来源于网友提供,作为学习参考使用,或来自网络收集整理,版权属于原作者所有。
发表评论 取消回复