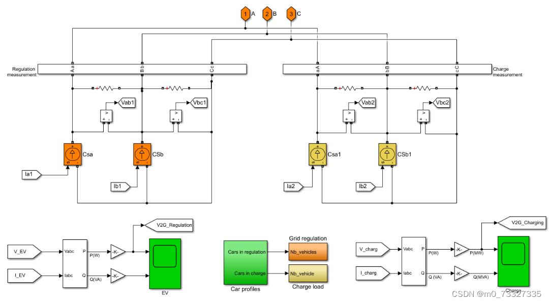
V2G:基于MATLAB/Simulink的车联网仿真模型,用来模拟一天24小时的微电网运行情景。
其中,柴油发电机作为基础发电机单元,光伏单元与风力发电为可再生能源部分,V2G安装在系统输出作为电网的负载。
仿真条件:MATLAB/Simulink R2015b

ID:4650659918612773
Silence


最后
以上就是贪玩高跟鞋最近收集整理的关于V2G:基于MATLAB/Simulink的车联网仿真模型,用来模拟一天24小时的微电网运行情景的全部内容,更多相关V2G:基于MATLAB/Simulink内容请搜索靠谱客的其他文章。
本图文内容来源于网友提供,作为学习参考使用,或来自网络收集整理,版权属于原作者所有。
发表评论 取消回复