在开关电源中,LLC谐振变换器是最常见的DC-DC变换器之一。 LLC谐振电路早在上世纪80年代就已经提出,到如今仍有广泛的应用,可见其优越性。其优点表现在:
1.LLC的开关器件能实现软开关,开关损耗小
2.效率高、功率密度大
LLC按结构的不同分为很多种,如对称半桥、非对称半桥、非对称全桥等。

非对称半桥LLC▲

对称半桥LLC▲

非对称全桥LLC▲
其中,非对称半桥LLC最为简单,所以本文以该电路为例讲解LLC的工作原理。

非对称半桥LLC▲
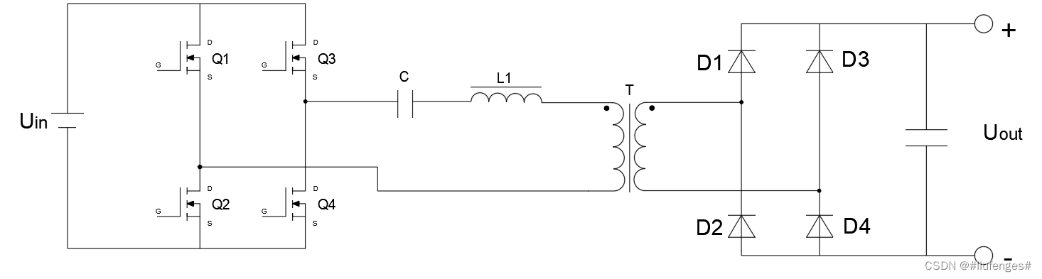
先来具体看看非对称半桥LLC电路的结构(如上)。开关管 Q1、Q2交替导通,在V1处产生方波。由于LLC的工作过程中,体二极管与结电容Cds也发挥了作用,所以将他们画出来了。Cr、Lr分别称为谐振电感、谐振电感。Lm并不是实际上的电感,而是变压器T的励磁电感,为了便于分析所以将其等效出来。Cr、Lr、Lm共同组成的部分,我们称之为谐振腔,它是LLC工作的核心部分,也是LLC名字的由来。变压器副边则是常见的桥式整流,变压器副边的电压是交流的,所以需要整流才能得到直流输出。当然也可以采用其他方式进行整流,例如带中心抽头变压器的全波整流。
§LLC基本工作原理:
LLC谐振变换器利用的是LC串联谐振特性来工作的。

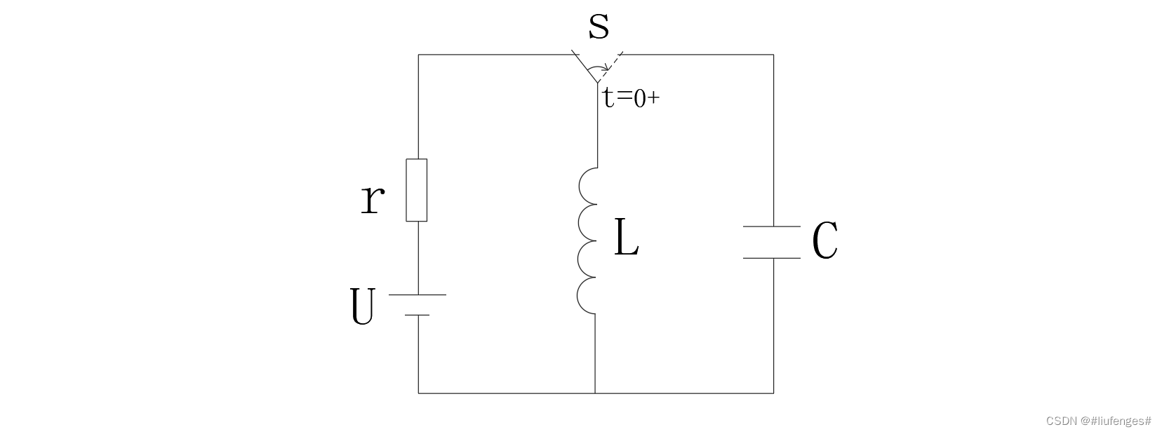
如上电路,开关s初始状态是左侧接通,某时刻将s打到右边,在右侧由LC构成的环路中就会发生谐振。
谐振即环路中的电压电流以正弦波形变化,且电压电流相位相差90°。假如不考虑环路中的电阻,电压电流会等幅震荡,即正弦波形的幅值保持不变。如果考虑实际电路的电阻,则会出现阻尼震荡,即正弦波形的幅值越来越小,直至变为0(如下)。显然,实际中的电路不可能没有电阻,所以要想维持谐振,就得用电源周期性给LC充能。
LC的谐振频率与L、C的数值有关,计算为:
如果利用开关管周期性给谐振腔的电感电容充电,维持谐振腔的谐振,交变的谐振电流流过变压器原边,就能在副边得到交变的感应电压,再经过整流就能得到直流输出了。如果需要调整输出电压,改变V1方波的频率(即改变Q1、Q2的开关频率),就能改变变压器副边的电压,达到输出电压调整的目的。这就是LLC变换器的基本原理。
谐振频率fr是LLC的核心参数,参数计算、稳压都是围绕fr。
§参数计算:
在进行LLC变换器设计时,有几个参数是必须要计算的:谐振频率、电压增益。直接关系到LLC的工作状态。
对于LLC谐振腔,含有两个电感,Lr是一定都会参与谐振的,但是对于Lm,其等效电感受变压器次级电路的影响,比如输出端短路,那变压器原边也会相当于短路,此时Lm是不参与谐振的。如此,我们需要考虑两种情况,即Lm参与谐振、Lm不参与谐振。计算出两种情况下的谐振频率:
Lm不参与谐振时:
Lm参与谐振时:
定义两个系数:
式中f为开关频率
将LLC电路的FHA等效电路简化:

Rac是变压器副边电阻等效过来的,其值:
电压增益规定为变压器原边与输入电压的比值,即:
从简化电路可以看出,Lp与Rac电压相等,再把Cr与Ls看成一个整体,Vp其实就是Lp与Rac并联后在谐振电路的分压,即G

所以改变频率就会改变Vp,从而改变输出电压,这就是LLC的调压原理。
定义一个系数Q:
Q与Rac成反比,即输出负载R越大,Q越小(空载时,Q为0);输出负载R越小,Q越大(输出短路时,Q为无穷大)。
根据稳压原理可以推出增益随频率变化函数关系:

如此,就得到LLC的增益曲线图:

不同的曲线代表不同的Q值,可以理解成不同的带载程度。比如,Q=0.5这条曲线,代表时,输出电压增益随频率变化的曲线关系。可以发现随着Q增大,增益曲线的驼峰会远离Fr1,而靠近Fr。
可以发现在fs=fr时(即开关频率等于谐振频率),所有曲线的增益都为1。这就是谐振的特点,当谐振腔工作在谐振点,其感抗的值等于容抗的值(即),此时两者刚好抵消,谐振电路中的阻抗有最小值,且等于电路中的阻值即Rac。相当于Vs1全部加在V上,即Vs1=Vp,所以增益为1。
增益曲线图可以分为3个工作区:ZCS区,ZVS区1,ZVS区2。对应不同的LLC工作的状态。因为开关管的开通损耗是比关断损耗大的,所以一般选择让LLC的开关管工作在ZVS区,即让开关频率在曲线波峰的右侧(如下图绿色加粗)。工作在ZVS区时,谐振腔整体成感性,电流滞后于电压。

如果输入电压不变,则输出电压与开关频率f的关系曲线和增益曲线一样。
可以发现,在ZVS区,频率fr越高,增益越小,即输出电压越小。
在进行LLC电路设计时,一般是根据输入输出电压范围,确定合适的变压器匝比以及谐振电容的容值,然后根据选择的谐振频率确定谐振电感的感量;再选择一个合适的K值,根据谐振电感确定变压器原边电感,再根据变压器磁芯选择合适的原副边匝数。
§LLC开关管的驱动:
不同于斩波电路通过PWM占空比调节输出电压,LLC谐振电路是通过调整开关频率调节电压(称之为PFM,脉冲频率调制)。
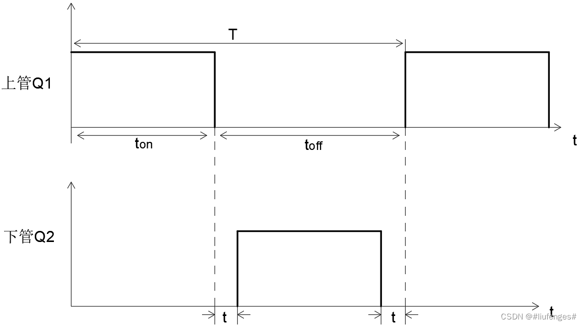
为了在V1处产生方波。Q1、Q2需交替导通,但是由于开关管开通与关断是需要时间的,无法做到瞬间完成,一旦在上管完全关断前,下管就开通,输出电源Uin就会通过上下管发生直连短路。所以为了避免该情况发生,需要在上下管的驱动间设置一个延时,即上管Q1关断后,延时t再开通下管Q2;同样,下管Q2关断后,延时t再开通上管Q1。我们称这个延时t为死区时间。在这个时间里,上下管G极电压都为0。

一般死区时间在几百ns。由于死区时间的存在,上下管驱动的占空比一定是小于50%的。

§ 软开关:
LLC效率高与其能实现软开关有关系,软开关减少了很多损耗。那么何为软开关?
现有如下电路:

理想中的开关管Q,在G极电压达到开通阈值电压后,DS极会立即导通,电压会立即降为零;在G极电压低于关断阈值电压后,DS极会立即截止,电流会立即将为零。
实际上的开关管不然。在G极电压达到开通阈值电压后,DS极并不会立即导通,而是有一个短暂的开通过程(可以理解为其电阻由很大变到很小),所以在开关管两端的电压会有一个短暂的下降过程,自然,流过其电流也会有一个短暂的上升过程(如下图a)。在这个过程中,开关管两端既有电压还有电流流过,所以就会有功率消耗在开关管上,这个过程消耗的能量就称为开通损耗,其值等于电压电流乘积的积分。
同样,在G极电压低于关断阈值电压后,DS极并不会立即截止,而是有一个短暂的关断过程(可以理解为其电阻由很小变到很大),所以在开关管两端的电压会有一个短暂的上升过程,自然,流过其电流也会有一个短暂的下降过程(如下图b)。在这个过程中,开关管两端既有电压还有电流流过,所以就会有功率消耗在开关管上,这个过程消耗的能量就称为关断损耗,其值也等于电压电流乘积的积分。
开通损耗与关断损耗统称为开关损耗。

在开关电源中,开关管都是以几十到几百kHz的频率工作,产生的开关损耗是非常大的。不仅影响开关电源的效率,还带来巨大的发热量。所以减小开关损耗是很有必要的。
软开关技术应运而生。
之所以叫“软”开关,是因为它的开关过程不会那么强硬,开关管只会在特定时机才开通或者关断。开通的时机就是开关管两端电压为0(我们称之为零电压开通ZVS,如下图a);关断的时机就是流过开关管的电流为0(称之为零电流关断ZCS,如下图b)。
开通与关断时,开关管两端的电压与流过的电流不会发生交叠,所以消耗的功率就为0,也就不会有开关损耗了(由于开关管的内阻,仍会有少量工作损耗)。

但是对于上面的电路,电源U为直流源时,是无法实现软开关的,因为开关管开通时,其两端一定会有电压,关断时也一定会有电流。假如把直流源换成交流电压源呢(如下图b)?
如果在交流电压正半周开通,也是无法实现ZVS。但是交流电压一旦进入负半周,Q的体二极管就会导通,并将Q的DS极电压钳位在0.7V的固定压降(电流方向:S→D)。此时再通过G极开通,就能实现ZVS了。LLC的ZVC也是利用该原理实现的,只要在MOSFET通过体二极管反向导通时开通DS,就能实现ZVS。具体过程看下文的详细工作过程分析。
§LLC详细工作过程分析:
LLC工作过程相比反激比较复杂些,所以这里拆为很多阶段进行解析。
桥式整流无需多说,所以这里就不详细分析副边的情况。
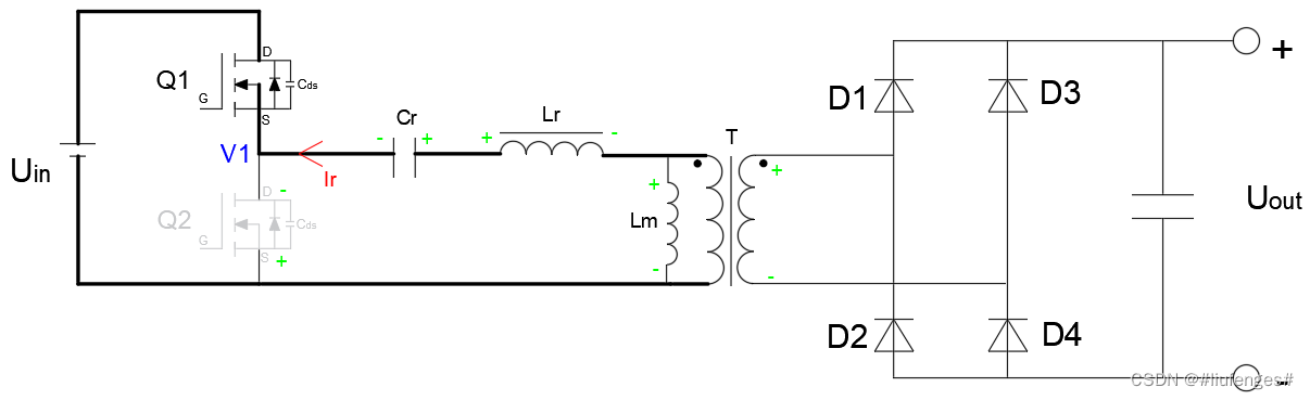
参数:Vin=1000V,Rac=320Ω,Cr=0.05uF,Lr=20uF,Lm=100uF,fr1=159KHz,fr2=71.5KHz;开关频率:80KHz。
1. 初始状态-Q1导通、Q2关断(谐振腔状态:Cr、Lr、Lm储能)

初始状态下,Q1、Q2皆关断,Cr、Lr、Lm皆为零状态。0+时刻,上管Q1导通。此时谐振回路如上图加粗线所示。谐振电流Ir慢慢增加,谐振电容Cr电压升高,直到Cr电压等于输入电压Uin。该阶段波形如下(红框内):

▲图例:CH1:Q1、Q2驱动; CH2:Q1、Q2电流; CH3:谐振电流Ir; CH4:谐振电容Cr电压
2.Q1导通、Q2关断(谐振腔状态:Lr、Lm释放能量,Cr继续储能)

当谐振电容Cr电压升高到等于Uin时进入该阶段。Cr电压等于Uin时,谐振电流达到最大值 并在这一阶段下降。Lr与Lm的感应电压反向,Cr继续充电,Cr电压升高。波形如下:

3.Q1关断、Q2关断(Lr、Lm继续释放能量,Cr继续储能)

Q1关断后,Q1所在回路断开,所以Q1的电流立即降为0。由于谐振电流Ir无法突变,仍保持顺时针流动,所以Q2的S极电压会高于D极,Q2的体二极管导通(方向:S极→D极),所以流过Q2的电流会立即增加到Ir。由于二极管的压降固定,所以Q2的电压被钳位在0.7V左右(Vs>Vd)。
Cr电压继续升高,Ir继续减小。
4.Q1关断、Q2开通(Lr、Lm继续释放能量,Cr继续储能)

Q1关断后,经过短暂的死区时间后Q2就会导通。因为在第3阶段时,Q2的体二极管导通,虽然其GS极本体未导通,但是其实与导通无异,Q2的GS极导通后,无非将压降进一步降低。所以谐振腔的情况仍与阶段3一样。注意:因为GS导通前,其两端电压已经为0.7V,Q2的ZVS就在这一步实现了。
在这阶段,Ir继续减小,Cr电压升高。

5. Q1关断、Q2开通(Lr、Lm储能,Cr释放能量)

上一阶段中,谐振电流Ir一直在减小,当其减小到0,相当于Lr与Lm储存的能量全部释放出来,而Cr的电压达到最大。然后,Cr会在这个阶段释放能量,电压下降,Lr与Lm储能。所以Ir会反向增大(波形如下)。直到Cr电压为0,进入下一阶段。

6.Q1关断、Q2开通(Lr、Lm释放能量,Cr储能)

谐振电容Cr电压降为0时,谐振电流Ir达到最大值。在这个阶段,Lr、Lm开始释放能量,Cr开始储能。Lr、lm、Cr电压全都反向。Ir开始反向减小,Cr电压上升(波形如下)。直到Q2关断,进入下一阶段。

7.Q1关断、Q2关断(Lr、Lm释放能量,Cr储能)
Q2关断前,谐振电流Ir以逆时针流动。Q2关断后,谐振电流无法突变,只能通过Q1的体二极管流过(方向:S极→D极)。Q1的体二极管压降将Q1的GS极电压钳位在0.7V。此时Uin相当于在吸收能量。
与上一阶段一样,Ir继续减小,Cr电压上升。直至Q1本体导通,进入下一个阶段。

8.Q1导通、Q2关断(Lr、Lm释放能量,Cr储能)

上一阶段Ir通过Q1的体二极管导通,虽然不是经过Q的本体,但实际上与GS导通无异,所以Q1的GS极导通后,谐振腔状态并不会因此发生变化,与上一阶段无异。
Ir继续减小,Cr电压上升(如下)。直至Ir=0,进入下一个阶段。

9.Q1导通、Q2关断,(Lr、Lm储能、Cr释放能量)

Ir减小到0之后,电流反向,Cr电压下降,Ir增大。直到Cr电压降至0,进入下一阶段。

10.Q1导通、Q2关断,(Lr、Lm、Cr储能)

这个阶段其实就是第2个循环的开始了,情况与第1阶段一致。只是这个阶段并不是从Q1开通开始,而是从Cr电压变为0开始。
这个阶段Ir增大,Cr电压升高,直至其电压等于Uin,然后进入下一阶段。

如此,单个周期过程已经讲解完成,后面不过是以此不断循环。
由于刚谐振时,能量传递未达到平衡,所以刚开始的波形不对称。经过足够的周期后,就会达到稳定状态,波形也会对称了如下。

§同步整流:
何为同步整流?
所谓同步整流就是区别于常规的二极管整流,取而代之的是MOSFET。通过采集MOS管DS电压来控制其导通与截止,以实现整流。
为什么需要同步整流?
二极管导通压降决定了不管输出电压多大,总是有0.7V的电压会被二极管"占用" 。对于一些输出低压大电流的情景(例如新能源汽车的车载DC-DC,输出电压一般为14V,但是电流可以达到100A),使用常规二极管作为整流器件 ,正向导通时会损耗大量能量,其值为电压电流乘积的积分,造成整体效率低,且给整流二极管的散热带来很大问题。
而MOSFET不存在导通压降的问题,其内阻也能做到5mΩ以下。如果使用MOSFET代替二极管整流,就能将损耗降到最低了。
使用LLC变换器的电源一般是对效率有很高的要求,所以为了进一步提高效率,一般LLC都会采用同步整流方式。
如何实现?
二极管导通的条件是阳极对阴极的压降达到导通电压。

同样,只要我们采集MOSFET的D极对S极的压降,当压降为正,即Vd>Vs时,控制G极以导通MOSFET,反之则关断MOSFET,就能“模拟”二极管的导通特性,实现整流了。所以同步整流MOSFET还需要配合专门的控制电路。
篇幅有效,MATLAB仿真见下篇文章《更新中...》
觉得有用,可以点个赞哦~
原创文章,转载请注明来源
最后
以上就是冷酷凉面最近收集整理的关于半桥LLC谐振变换器及同步整流MATLAB仿真(一)的全部内容,更多相关半桥LLC谐振变换器及同步整流MATLAB仿真(一)内容请搜索靠谱客的其他文章。
发表评论 取消回复