TCP报文格式+UDP报文格式+MAC帧格式
TCP和UDP的区别:
1)TCP是面向连接的,而UDP是无连接的
2)TCP提供可靠服务,而UDP不提供可靠服务,只是尽最大努力交付报文
3)TCP面向字节流,TCP把数据看成一串无结构的字节流,而UDP是面向报文的(UDP数据报+IP头部=IP数据报)
4)TCP有拥塞控制,UDP没有拥塞控制
5)TCP只提供点对点通信,而UDP提供点对点,点对多点,多点对多点的通信
6)TCP提供的是全双工的可靠信道,而UDP提供的是不可靠信道
7)TCP的首部开销有20个字节,而UDP的首部开销只有8个字节
TCP报文格式

序号:该报文段在整个报文中的序号,为本报文段发送的第一个字节的序号,比如该报文段第一个字节的序号为100,则该报文段的序号为100
确认序号:指明下一个期待收到的字节序号,比如当前报文段的序号为100,报文段的数据部分共有200个字节,则确认序号为100+200=300
首部长度:TCP报文首部长度,也是TCP报文数据部分的偏移量,以为存在选项部分
保留位:目前没有被使用,设置为0
标志位:
URG=1:紧急比特,报文中有紧急数据,应该尽快传递
ACK=1:确认比特,说明该报文是一个发送方返回的确认报文
PSH=1:推送比特,指示接收方在接收到报文后应该尽快交给应用进程,而不是等到整个缓存填满才发送给应用进程
RST=1:复位比特,TCP连接中出现严重差错,必须释放连接,然后重新建立连接
SYN=1:同步比特,表示TCP连接正在建立中,该报文是一个协商报文
FIN=1:终止比特,发送端已完成数据传输,请求释放连接
窗口大小:接收窗口的大小,表示接收端希望接受的字节数
校验和:反码求和,发送端计算,结果存入校验和字段,接收端校验,校验结果和校验和字段结果不同则丢弃报文,相同也不代表该报文没有出错,所以TCP的校验机制不能检查出所有等到错误,所以我们需要在应用层建立一套新的数据校验机制:MD5加密,在发送数据前使用MD5加密,并且将MD5摘要一起发送,接收端接收数据后再次进行MD5加密,加密结果等于发送的加密密钥则数据没有出错,不等于在数据出错了,抛弃该报文
紧急指针:仅在紧急比特URG=1时才有效,指明该TCP报文中紧急数据的字节数,同时也指明了紧急数据的末尾位置,因为紧急数据后面就是普通数据,即使窗口为0,也可以发送紧急数据
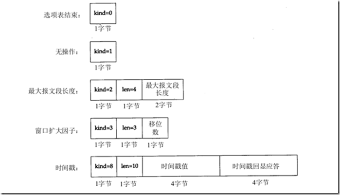
选项:(TCP报文除开选项和数据部分,总共20个字节)

UDP报文格式:(UDP报文首部8个字节)

MAC帧格式:

以太网的帧格式:

Preamble:前导同步码7个字节+帧开始定界符1个字节=8个字节
Destination MAC adress:目的MAC地址
Source MAC adress:源MAC地址
Type/Length:帧类型
User date :数据信息
Frame Check Sequence:帧校验序列
因此以太网帧的范围是72-1526字节
最后
以上就是饱满方盒最近收集整理的关于TCP报文格式+UDP报文格式+MAC帧格式 TCP报文格式+UDP报文格式+MAC帧格式 的全部内容,更多相关TCP报文格式+UDP报文格式+MAC帧格式内容请搜索靠谱客的其他文章。
发表评论 取消回复