你真的知道传递函数吗?在Simulink中正确实现?然后错误表明您没有为您的工作区块分配正确的变量名称,您只保留了默认的 VariableName . 对于频率响应,您需要使用 tf 在Simulink外部定义传递函数,然后使用 bodeplot 绘制它 . (看看这些答案的结尾)
但在我看来,你有一些 inputdata 和一些 outputdata 并且你想 estimate the transfer function 并最终获得该传递函数的频率响应 . Simulink没有必要这样做 . 找到传递函数后,可以使用 Transfer function 块将其实现到Simulink中,使用 From Workspace 块提供模拟,并使用 Scope 显示结果 . 但首先你需要转移功能 .
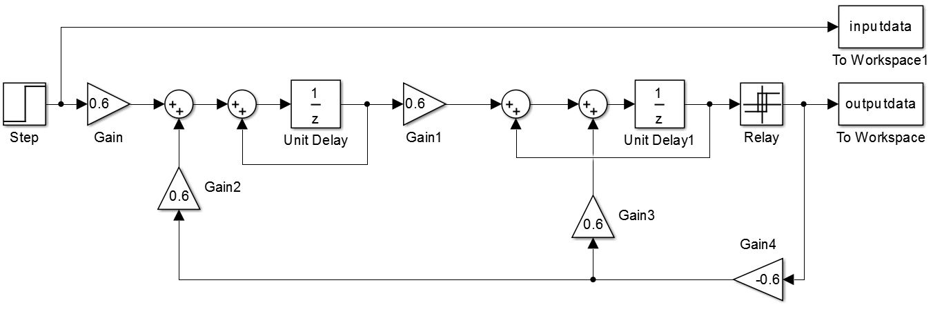
假设您有变量 inputdata 和 outputdata ,首先需要创建传递函数数据集:
% prepare data for tftest, 100 is a random chosen sampling time
tfdata = iddata(data(:,1),data(:,2),100);
那么您可以使用 tfest 来估算具有选定极数的传递函数:
N = 5; % Number of poles
sys = tfest(tfdata,N);
您获得的频率响应,例如与 bodeplot :
bodeplot(sys)
您打算使用的函数 FREQZ 仅用于数字滤波器,而不用于传递函数 .
最后,您可以使用Simulink测试您的模型:

其中 Transfer Fcn 块的分子是 sys.num{1} ,分母 sys.den{1} (对于我的例子) .
如果 Scope 中显示的图表(请注意您应在范围设置中禁用"Limit Data points to last 5000")与 outputdata 类似,则估算成功 .
我为你的模型做了一个测试:(固定步长求解器,没有连续状态,0.0001步进时间) .

然后是以下代码:
tfdata = iddata(inputdata,outputdata,0.0001);
N = 5;
sys = tfest(tfdata,N);
bodeplot(sys)
返回:
sys =
From input "u1" to output "y1":
-2068 s^4 + 2.89e06 s^3 + 7.017e10 s^2 + 5.205e13 s - 8.931e15
-------------------------------------------------------
s^5 + 1.034e04 s^4 + 4.552e07 s^3 + 1.114e11 s^2 + 8.337e13 s + 8.931e15
和:

或将其转换为离散的:
sysd = c2d(sys,0.0001)
sysd =
From input "u1" to output "y1":
-0.0995 z^-1 + 0.4644 z^-2 - 0.7491 z^-3 + 0.5061 z^-4 - 0.1219 z^-5
-------------------------------------------------------
1 - 4.042 z^-1 + 6.554 z^-2 - 5.332 z^-3 + 2.176 z^-4 - 0.3556 z^-5
我无法帮助你,无论如何这都是功课,对吧?所以其余的由你决定 . 老实说,手工计算吧!它会更准确!
最后
以上就是雪白水蜜桃最近收集整理的关于matlab simulink 传递函数,如何从Simulink模型获取传递函数到Matlab的全部内容,更多相关matlab内容请搜索靠谱客的其他文章。
发表评论 取消回复