基于FPGA的FFT算法实现
- 项目简述
- FFT IP的定制及详解
- Block Design设计
- 仿真结果
- 总结
项目简述
前面的一篇博客我们已经讲解了FFT算法的发展历程,至于FFT的原理感兴趣的同学可以查阅书本数字信号处理,书本上面的知识特别详细,这里我也就不多说了。接下来我们将利用FPGA实现FFT算法,我们本次实验会利用IP核来实现,但是后面的文章会讲解verilog实现FFT过程。
本次实验所用到的软硬件环境如下:
1、VIVADO2019.1软件环境
2、Modelsim10.7c仿真环境
FFT IP的定制及详解
我们找到FFT的IP核如下:


1、这里我们选择1路信号的FFT变换。
2、FFT变换的点数,我们这里是1024点与前面MATLAB中的设置保持一致。
3、模块的参考时钟频率我们选择100MHz。
4、选择实现FFT的算法,我们使用基2算法

1、我们这里的数据格式选择成定点数即可。
2、缩放比例我们选择成块浮点数,这里是指将FFT每层的运算进行一定缩放,使得最后的结果大小适当。
3、这里选择数据的缩放直接选择截断数据。
4、输入数据的位宽,我们这里选择成16位。
5、相位因子的位宽,这与FFT内部相频的精度有关,这里我们选择默认即可。
6、FFT输出有两种顺序,也就是自然顺序和位反转顺序,我们一般选择自然顺序方便我们之后的处理。

1、数据我们使用块RAM。
2、相位我们也使用块RAM
3、复数乘法我们使用4乘法器结构
4、乘法使用DSP内部的专用乘法器,效果好一点。
这里我们还要注意IP定制界面的下面信息:


从上面的信息中我们可以看到,输入输出数据的高16位代表复数的虚数位,低16位代表复数的实数位。
S_AXIS_CONFIG输入为1代表傅里叶正变换,0代表傅里叶逆变换。
Block Design设计
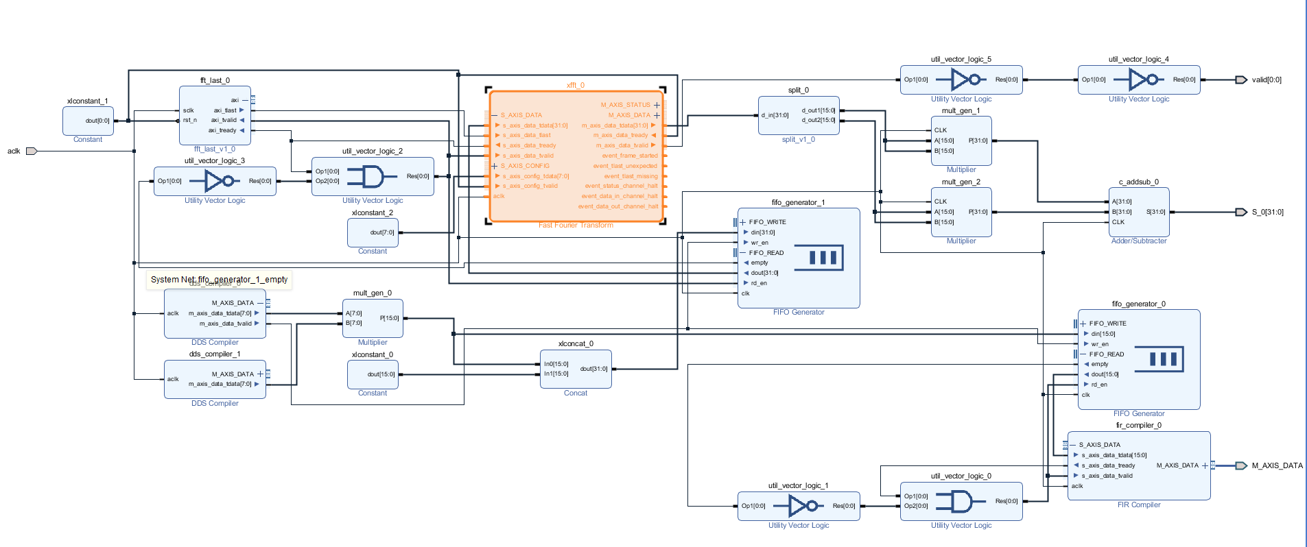
我们本次实验将继续上次的实验进行讲解。在上一章的block design中加入相应的FFT的IP核,如下:

上面的设计我们严格遵循了AXI-stream的数据协议,当然因为该项目简单AXI中的ready信号一直为高,可以简化设计。同时注意,上面有我们自定义的IP核,代码如下:
fft_last模块:
`timescale 1ns / 1ps
// *********************************************************************************
// Project Name : OSXXXX
// Author : zhangningning
// Email : nnzhang1996@foxmail.com
// Website :
// Module Name : fft_last.v
// Create Time : 2020-04-04 22:18:25
// Editor : sublime text3, tab size (4)
// CopyRight(c) : All Rights Reserved
//
// *********************************************************************************
// Modification History:
// Date By Version Change Description
// -----------------------------------------------------------------------
// XXXX zhangningning 1.0 Original
//
// *********************************************************************************
module fft_last(
input sclk ,
input rst_n ,
input axi_tvalid ,
input axi_tready ,
output reg axi_tlast
);
//========================================================================================
//**************Define Parameter and Internal Signals**********************************
//========================================================================================/
reg [10:0] cnt ;
//========================================================================================
//************** Main Code **********************************
//========================================================================================/
always @(posedge sclk or negedge rst_n)
if(rst_n == 1'b0)
axi_tlast <= 1'b0;
else if(cnt == 1023 && axi_tready == 1'b1 && axi_tlast == 1'b1)
axi_tlast <= 1'b1;
else
axi_tlast <= 1'b0;
always @(posedge sclk or negedge rst_n)
if(rst_n == 1'b0)
cnt <= 11'd0;
else if(cnt == 1023 && axi_tready == 1'b1 && axi_tlast == 1'b1)
cnt <= 11'd0;
else if(axi_tready == 1'b1 && axi_tlast == 1'b1)
cnt <= cnt + 1'b1;
else
cnt <= cnt;
endmodule
split模块:
`timescale 1ns / 1ps
// *********************************************************************************
// Project Name : OSXXXX
// Author : zhangningning
// Email : nnzhang1996@foxmail.com
// Website :
// Module Name : split.v
// Create Time : 2020-04-04 22:48:43
// Editor : sublime text3, tab size (4)
// CopyRight(c) : All Rights Reserved
//
// *********************************************************************************
// Modification History:
// Date By Version Change Description
// -----------------------------------------------------------------------
// XXXX zhangningning 1.0 Original
//
// *********************************************************************************
module split(
input [31:0] d_in ,
output wire [15:0] d_out1 ,
output wire [15:0] d_out2
);
//========================================================================================
//**************Define Parameter and Internal Signals**********************************
//========================================================================================/
//========================================================================================
//************** Main Code **********************************
//========================================================================================/
assign {d_out2,d_out1} = d_in;
endmodule
仿真结果
我们对上面的工程进行仿真,仿真结果如下:

从上面的仿真你图形可以验证我们实验的正确性。
总结
创作不易,认为文章有帮助的同学们可以关注、点赞、转发支持。(txt文件、图片文件在群中)对文章有什么看法或者需要更近一步交流的同学,可以加入下面的群:

最后
以上就是平常小鸽子最近收集整理的关于基于FPGA的FFT算法实现项目简述FFT IP的定制及详解Block Design设计仿真结果总结的全部内容,更多相关基于FPGA的FFT算法实现项目简述FFT内容请搜索靠谱客的其他文章。
发表评论 取消回复