介绍
ADALM2000是ADI推出的9合1的便携式测试测量仪器,有如下功能:
- 双通道USB数字示波器
- 双通道任意函数发生器
- 16通道数字逻辑分析仪(兼容3.3V CMOS和1.8V或5V,100MS/s)
- 16通道模式发生器(3.3V CMOS,100MS/s)
- 16通道虚拟数字I/O
- 用于链接多个仪器的两个输入/输出数字触发信号(3.3V CMOS)
- 单通道电压表(AC、DC、±20V)
- 网络分析仪 – 电路波特、奈奎斯特、尼克尔斯传输图。范围:1Hz至10MHz
- 频谱分析仪 – 功率频谱和频谱测量(噪底、SFDR、SNR、THD等)
- 数字总线分析仪(SPI、I²C、UART、并行)
- 两个可编程电源(0…+5V、0…-5V)


ADALM2000使用的配套PC端的软件为Scopy,这是一个开源的软件,提供直观的用户图形界面。
示波器
ADALM2000的示波器可以基本满足10MHz以内波形的测量,超过10MHz信号的示波器不推荐使用ADALM2000这个仪器来测了,但如果真要比较准确测量的话,建议测量6MHz以下的信号。

信号发生器
在信号发生器产生正弦波频率达到20MHz以上时,正弦波波形信号出现变形失真,幅度有所衰减。

电压源
ADALM2000的电压源可以实现-50V,0+5V供电,并可可实现两路单独的供电或者跟随供电功能,不过只提供50mA的电流。

电压表
ADALM2000的电压表功能可以实现+/-20V DC/AC测量。

频谱分析仪
ADALM2000的频谱分析仪功能可以测量功率频谱和频谱测量(包括噪底、SFDR、SNR、THD等)。

网络分析仪
ADALM2000的网络分析仪功能具有三种测试频率反馈的方式,如:电路波特、奈奎斯特、尼克尔斯传输图,测量频率的范围为:1Hz至10MHz。

开源资料
硬件设计:https://wiki.analog.com/university/tools/m2k/devs/hardware
固件:https://github.com/analogdevicesinc/m2k-fw
开源上位机scopy:https://codeload.github.com/analogdevicesinc/scopy/zip/refs/heads/master
原理图学习
输入输出端口电路


- 外部信号从接插件P1输入,经过220欧姆的热敏电阻(作用类似于自恢复保险丝,用来限流),再经过两个钳位二极管,最后直接连接到FPGA的IO口。
- 这部分接口用来实现逻辑分析仪功能。

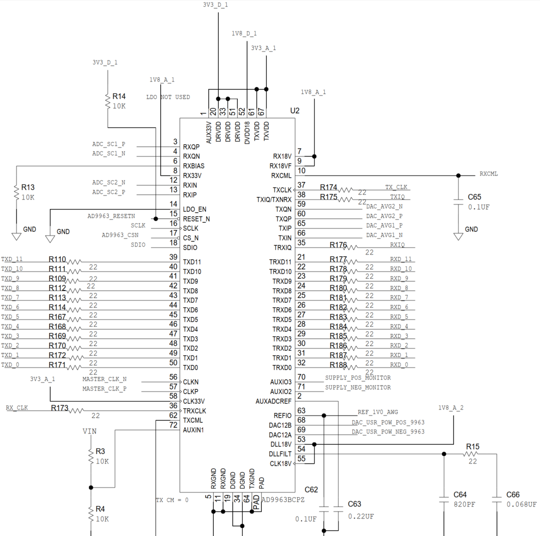
ADC、DAC电路


- AD9963包含了双通道10位/12位、100 MSPS的ADC和双通道10位/12位、170 MSPS的DAC。

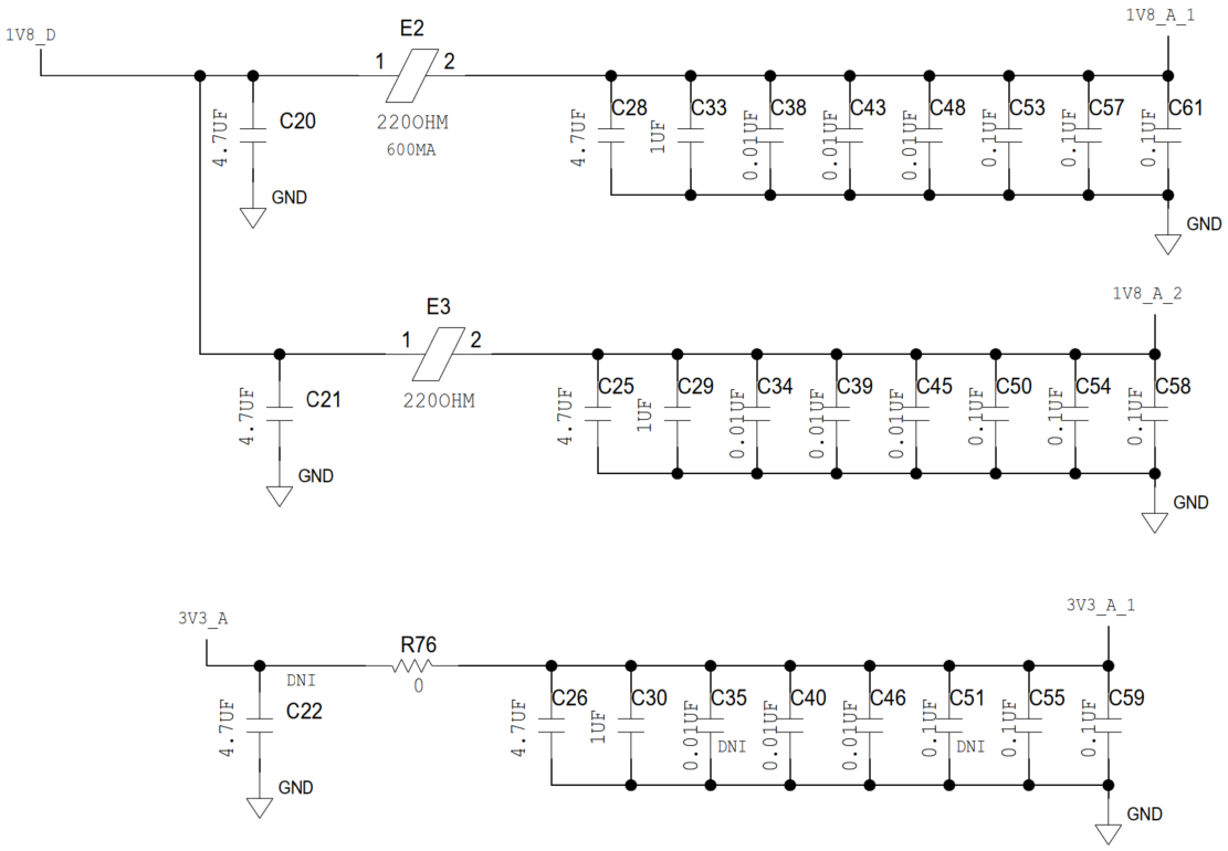
- 供电电源使用了磁珠构成Π型LC滤波电路。
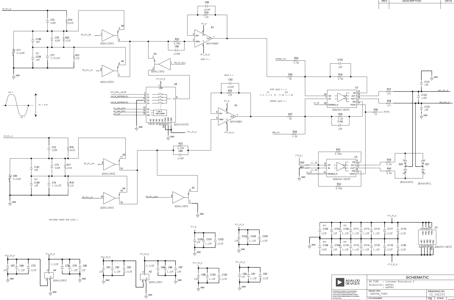
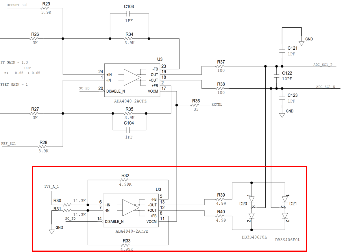
示波器输入


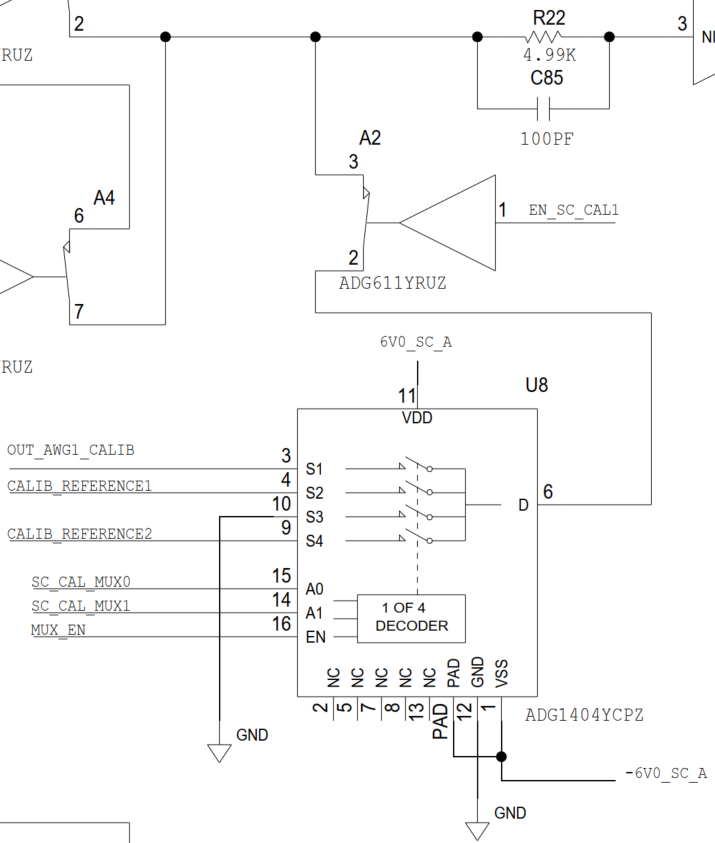
- 示波器支持差分输入,因此输入分为P、N,ADG612是四通道单刀单掷模拟开关,1脚和9脚、8脚和16脚控制信号相同,他们控制P、N输入信号的衰减。

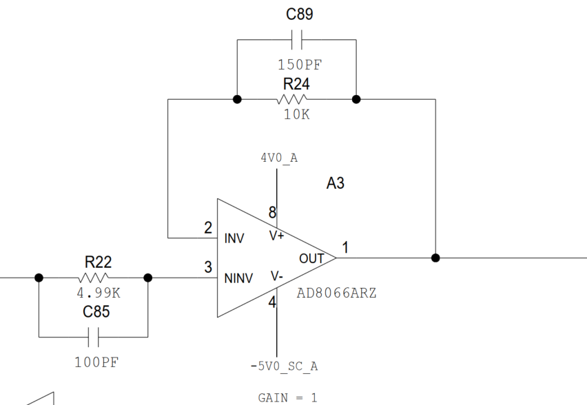
- 衰减后的信号进入电压跟随器,R22、R24起限流作用,C89和R24并联构成低通滤波器,截止频率为1/(2*pi*C89*R24)

- P端输入,可以通过给EN_SC_CAL1信号,把2脚、3脚闭合,来给P端输入参考信号(用来自我校准?),参考信号通过四选一模拟开关选择,可以为函数发生器的信号、GND、参考信号1、参考信号2。参考信号1、参考信号2通过分压电阻得到:


- 校准的时候,可以把6、7脚闭合,把N端接地。

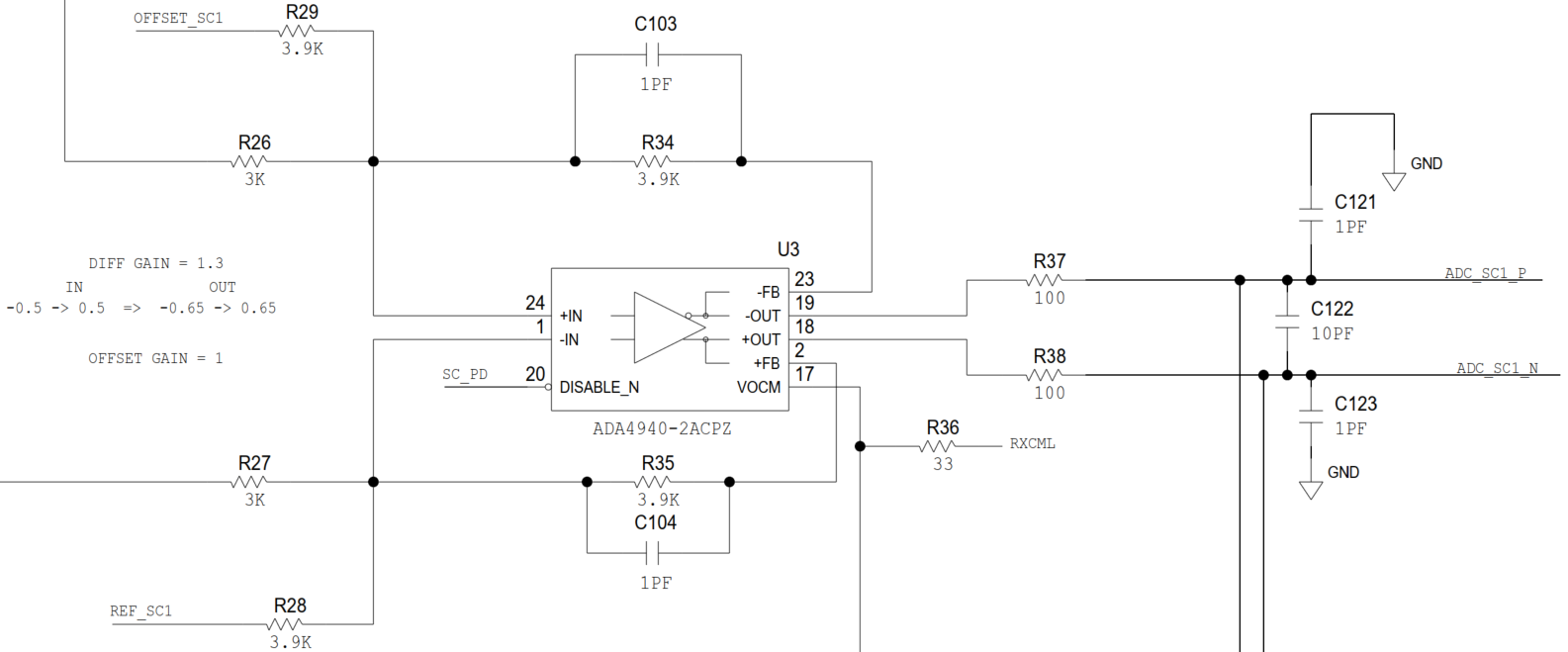
- P端、N端信号经过衰减、电压跟随器后送入ADA4940,ADA4940是单端转差分放大器,从ADA4940输出的差分信号直接送入ADC进行采样。
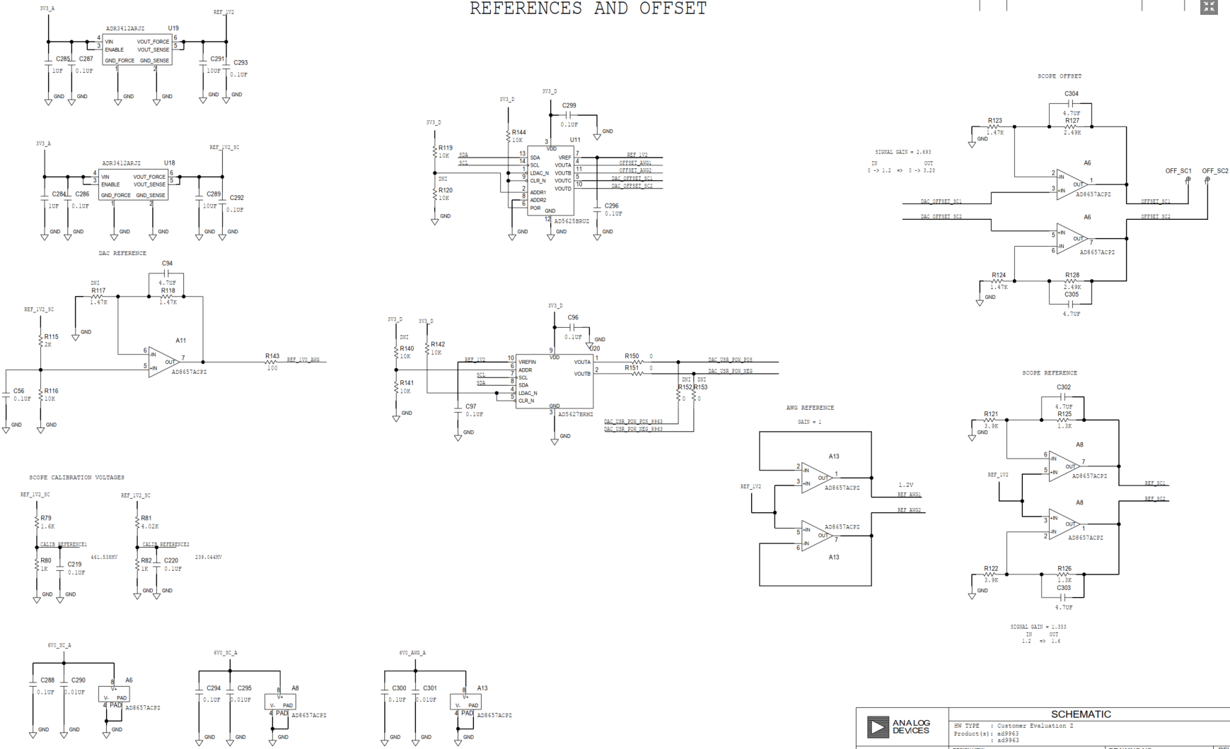
- P端上叠加了OFFSET_SC1,OFFSET_SC1是直流偏置电压,其电压值由DAC控制。
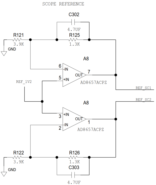
- N端上也叠加了REF_SC1,REF_SC1也是直流偏置电压,其电压值是固定的1.6V。
- 差分放大器的反馈电阻是3.9K,P端、N端输入信号串入的电阻是3K,因此P端与N端的差模分量会被放大3.9K/3K倍,即1.3倍。直流偏置电压串入的电阻是3.9K,因此REF_SC2与OFFSET_SC2的差模分量会被放大1倍。
- ADA4940输出差分信号的共模分量与输入信号无关,由VCOM脚指定,而VCOM脚的电压来自ADC。
- 差模分量等于两个输入电压差的一半,共模分量等于两个输入电压和的一半,因此输出关系式为:


- ADC芯片AD9963提供了1.4V的共模分量电压给差分放大器使用。

- DAC的输出电压被放大2.693倍。

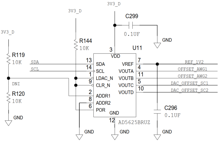
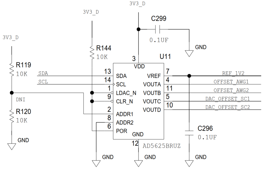
- P端上的直流偏置电压由DAC芯片AD5625控制。

- N端上的直流偏置电压是固定的1.6V。

- 输入到ADC的差分信号还要经过上图所示钳位电路(限幅电路)。
- Vout+和Vout-之间的差模分量为:(1.8V-0V)/2*4.99/11.3=0.39。因此Vout+的电压为1.4V+0.39V=1.79V,Vout-的电压为1.4V-0.39V=1.01V。
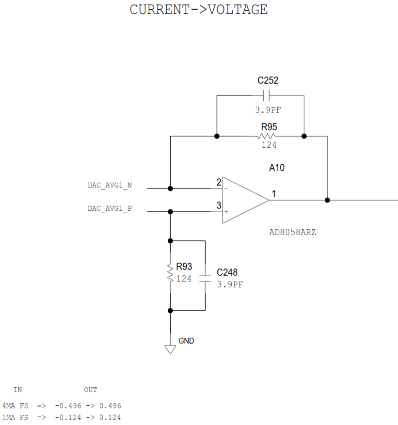
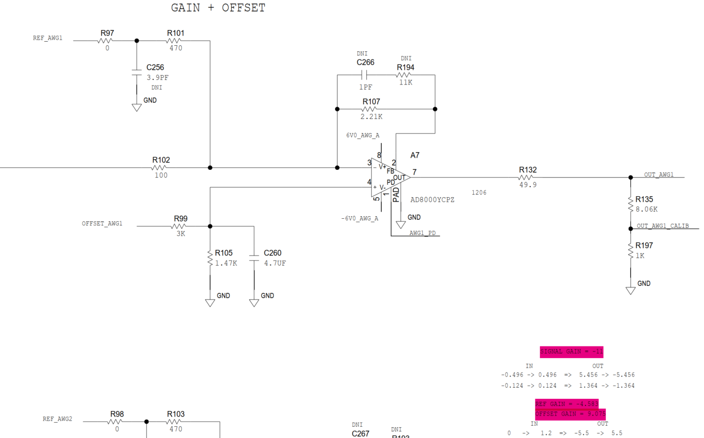
函数发生器前端电路


- AD9963输出的DAC信号为电路信号,通过AD8058转成电压信号,4MA转为 -0.496 -> 0.496

- REF_AWG1为固定的1.2V
- OFFSET_AWG1的电压由DAC控制。
- 把电压经过偏移和放大后直接送出。


参考和偏移电路



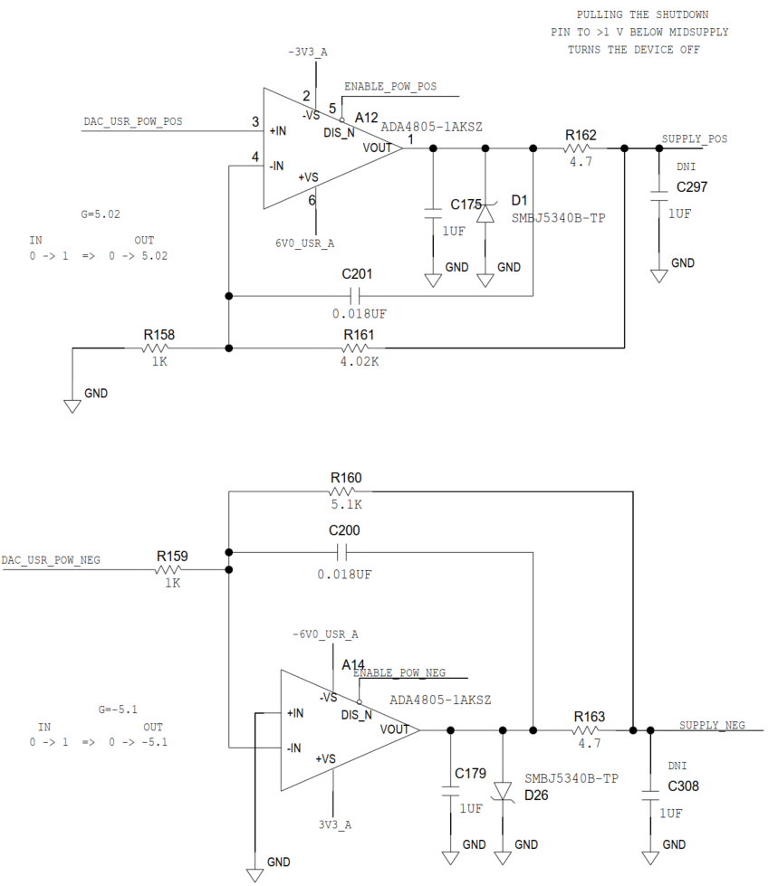
可编程电源电路

- 电压大小由DAC AD5627控制。

- DAC出来的电压进入ADA4808,放大5.1倍,输出0~5.1V和0~-5.1V的电压。
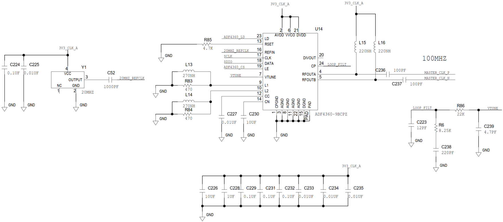
时钟电路

USB PHY

最后
以上就是高高心情最近收集整理的关于开源示波器ADALM2000介绍、原理图学习介绍原理图学习的全部内容,更多相关开源示波器ADALM2000介绍、原理图学习介绍原理图学习内容请搜索靠谱客的其他文章。
本图文内容来源于网友提供,作为学习参考使用,或来自网络收集整理,版权属于原作者所有。
发表评论 取消回复