##MATLAB之Simulink(四)
##两位二进制数加法器
在上一节中,我们学习了全加器的原理并且进行了仿真,今天我们来做一个实例——两位二进制数的加法器。
由于全加器有三个输入,其中一个是由低位的进位输入进来的,但是最低位只有两个输入,所以两个最低位相加不能用加法器,那么应该如何相加呢?这里给大家介绍另一种加法器——半加器。
半加器定义:
两个1位二进制数相加,若只考虑了两个加数本身,而没有考虑由低位来的进位的运算称为半加,而实现半加运算的逻辑电路称为半加器。
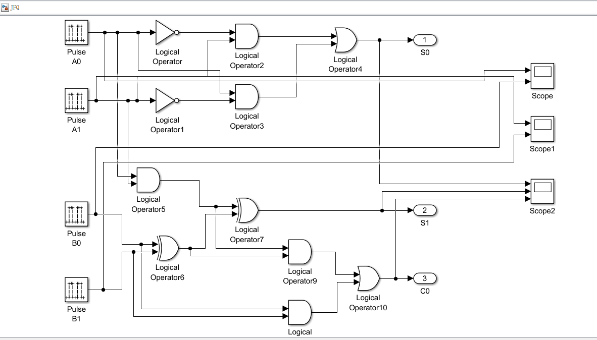
也就是说,半加器仅适用于一位二进制数的相加,不需要考虑低位的进位。所以我们需要用到一个半加器和一个全加器,半加器用来计算两个低位的结果,全加器用来计算两个高位的结果,同时考虑低位的进位。
一般情况下,用A、B来表示两个一位二进制加数,用S表示A、B的和,C表示A、B的进位。
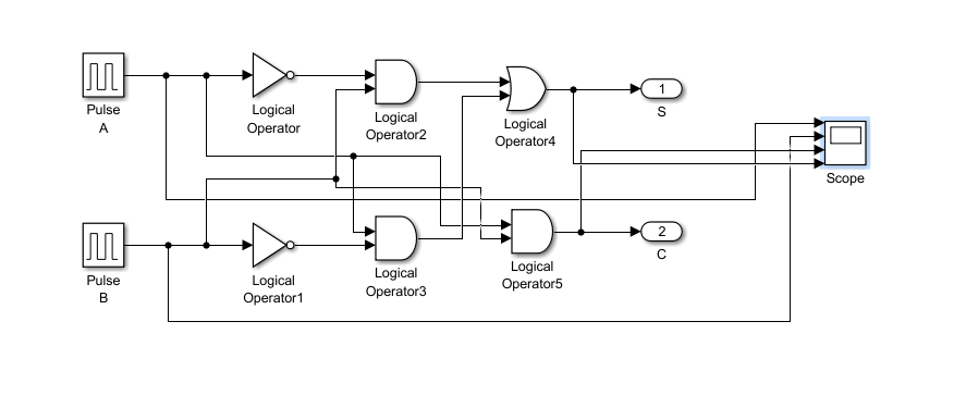
先来仿真一下半加器:
列出真值表

得出表达式:


根据表达式,很容易可以作出半加器的模型
(过程这里不再多说,不懂得朋友请看我的上一篇全加器的文章)
我们假设输入的数分别为00、01、10、11,那么输入矩形波的设置应该是这样:
我们用示波器连接两个输入和两个输入,观察仿真结果:

这里有四行波形,第一行为加数A,第二行为加数B,第三行为S,第四行为C。
不难看出,仿真结果与真值表相对应,半加器仿真成功!
接下来,我们直接将一个半加器和一个全加器合并在一起稍微修改,就可以得到一个两位二进制数的加法器:
这里需要注意的是,半加器用来计算两个低位,全加器用来计算两个高位,全加器中的进位输入由半加器的进位输出连接。
在这幅图中,A0,A1表示两个低位,B0,B1表示两个高位。
我们用三个示波器分别表示第一个加数、第二个加数和结果。
接下来我们看仿真结果:
第一个加数:

第二个加数:
结果:

注意:每幅图都是低位在上,高位在下。
我们进行验证,不难发现仿真结果正确。
这就是两位二进制加法器的仿真过程,掌握这个方法后很容易设计出多位二进制加法器,没错,只要增加几个全加器就可以了。
##以上就是本节的全部内容,后续内容会逐渐上传,相关源码也会统一上传,也可以到公众号私聊我要。
##不足之处请及时指出,相互学习
##不懂得小伙伴可以到我的公众号"歌者X"私信我,看到后会回复的,欢迎交流学习!
下面是我的公众号

最后
以上就是虚心人生最近收集整理的关于MATLAB之Simulink(四)两位二进制数加法器的全部内容,更多相关MATLAB之Simulink(四)两位二进制数加法器内容请搜索靠谱客的其他文章。
发表评论 取消回复