MT2625参考设计资料:

内容包括:
MT2625介绍
MT2625 Design Notice – Baseband
MT2625 Design Notice – PMU
MT2625 Design Notice – RF
MT2625 Design Notice – Issue Case Study
资料来自一牛网论坛
MT2625介绍:
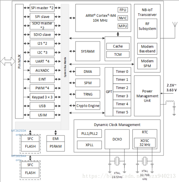
MT2625平台功能:
NB-IOT transceiver:
3GPP R13/R14
Support RF band (B1/B2/B3/B5/B8/B11/B12/B13/B17/B18/B19/B20/B21/B25/B26/B28/B31/B66/B70/B71)
Support PSM and eDRX mode
Microcontroller subsystem :
104MHz ARM® Cortex®-M4
MCU operation frequency=26/78/104MHz
Memory :
Up to 32KB SYSRAM
Up to 32KB L1 cache
Embedded 32Mbit flash
Max frequency=78MHz
Embedded 32Mbit pSRAM
Max frequency=78MHz
Integrated Power management Unit
3 Bucks with low quiescent current
4 LDO
Interfaces
SDIO, I2C, UART, SPI, I2S, PWM, AUXADC, Keypad
GPIO*37, EINT
MIPI/BPI for RF control interface
SIM
USB (need external USB 3.3V power)
Clock source :
26MHz crystal
32kHz crystal or internal 32kHz RC
Package:
121 balls, 0.5mm pitch
5.6mmx5.6mmx1.05mm
TFBGA package
MT 2625平台框图:

最后
以上就是清爽冰棍最近收集整理的关于MT2625参考设计最新资料介绍的全部内容,更多相关MT2625参考设计最新资料介绍内容请搜索靠谱客的其他文章。
发表评论 取消回复