【本文发布于https://blog.csdn.net/Stack_/article/details/116952678,未经许可不得转载,转载须注明出处】
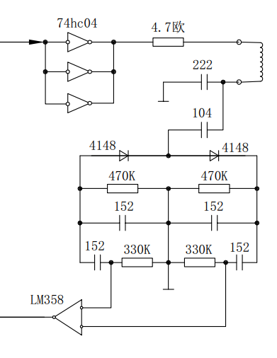
一、读卡电路原理图

这个图是别人画的,不是太懂原理。
MCU产生125K 方波,经过74HC04和4.7欧电阻后到达铜质线圈,ID卡靠近线圈,LM358会输出“曼彻斯特编码”的数据。MCU采集后校验通过得到卡号。
二、曼彻斯特码
【参考资料】
曼彻斯特编码的ID卡每次输出64bit数据,其载波编码为曼彻斯特码。

曼彻斯特码调制方式下,EM4100卡片每传送一位数据的时间是64个振荡周期。
125KHZ载波时,卡片传送一bit数据理论频率为125KHz / 64 = 1.953125KHz。
得一个周期为1 000 000us / 1.953125KHz = 512us。
曼彻斯特码一个完整的数据跳变为一个周期(512us),
存在空跳则半个跳变为半个周期(256us)。
假设MCU的PC5产生125K方波,PD2作检波。PD2配置为外部中断输入,且中断触发方式为上升沿&下降沿。
- 如果捕获到一个边沿,距离上一个边沿时间为512us,则读取此时的PD2电平:
| 低电平 | 此bit为1 |
|---|---|
| 高电平 | 此bit为0 |
- 如果捕获到一个边沿,距离上一个边沿时间为256us,则此次不作判断;
再次捕获到一个边沿时,判断:
| 上次bit = 1 | 此次bit为1 |
|---|---|
| 上次bit = 0 | 此次bit为0 |
| 或者 | |
| PD2 = 0 | 此次bit为1 |
| PD2 = 1 | 此次bit为0 |
三、接收解析程序
以STM8S103为例,主频16MHz
/**
* @brief 定时器
* @note
* @param None
* @retval None
* @author PWH @ CSDN Tyrion.Mon
* @date 2020
*/
void Tim1_Init(void)
{
Tim1_DeInit();
TIM1_TimeBaseInit(1, TIM1_COUNTERMODE_UP, 9999, 0); //2分频,计数模式-向上,溢出值,重载值
TIM1_ARRPreloadConfig(ENABLE);//使能数值自动重装载功能
TIM1_Cmd(ENABLE);
}
根据此配置得
| 计数器频率 | 16MHz / 2 = 8MHz |
|---|---|
| 计数周期 | 1000000us / 8MHz = 0.125us |
| 一个周期(512us)计数值为 | 512us / 0.125 = 4096 |
| 半个周期(256us)计数值为 | 256us / 0.125 = 2048 |
因为一次传输64bit,所以一次接收128bit数据,其中肯定包含完整的一组数据。
用一个数组存储采集的数据
uint8_t ManchesterCodeBits[16] = {0}; //125KhzID卡 曼彻斯特码(Manchester code) 一次输出64位数据信息 ,采集两组 64bit*2 = 128bit 128/8=16Bytes
/**
* @brief 外部中断配置
* @note
* @param None
* @retval None
* @author PWH @ CSDN Tyrion.Mon
* @date 2020
*/
void Exti_init(void)
{
GPIO_Init(GPIOD,GPIO_PIN_2,GPIO_MODE_IN_PU_IT);
EXTI_SetExtIntSensitivity(EXTI_PORT_GPIOD, EXTI_SENSITIVITY_RISE_FALL);
}
uint8_t CodeBitsRecComplete = 0; //为0接收,为1校验
/**
* @brief PD中断服务函数
* @note
* @param None
* @retval None
* @author PWH @ CSDN Tyrion.Mon
* @date 2020
*/
INTERRUPT_HANDLER(EXTI_PORTD_IRQHandler, 6)
{
static uint8_t BitsCnt = 0; //接收到的bit计数,接收完128bit后暂停接收,进入校验步骤
uint8_t Value = 0;
uint16_t temp = 0;
static uint8_t flag = 0;
if (!CodeBitsRecComplete)
{
temp |= TIM1->CNTRH;
temp <<= 8;
temp |= TIM1->CNTRL; //temp为计数器当前值
if (temp > 3000 && temp < 5000) // 1个周期计数值约4096
{
TIM1->CR1 &= 0xFE; //关定时器
TIM1->CNTRH = 0; //清零计数器
TIM1->CNTRL = 0;
TIM1->CR1 |= 0x01; //开定时器
if (flag) //上一个跳变为空跳
{
Value = ((ManchesterCodeBits[(BitsCnt - 1) / 8] >> (7 - (BitsCnt - 1) % 8)) & 0x01) ? 1 : 0; //上一bit为1则为1,否则为0
}
else
Value = (GPIOD->IDR) & 0x04 ? 0 : 1;
flag = 0;
ManchesterCodeBits[BitsCnt / 8] |= (Value << (7 - BitsCnt % 8));
BitsCnt++;
if (BitsCnt > 127)
{
CodeBitsRecComplete = 1;
BitsCnt = 0;
}
}
else if (temp > 1000 && temp < 3000) // 1/2个周期计数值约2048
{
flag = 1; //检测到一个空跳
}
}
}
四、EM4100卡片64位数据存储格式和发送格式

| 引导码 | 1 1111 1111 (9bit) |
|---|---|
| D00 - D13 | 版本号之类的(8bit) |
| D20 - D93 | 卡号(32bit) |
| Px | 行校验 (10bit) |
| PCx | 列校验 (4bit) |
| S0 | 停止位 (1bit) |
| bit 0 - bit 8 | 引导位 1 1111 1111 (9bit) |
|---|---|
| bit 9 - bit 13 | D00 D01 D02 D03 P0 |
| bit 14 - bit 18 | D10 D11 D12 D13 P1 |
| … | … |
| bit 54 - bit 58 | D90 D91 D92 D93 P9 |
| bit 59 - bit 62 | PC0 PC1 PC2 PC3 |
| bit 63 | S0 |
五、数据校验程序
uint8_t GetBitValue(uint8_t bitsCnt)
{
return (ManchesterCodeBits[bitsCnt / 8] >> (7 - bitsCnt % 8)) & 0x01;
}
/**
* @brief 数据校验
* @note 此函数在主循环中执行,或放在过滤函数(例如连续多次读到的数据均无错误才认为读到卡)中执行
* @param pBuff 存储卡号的数组
* @retval None
* @author PWH @ CSDN Tyrion.Mon
* @date 2020
*/
uint8_t GetCardNO(uint8_t * pBuff)
{
uint8_t bitsCnt = 0;
uint8_t i = 0;
uint8_t j = 0;
uint16_t Value = 0;
uint8_t status = CARDFALSE;
if (!CodeBitsRecComplete) return CARDREADING; //有卡时,1秒满13次
//无卡,1秒4 - 6次
status = CARDFALSE;
/* 找 0 1 1111 1111 (1停止位+9引导位) 如果bit63-bit72仍不是,则没必要继续找 */
while (bitsCnt <= 63)
{
Value = 0;
for (j = 0; j <= 9; j++)
{
Value <<= 1;
Value |= GetBitValue(bitsCnt + j);
}
if ( Value == 0x01ff ) //找到 0 1 1111 1111
{
bitsCnt += 10; //跳过停止位和引导位
break;
}
else //没 找到 0 1 1111 1111
{
bitsCnt++;
}
}
/* 找到了 0 1 1111 1111 */
if (bitsCnt != 64)
{ /* 数据行0校验 */
if ( (GetBitValue(bitsCnt) + GetBitValue(bitsCnt + 1) + GetBitValue(bitsCnt + 2) + GetBitValue(bitsCnt + 3)) % 2 == GetBitValue(bitsCnt + 4) )
{ /* 数据行1校验 */
if ( (GetBitValue(bitsCnt + 5) + GetBitValue(bitsCnt + 6) + GetBitValue(bitsCnt + 7) + GetBitValue(bitsCnt + 8)) % 2 == GetBitValue(bitsCnt + 9) )
{ /* 数据行2校验 */
if ( (GetBitValue(bitsCnt + 10) + GetBitValue(bitsCnt + 11) + GetBitValue(bitsCnt + 12) + GetBitValue(bitsCnt + 13)) % 2 == GetBitValue(bitsCnt + 14) )
{ /* 数据行3校验 */
if ( (GetBitValue(bitsCnt + 15) + GetBitValue(bitsCnt + 16) + GetBitValue(bitsCnt + 17) + GetBitValue(bitsCnt + 18)) % 2 == GetBitValue(bitsCnt + 19) )
{ /* 数据行4校验 */
if ( (GetBitValue(bitsCnt + 20) + GetBitValue(bitsCnt + 21) + GetBitValue(bitsCnt + 22) + GetBitValue(bitsCnt + 23)) % 2 == GetBitValue(bitsCnt + 24) )
{ /* 数据行5校验 */
if ( (GetBitValue(bitsCnt + 25) + GetBitValue(bitsCnt + 26) + GetBitValue(bitsCnt + 27) + GetBitValue(bitsCnt + 28)) % 2 == GetBitValue(bitsCnt + 29) )
{ /* 数据行6校验 */
if ( (GetBitValue(bitsCnt + 30) + GetBitValue(bitsCnt + 31) + GetBitValue(bitsCnt + 32) + GetBitValue(bitsCnt + 33)) % 2 == GetBitValue(bitsCnt + 34) )
{ /* 数据行7校验 */
if ( (GetBitValue(bitsCnt + 35) + GetBitValue(bitsCnt + 36) + GetBitValue(bitsCnt + 37) + GetBitValue(bitsCnt + 38)) % 2 == GetBitValue(bitsCnt + 39) )
{ /* 数据行8校验 */
if ( (GetBitValue(bitsCnt + 40) + GetBitValue(bitsCnt + 41) + GetBitValue(bitsCnt + 42) + GetBitValue(bitsCnt + 43)) % 2 == GetBitValue(bitsCnt + 44) )
{ /* 数据行9校验 */
if ( (GetBitValue(bitsCnt + 45) + GetBitValue(bitsCnt + 46) + GetBitValue(bitsCnt + 47) + GetBitValue(bitsCnt + 48)) % 2 == GetBitValue(bitsCnt + 49) )
{ /* 数据列0校验 */
if ( (GetBitValue(bitsCnt) + GetBitValue(bitsCnt + 5) + GetBitValue(bitsCnt + 10) + GetBitValue(bitsCnt + 15) + GetBitValue(bitsCnt + 20) + GetBitValue(bitsCnt + 25) + GetBitValue(bitsCnt + 30) + GetBitValue(bitsCnt + 35) + GetBitValue(bitsCnt + 40) + GetBitValue(bitsCnt + 45)) % 2 == GetBitValue(bitsCnt + 50) )
{ /* 数据列1校验 */
if ( (GetBitValue(bitsCnt + 1) + GetBitValue(bitsCnt + 6) + GetBitValue(bitsCnt + 11) + GetBitValue(bitsCnt + 16) + GetBitValue(bitsCnt + 21) + GetBitValue(bitsCnt + 26) + GetBitValue(bitsCnt + 31) + GetBitValue(bitsCnt + 36) + GetBitValue(bitsCnt + 41) + GetBitValue(bitsCnt + 46)) % 2 == GetBitValue(bitsCnt + 51) )
{ /* 数据列2校验 */
if ( (GetBitValue(bitsCnt + 2) + GetBitValue(bitsCnt + 7) + GetBitValue(bitsCnt + 12) + GetBitValue(bitsCnt + 17) + GetBitValue(bitsCnt + 22) + GetBitValue(bitsCnt + 27) + GetBitValue(bitsCnt + 32) + GetBitValue(bitsCnt + 37) + GetBitValue(bitsCnt + 42) + GetBitValue(bitsCnt + 47)) % 2 == GetBitValue(bitsCnt + 52) )
{ /* 数据列3校验 */
if ( (GetBitValue(bitsCnt + 3) + GetBitValue(bitsCnt + 8) + GetBitValue(bitsCnt + 13) + GetBitValue(bitsCnt + 18) + GetBitValue(bitsCnt + 23) + GetBitValue(bitsCnt + 28) + GetBitValue(bitsCnt + 33) + GetBitValue(bitsCnt + 38) + GetBitValue(bitsCnt + 43) + GetBitValue(bitsCnt + 48)) % 2 == GetBitValue(bitsCnt + 53) )
{ /* 停止位 */
if (GetBitValue(bitsCnt + 54) == 0)
{
status = CARDTRUE;
/* 4字节卡号 */
pBuff[0] = GetBitValue(bitsCnt + 10) << 7 | GetBitValue(bitsCnt + 11) << 6 | GetBitValue(bitsCnt + 12) << 5 | GetBitValue(bitsCnt + 13) << 4 | GetBitValue(bitsCnt + 15) << 3 | GetBitValue(bitsCnt + 16) << 2 | GetBitValue(bitsCnt + 17) << 1 | GetBitValue(bitsCnt + 18);
pBuff[1] = GetBitValue(bitsCnt + 20) << 7 | GetBitValue(bitsCnt + 21) << 6 | GetBitValue(bitsCnt + 22) << 5 | GetBitValue(bitsCnt + 23) << 4 | GetBitValue(bitsCnt + 25) << 3 | GetBitValue(bitsCnt + 26) << 2 | GetBitValue(bitsCnt + 27) << 1 | GetBitValue(bitsCnt + 28);
pBuff[2] = GetBitValue(bitsCnt + 30) << 7 | GetBitValue(bitsCnt + 31) << 6 | GetBitValue(bitsCnt + 32) << 5 | GetBitValue(bitsCnt + 33) << 4 | GetBitValue(bitsCnt + 35) << 3 | GetBitValue(bitsCnt + 36) << 2 | GetBitValue(bitsCnt + 37) << 1 | GetBitValue(bitsCnt + 38);
pBuff[3] = GetBitValue(bitsCnt + 40) << 7 | GetBitValue(bitsCnt + 41) << 6 | GetBitValue(bitsCnt + 42) << 5 | GetBitValue(bitsCnt + 43) << 4 | GetBitValue(bitsCnt + 45) << 3 | GetBitValue(bitsCnt + 46) << 2 | GetBitValue(bitsCnt + 47) << 1 | GetBitValue(bitsCnt + 48);
}
}
}
}
}
}
}
}
}
}
}
}
}
}
}
}
for (i = 0; i < 16; i++)
{
ManchesterCodeBits[i] = 0;
}
CodeBitsRecComplete = 0;
return status;
}
在理解校验原理的基础上用循环结构对校验进行简写
if (bitsCnt != 64)
{
status = CARDTRUE;
/* 对10组行数据进行校验 */
for (i = bitsCnt; i <= (bitsCnt + 45); i += 5)
{
Value = 0;
for (j = 0; j <= 3; j++)
{
Value += GetBitValue(i + j); //每行4bit数据累加
}
if ( Value % 2 != GetBitValue(i + 4) )
{
status = CARDFALSE;
break;
}
}
if (status == CARDTRUE)
{
/* 对4组列数据进行校验 */
for (i = bitsCnt; i <= (bitsCnt + 3); i++)
{
Value = 0;
for (j = 0; j <= 45; j += 5)
{
Value += GetBitValue(i + j); //每列10bit数据累加
}
if ( Value % 2 != GetBitValue(i + 50) )
{
status = CARDFALSE;
break;
}
}
}
if (status == CARDTRUE)
{
/* 停止位 */
if (GetBitValue(bitsCnt + 54) == 0)
{
status = CARDTRUE;
/* 4字节卡号 */
for (i = 0; i < 4; i++)
{
pBuff[i] = 0;
for (j = 0; j <= 8; j++)
{
if (j != 4)
{
pBuff[i] <<= 1;
pBuff[i] |= GetBitValue(bitsCnt + (i + 1) * 10 + j);
}
}
}
}
else
status = CARDFALSE;
}
}
最后
以上就是积极跳跳糖最近收集整理的关于单片机读取ID卡(EM4100卡)/ 125KHz RFID 曼彻斯特码 读卡程序的全部内容,更多相关单片机读取ID卡(EM4100卡)/内容请搜索靠谱客的其他文章。
本图文内容来源于网友提供,作为学习参考使用,或来自网络收集整理,版权属于原作者所有。
发表评论 取消回复