| 嵌入式工程师成长之路 系列文章 总目录 |
|---|
| 系列文章总目录 |
| 希望本是无所谓有,无所谓无的,这正如脚下的路,其实地上本没有路,走的人多了,也便成了路 |
| 原创不易,文章会持续更新,欢迎微信扫码关注公众号 |
| 承接 小程序 / 嵌入式 / PC端项目开发,联系作者 |

| MOS管的知识已总结完毕: |
|---|
| 【专题2:电子工程师 之 硬件】 之 【44.MOS管的功能特点】 |
| 【专题2:电子工程师 之 硬件】 之 【45.AON6244 MOS管数据手册分析】 |
| 【专题2:电子工程师 之 硬件】 之 【46.MOS管的结构和极间电容】 |
| 【专题2:电子工程师 之 硬件】 之 【47.N型MOS管驱动电路】 |
| 【专题2:电子工程师 之 硬件】 之 【48.推挽电路驱动MOS管】 |
1.标题含义

60V指DS之间最大的正向耐压;N-Channel指N沟道Mos管。
注意:
在选型时要留一定的余量,譬如6244是60V耐压,但可能实际系统中的电压为30V,即给6244留了30V的余量,防止6244过度疲劳。Datasheet中的参数指的都是最大值,在设计电路时,实际值不要大于dataset中参数值即可。
2.参数解释

(1)a:D极和S极之间的电压最大为60V,如果给它提供大于60V的电压,该Mos可能不会正常工作。
(2)b:当GS之间的电压为10V时,D和S极之间的电流可以通过85A。
(3)c:当GS之间的电压为10V时,DS之间的电阻小于4.7mΩ。也就是当该Mos管完全导通时,DS之间的电阻小于4.7mΩ(相当于MOS管的内阻)。
注:
DS有一个电流流过时,MOS管的内阻越大,该MOS管发热和功耗也越大。AON6244是一个低电压大电流的MOS管;在选型时,该参数很重要,该参数过大,会使Mos管过热。
3.外形

表面有一个金属片,用于散热。
4.封装

为DFN5×6封装;左边引脚都为地,可以更好散热,而G极是流过小电流的,所以只要占一个引脚即可。
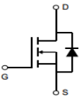
5.原理图符号(N型MOS管)

6.MOS管的英文简写MOSFET
MOS,metal oxide semiconductor 金属氧化物半导体
FET,field effect transistor 场效应晶体管
7.dataset中比较关键的参数
注:在设计时,一般比较关注:VGS、VDS、ID。
(1)第一部分参数

- a指DS之间的正向电压不能高于60V。
- b指GS之间的电压差最大为20V(G极接20V,S极接地或G极接-20V,S极接地)。
- c指完全导通时,DS能流过的最大电流;温度越高,能流过的电流最大值会减小。25℃时,DS能流过85A的电流;100℃时,DS只能流过59A的电流。这里的电流都是指额定电流。
- d指能DS之间能流过的最大浪涌电流为200A;85A是工作时DS能持续通过的最大电流,200A是工作时DS能瞬间流过的最大电流。
(2)第二部分参数

指Mos管上能承受的最大功率(Mos管内阻×DS之间的电流)。
(3)第三部分参数

- a指该Mos管的导通电压。
- b指当Mos管导通时,GS之间能通过的浪涌电流为200A。
(4)第四部分参数

上面的三个参数是衡量MOS管性能的重要指标,譬如Mos管的开通速度、关断速度和损耗。
(5)第五部分参数

MOS管门极(G极)到S极之间的电阻。
最后
以上就是如意夏天最近收集整理的关于【专题5:硬件设计】 之 【45.AON6244 MOS管数据手册分析】的全部内容,更多相关【专题5:硬件设计】内容请搜索靠谱客的其他文章。
发表评论 取消回复