文章更新或问题可关注本人公众号

回顾一下移动通信技术的发展,其实是互联网和通信技术的融合过程。在这个过程中,很多应用都在不断加入其中。比如计算机跟通信的融合产生了互联网、互联网跟手机的融合带来了移动互联网。手机可以看杂志、看视频、听音乐,于是又出现了内容服务产业;再后来,电视音箱等设备也能联网,于是网络跟家电又产生了融合。所以应用的出现总是在融合其他产业。在1995年,比尔·盖茨在《未来之路》一书中首次提出:在未来,我们希望对万物互联可控可管理。每一次的技术进步和发展,都不断把不同的行业和应用卷入到其中,因此带来了巨大的风口。随着今天5G的到来,它将开辟一片新的蓝海,对企业、对行业,车联网、物联网、工业互联网画像。
一、我们接触到的射频通信有哪些?

- Bluetooth,蓝牙,起源于爱立信,短距离无线通信标准,如手机和耳机之间的通信、计算机主机和打印机之间的通信等。

- Zigbee,主要应用在工业控制、消费类电子、设备和汽车自动化、家庭和楼宇自动化、医疗设备控制等领域,它是一个低速率、低功耗、低成本、低复杂度、价格便宜的短程无线通信网络标准。主要工作在ISM频段。

- UWB,超宽带通信。它不使用载波,而是使用短的能量脉冲序列,并通过正交频分调制(OFDM)或直接排序(DS)将脉冲扩展到一个频率范围内。 UWB设备具有其它无线通信设备所不能比拟的高速数据传输速率,其传输速率可以达到500Mbps,同时UWB设备有非常低的发射功率,可用于室内定位,也可应用于不停车收费系统ETC。

- RFID,射频识别,主要应用为超市电子防偷EAS、动物识别、集装箱识别、高速公路电子收费ETC、图书馆书籍管理、门票管理、门禁管理、体育运动管理。常见的工作频段为125kHz~135kHz、 13.56MHz和868~928MHz。

- WLAN,即WiFi、 802.11通信标准,主流标准为802.11a、 802.11b、 802.11g,目前802.11n也越来越受到关注, 802.11ac最大带宽达到160MHz。

- WiMAX, 802.16通信标准,主流标准为802.16d和802.16e, 16d适合固定台使用,16e适合移动的应用, WiBRO是802.16e的特殊应用,带宽固定为10MHz,主要在韩国使用。

- PHS,小灵通,起源于日本。

- DECT,增强型数字无绳电话,是欧洲提出的。

- Walkie-Talkie,对讲机,采用调频技术, 工作方式是PTT(Push To Talk)按讲。
二、射频通信系统的组成
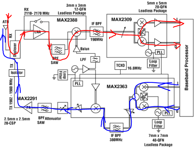
射频通信主要依靠发射机和接收机。 射频发射机需要注意的是功率的推动放大,预放推末前级,末前级推末级,注意由于增益过高而引起放大器自激,此时已经不稳定,设计时需要在中间加一些衰减,末级甚至末前级加隔离器的方法,有条件可以利用腔体隔开,留够足够的裕度。以WCDMA为例,下图蓝色线条描述的是发射机信号行进路线,基带信号I,Q(有用信息携带者)两路经过MAX2363内部的IQ调制器合成一路信号,然后通过可调增益放大器(VGA)放大信号,接着依次通过中频带通滤波(BPF),混频(上变频),放大器,衰减器,声表滤波器,功率放大器,隔离器,双工器,最后通过天线将信号发射出去。下图红线描述的是接收机信号的行进路线,和发射机对比,就是信号的解调过程;天线接收空中信号,依次通过双工器,低噪声放大器(LNA),带通滤波器(BPF),混频器(下变频),滤波器,IQ解调器,最后进行基带处理。下文主要讲接收机的架构,后续有时间会慢慢写接收机系统设计,系统噪声计算,实际设计场景中应考虑到的问题,所遵循的法规标准,以及VCO、PLL、低噪放、功率放大器、滤波器等一些基本射频单元的仿真设计以及PCB layout验证,PCB射频layout注意事项,调试经验分享。(射频最重要的就是实践!!!)

附几张经典放大器



三、 接收机的三种结构
关于接收机结构我们从最传统的超外差结构开始介绍,超外差结构能提供非常好的性能,但这种结构需要大量分离元件,像滤波器、混频器、放大器等。由于小型化、个性化等等商用的需求,出现了零中频和低中频接收机结构,同时软件无线电(SDR)技术也为射频微波的发展提供了新的方向,随着开放的商用频率越来越多,越来越多的企业集中力量开发属于自己的SDR。
1. 超外差接收机
超外差式接收机可以有很大的接收动态范围,而且具有很高的邻道选择性(selectivity)和接收灵敏度(sensitivity)。一般超外差式接收机在混频器前面会有一个预选射频滤波器,在混频器后面还会有一个中频滤波器。这就使得它具有良好的选择性,可以抑制很强的干扰。

通用下变频超外差接收机结构框图

ASK解调电路结构(包络检波)
2.零中频接收机
零中频软件无线电芯片已经非常流行,AD9361是ADI推出的面向3G和4G基站应用的高性能、高集成度的射频解决方案。该器件集RF前端与灵活的混合信号基带部分为一体,集成频率合成器,为处理器提供可配置数字接口。AD9361接收器LO工作频率范围为70 MHz至6.0 GHz,发射器LO工作频率范围为47 MHz至6.0 GHz,涵盖大部分特许执照和免执照频段,支持的通道带宽范围为200 kHz以下至56 MHz。


Maxim推出业界第一款量产的单片式WiMAX RF收发器MAX2837。该收发器设计采用零中频架构,免去了现有超外差方案中所需的昂贵的SAW滤波器和额外的VCO电路。因此,MAX2837可节省超过50%的BOM成本,并大大缩减了元件数和电路板空间。MAX2837专门针对工作在2.3GHz和2.7GHz频带的、基于OFDM的非视距(NLOS)无线宽带广播系统设计,适合于802.16d/e固定和移动WiMAX、双模WiMAX/Wi-Fi、韩国的WiBro和未来的4G LTE系统。

MAX2837结构框图
3.低中频接收机
AD607是一款3V低功耗接收机IF子系统,工作在高达500MHz的输入频率和400kHz至12MHz的IF范围,内置混频器、IF放大器、I和Q解调器、锁相正交振荡器、AGC检波器以及带外部掉电功能的偏置系统。AD607的应用包括采用第一IF(21.4 MHz至300MHz)和10.7MHz、455kHz或450kHz的第二IF高频率的窄带系统,例如双通道转换IS136、GSM、TETRA、MSAT接收机以及单通道或双通道转换VHF和HFAM、SSB、CW、QPSK接收机。


四、总结
移动通信自诞生以来,获得了惊人的发展,微电子技术、微处理器技术、大规模集成电路技术等高新技术使得移动通信发生了日新月异的变化。随着5G的到来,我们也将面临更多的挑战,不断补充、完善自己的知识短板才是当下工程师最紧急的事情。
最后
以上就是潇洒大象最近收集整理的关于射频工程师笔记---射频通信基础的全部内容,更多相关射频工程师笔记---射频通信基础内容请搜索靠谱客的其他文章。
发表评论 取消回复