
题: 分析该时序逻辑电路 的功能, 写出电路的驱动方程、状态方程和输出方程, 画出电路的状态转换图和时序图.
分析:
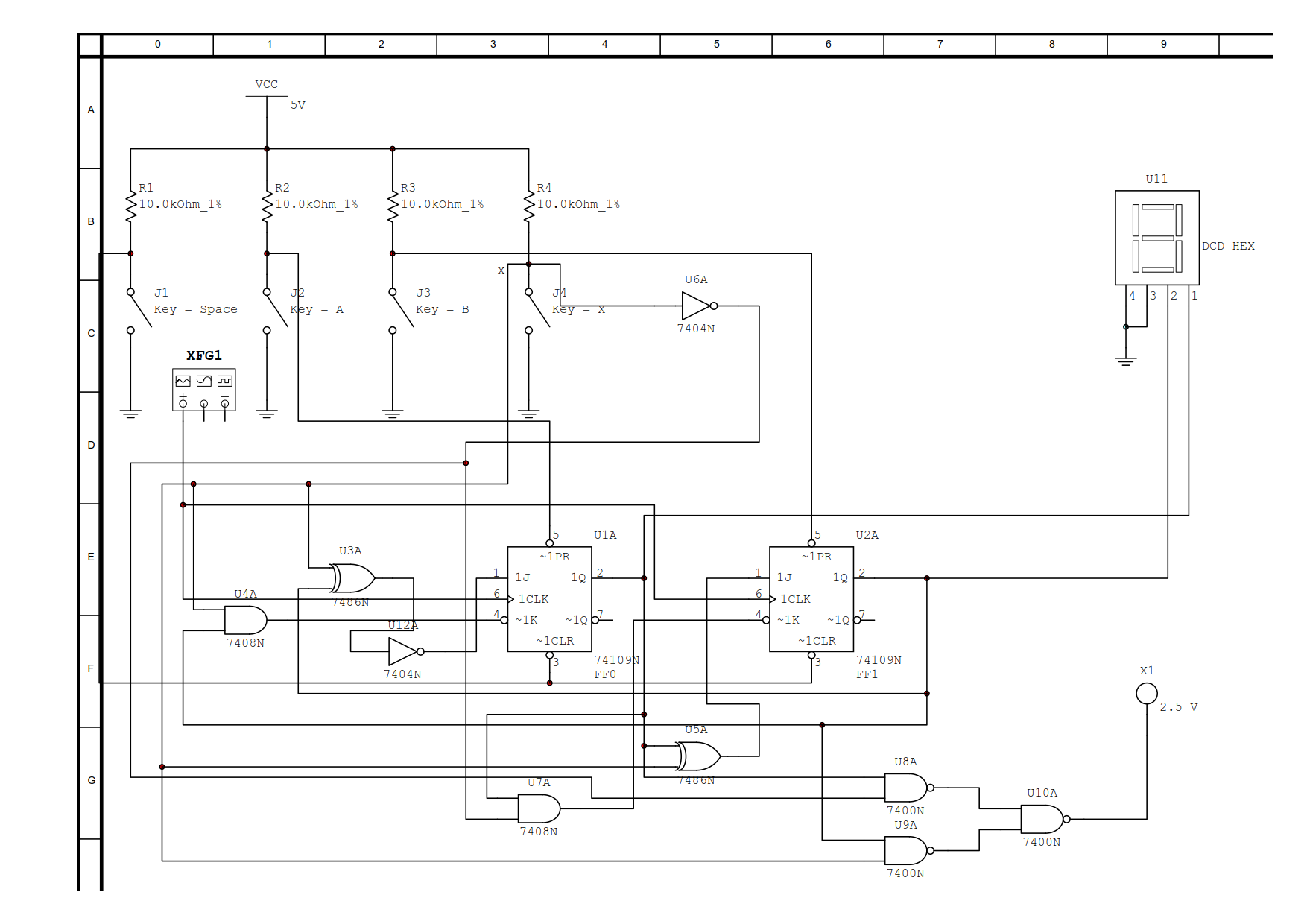
第一步, 根据电路的逻辑图写出驱动方程和输出方程.

第二步, 根据驱动方程求出状态方程.
![]()
第三步, 根据求出的状态方程绘制状态表.

第四步, 根据状态表绘制状态图.

第五步, 根据绘制的状态图分析电路的逻辑功能.
由状态图可知, 这是一个同步三进制计数器, 其中计数过程按X的取值不同而方向不同: X=0时, 电路实现00->01->10->00的变化过程; X=1时, 电路实现00->10->01->00的变化过程. 肯定会有朋友想问, 为什么不称之为"同步三进制加减法可逆计数器"呢, 这是因为电路的输出Y的取值未按照同步三进制加减法可逆计数器的输出来设定. 若想将该电路变为同步三进制加减法可逆计数器, 那么要这样修改: 当电路状态为00且输入X=1时, 输出Y=1; 当电路状态为10且输入X=0时, 输出Y=1, 其它六种取值组合对应的输出Y=0. 从状态图中还可以看出, 该电路可以自启动.
最后
以上就是野性火龙果最近收集整理的关于经典同步时序逻辑电路分析汇总(第八道)(同步三进制计数器)的全部内容,更多相关经典同步时序逻辑电路分析汇总(第八道)(同步三进制计数器)内容请搜索靠谱客的其他文章。
本图文内容来源于网友提供,作为学习参考使用,或来自网络收集整理,版权属于原作者所有。
发表评论 取消回复