2837xd代码生成模块学习(2)——ADC、ePWM模块、Timer0
- 1 ADC模块
- 2 Timer0中断
- 3 ePWM模块配置
模型链接:链接
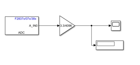
1 ADC模块
模型结构:

以上结构完成了经过ADC采集,进行输出采集到的电压的过程。
1)ADC采集模块


2)SCI_A的采集配置见文章(链接)
3)Configuration Parameters中配置ADC(根据需要进行配置)

这里说一下,2837x的ADC采集较28335的ADC有所改动。总体来说我感觉是更加方便使用,具体的用法建议参考用户手册或者TI教学视频(链接)
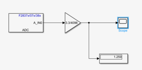
实验结果图:

2 Timer0中断
Timer0中断作为仿真步长的基础时序,所以启动改变仿真时间就可以触发Timer0中断。Timer1和Timer2不属于PIE中断,所以中断服务函数模块无法进行驱动,目前没有找到方式进行启动,感觉是需要进行使用代码生成模块。这个问题先放着,后续再进行深入了解。
3 ePWM模块配置
模块简单配置:

ePWMLink TBPRD是将此参数链接到ePWM1,若选择为ePWM1,则代表TBPRD参数与ePWM1的参数相同。Timer period units可以选择PRD的单位是时钟周期还是秒(秒的范围在0到65535*1/(ePWM时钟周期)之内)。
然后在Configuration Parameters中完成参数配置:

2)死区模式配置:

这些参数都是与用户手册上面的内容进行对应,可以查找用户手册进行一部分一部分的设置。
3)中断模式配置

中断和SOC开启都在上图所示的ET模块中。
如下图,构建ePWM中断测试模型:

ePWM1的TBPRD设置为10000,中断在CTR=0时触发。即每0.0001秒触发一次中断。上方的GPIO以步长(0.5 s)进行闪烁。在ePWM的中断服务程序中构建如下的子函数,意思是10000次ePWM中断触发一次GPIO翻转(1秒)。如图中所示:这里的子模块使用的是Trigger Subsystem. Trigger模块可以设置为:上升沿、下降沿触发等。这里还可以用 StateFlow 进行编写(目前还不是很熟悉,后期会进行尝试)
今天调试遇到了一个小问题,就是模型存放在在有中文目录的路径下,一时间运行直接报错,生成的ccs程序也无法打开。以后要注意一定要放在英文目录下执行。

最后
以上就是个性天空最近收集整理的关于2837xd代码生成模块学习(2)——ADC、ePWM模块、Timer0的全部内容,更多相关2837xd代码生成模块学习(2)——ADC、ePWM模块、Timer0内容请搜索靠谱客的其他文章。
发表评论 取消回复