本文研究Simulink中的For Iterator子系统及其生成的代码。
1 Simulink中的For Iterator子系统
不管是在C语言还是Matlab脚本编程的时候,都避免不了使用for循环来反复执行某一段代码。在Simulink中,也可以通过For Iterator子系统来实现循环功能。
新建一个For Iterator子系统(For Iterator Subsystem),会默认带有一个输入输出port。

进入子系统内部,会有一个默认的For迭代器(For Iterator)。

这个迭代器就能够让模型反复循环子系统的内容。
2 For Iterator子系统建模示例
博主在大学学习C语言的时候,就有个课后习题,要求用for循环求数组中元素之和。所以本例也用For循环子系统来求和。
1)双击进入子系统,将For Iterator参数配置如下。

- States when starting配置为reset,表示每个时间步长都重置这个For Iterator子系统;
- Iteration limit source配置为external,表示循环次数由外部端口引入;
- Index mode配置为Zero-based,表示索引从0开始,和C语言索引方式保持一致;
- Iteration variable data type配置为int8,表示循环变量是int8类型;
2)建立一个Selector选择器模块,配置参数如下。

- Number of input dimensions配置为1,表示从向量中选择一个元素输出;
- Index mode配置为Zero-based,表示索引从0开始,和C语言索引方式保持一致;
- Index Option配置为Index vector,表示从外部输入一个向量;
- Input port size配置为5,表示输入向量中元素的个数是5;
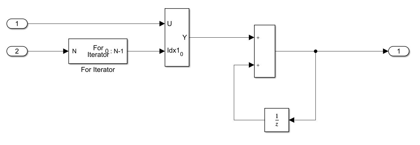
3)添加2个输入port,如图。

- port1表示输入的向量;
- port2表示向量的长度;
简单描述一下这一段的逻辑:For Iterator模块输出0-4的索引,通过Selector选择器把向量中的第0-4个数值取出来,然后再输出。注意,这些操作都是在一个时间步长内完成的。
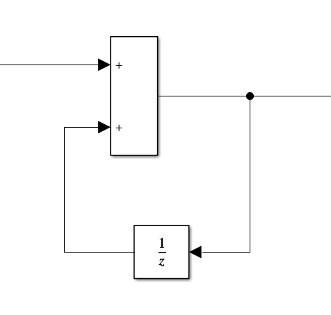
4)通过一个加法模块和单位延时模块,构建一个累加器,接在Selector模块后面。这样就可以通过循环把向量中的每个元素相加。

5)整个子系统内部的模型如图所示。

6)退到For Iterator子系统上一层,加上2个常量输入和一个display输出。

- 输入1是一个包含5个元素的向量[1,3,5,7,9];
- 输入2是向量的长度5;
- 两个常量的类型都配置为uint8.
Ctrl + D更新一下模型,就能看到输出的disp中的结果为25,正式输入的向量元素之和。
3 For Iterator子系统的代码
将第2章仿真的模型稍作修改,然后就可以生成代码。
1)将输入、输出换成Inport和Outport模块,然后重新Ctrl + D更新一下模型。

这里注意一下维度和数据类型。Inport1的类型默认为了double,维度向后继承了Selector模块设定的size为5;Inport2的类型向后继承了For Iterator模块设定的的int8类型。
2)Ctrl + B生成一下代码,如图所示。

代码中可以看出以下几点:
- 首先定义了循环变量s1_iter,类型为int8,与Iteration variable data type配置对应;
- for循环条件为s1_iter < demo_U.In2,表示循环次数取决于Inport2,和模型相对应;
- 输出的Out1在循环中不断累加,每次循环会加上Inport1的一个元素,直到循环结束。
3)打开头文件,可以看到对输入输出结构体的类型定义。

可以看出,In1的长度是5,In2的类型是int8,都可以和模型相对应。
4 总结
For Iterator子系统在实际工作中由很多应用场景,所以需要理解基本用法。另外,通过Stateflow也可以实现for循环。
最后
以上就是迷你鞋垫最近收集整理的关于Simulink代码生成: For Iterator子系统及其代码1 Simulink中的For Iterator子系统2 For Iterator子系统建模示例3 For Iterator子系统的代码4 总结的全部内容,更多相关Simulink代码生成:内容请搜索靠谱客的其他文章。
发表评论 取消回复