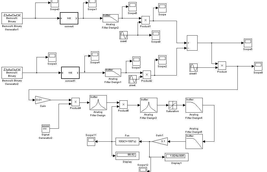
根据你的要求,你的课题分为MATLAB部分和FPGA部分,你所要求我们做的是MATLAB部分,在simulink环境下实现AGC的功能。由于AGC接收到的信号是通过QPSK调制以后的信号,所以我们的系统分为两个部分,QPSK调制部分和AGC增益控制部分。下面我们来详细给你介绍这个两个部分的设计流程。。。

两路信号(I为上面一路,Q为下面一路)通过低通成形滤波器后与cos,sin相乘完成系统的调制,然后将两路调制信号相加完成混频,再发送出去。
我们简单的讲解一下其中几个数学过程。
以上就是发送端简单的数学公式,这些公式,朋友可以通过阅读相关的论文获得要点,而且在其他的项目中,我们也是通过一般的资料查询,得到系统的基本框图,有的时候,我们会根据实际要求做相应的技术改进。这个方式读者一定要学会。

其中:
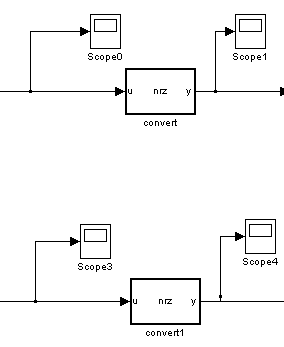
:信号产生部分,分别为I,Q两路。
其输出波形如下所示:

:极性变换,产生的1,0,1,0变成1,-1,1,-1
极性变化以后的信号。。。。

:低通滤波器,这个指标可以具体需要设置,你也可以换成根生余弦滤波器
其滤波输出信号为:

:QPSK调制,分别为I(t)*cos;Q(t)*sin
调制以后的信号。

:相加做混频;
混频以后的信号。

:叠加乘性噪声。
叠加乘性噪声后如下所示:

以上就你的QPSK调制端。
AGC模块;
自动增益控制(Automatic Gain Control);
使放大电路的增益自动地随信号强度而调整的自动控制方法。
实现这种功能的电路简称AGC环。AGC环是闭环电子电路,它可以分成增益受控放大电路和控制电压形成电路两部分。增益受控放大电路位于正向放大通路,其增益随控制电压而改变。
控制电压形成电路的基本部件是AGC检波器和低通平滑滤波器,有时也包含门电路和直流放大器等部件。放大电路的输出信号u0经检波并经滤波器滤除低频调制分量和噪声后,产生用以控制增益受控放大器的电压uc。当输入信号ui增大时,u0和uc亦随之增大。
uc增大使放大电路的增益下降,从而使输出信号的变化量显著小于输入信号的变化量,达到自动增益控制的目的。放大电路增益的控制方法有:
①改变晶体管的直流工作状态,以改变晶体管的电流放大系数β。②在放大器各级间插入电控衰减器。③用电控可变电阻作放大器负载等。AGC电路广泛用于各种接收机 、 录音机和测量仪器中,它常被用来使系统的输出电平保持在一定范围内 ,因 而也称自动电平控制 ; 用于话音放大器或收音机时,称为自动音量控制。

AGC环路是一个闭环控制系统。

注意,通过AGC后,幅度将在13.20附近晃动,达到预期目的
总体结构如下所示:

最后
以上就是耍酷铅笔最近收集整理的关于数字调制系统的AGC说明的全部内容,更多相关数字调制系统内容请搜索靠谱客的其他文章。
发表评论 取消回复