基于TAE32F5300的数字电源方案demo简介
1. 方案demo的主电路拓扑

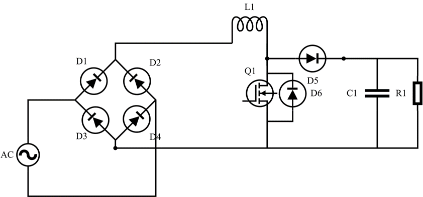
PFC示意图

LLC示意图
该demo使用的是全桥PFC+LLC的电路拓扑。
PFC端对输入电压进行实时检测,同时通过boost的方式实现电流对电压相位的跟踪,从而降低输入电流的THD,提高PF值。
LLC通过控制谐振回路的频率以达到将输出电压稳定在12V的目的。
2. 方案demo的控制环路设计
(用框图描述在此方案中使用的芯片模块,如何连接,如果进行控制设计)
最后
以上就是风趣鞋子最近收集整理的关于160W有桥PFC+LLC电源设计的全部内容,更多相关160W有桥PFC+LLC电源设计内容请搜索靠谱客的其他文章。
本图文内容来源于网友提供,作为学习参考使用,或来自网络收集整理,版权属于原作者所有。
发表评论 取消回复