图解晶体三极管的工作原理
文章目录
- 图解晶体三极管的工作原理
- 1.1晶体三极管的结构
- 2.1晶体三极管的工作原理
- 2.1.1关于三极管的一些想法
- 2.1.2 三极管内部的电流关系
- 2.1.2.1 三极管发射极,基极,集电极的电流关系
- 2.1.2.2 三极管的放大作用
- 博客补充:关于判断是否能够构成复合管的一些技巧:
1.1晶体三极管的结构
在一块本征半导体(硅或锗)上,利用掺杂的方法做成3个区域,如下图所示

根据各区杂志半导体的性质不同,除了硅管和锗管之分外,还有PNP管和NPN管两种
这三个区域从上到下分别是:集电区,基区(一般做的很薄)和发射区,有三个电极,分别由三个区引出,对应地称为:集电极,基极和发射极,分别用c,b,e表示
我们可以看到不管是PNP还是NPN,相邻两个P和N都构成一个PN结,所以一个晶体三极管有两个PN结
现在它的结构是我们把一张很清晰的结构图贴了出来,以至于我们觉得晶体三极管有三个电极是自然而然的事情,但是,我们不满足于此,试想自己现在是发明晶体三极管的科学家,那么我们来试着研究一下它的结构和工作原理
2.1晶体三极管的工作原理
2.1.1关于三极管的一些想法
阶段一:萌芽
假设你有一个NPN管,我们就按照下图的方式先给他加一个电压,按理说,我们希望有Ic,即要有电子从三极管的发射区流出,这样我们才能有Ic,但是,不妨想一想,这能实现吗??
答案是:暂时不能做到
如果我们想在Ic那条支路上确实有电流经过,那么就得有电子往上走,而为了实现这一目的,就必须有足够的电子从发射区往上流,可是,我们发现了吗?PN结是存在壁垒的,这导致发射区的电子无法往上流动,也就是说,Ic = 0
阶段二:改进
我们试着在侧边再给一个电压试试:
这里我们要令 Ucc >> Ubb (原因后文会解释)
这样有什么不同吗?
由于Ucc >> Ubb,而下端是相当于接地的,所以,对于上面的PN结,相当于反偏,对于下面的PN结相当于正偏
对于下面的PN结,我们知道正偏促进扩散运动,所以下方发射区的电子就会往上运动
会有一些(或者是非常非常少的)电子与空穴复合,形成一些微小的电流从P区那条支路流出
但这很微小,原因有两点:
- 基区很薄
- 一开始的空穴的数量就很少
所以,绝大多数的电子流向上方,第一个目的实现了,产生了Icc
2.1.2 三极管内部的电流关系
2.1.2.1 三极管发射极,基极,集电极的电流关系
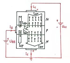
我们来看看一张图:
-
我们先从发射区开始分析电流:由于在基极加了一个电压远小于Ucc的电源,所以下方的PN结正偏,有利于扩散运动的进行,那么发射区的多子(电子)往基区移动,形成电流I(EN);基区的空穴(多子)往下移动,形成电流I(EP);所以,发射区的电流I(E)就是由这两个电流组成,即:
I E I_E IE = I E N + I E P I_{EN} + I_{EP} IEN+IEP 其中: I E N I_{EN} IEN远大于 I E P I_{EP} IEP -
再分析一下集电区的电流:由于上面的PN结是反偏,有利于漂移运动,故基区的少子(电子)会向集电区运动,产生电流I(CN);集电区的少子(空穴)会向基区运动,产生电流I(CBO);所以,集电区的电流I©就是有这两个电流组成,即:
I C = I C N + I C B O I_{C} = I_{CN} + I_{CBO} IC=ICN+ICBO -
最后,我们再看看基区电流:刚刚在第一步我们讨论到:发射区的电子会运动至基区,会有很少一部分的电子会和基区的空穴复合,形成复合电子流I(BN),再考虑到基区空穴向下运动的电流I(EP)和反饱和电流I(CBO),故基区的电流I(B)的组成如下:
I B = I B N + I E P − I C B O I_{B} = I_{BN} + I_{EP} - I_{CBO} IB=IBN+IEP−ICBO
其中,反饱和电CN)流的定义如下:
二极管中:如果给它加反向电压,反向电压在某一个范围内变化,反向电流(即此时通过二极管的电流)基本不变,好像通过二极管的电流饱和了一样,这个电流就叫反向饱和电流.其他器件中也有类似的情况.其根本在于PN结的单向导电性。 反向电流是由少数载流子的漂移运动形成的,同时少数载流子是由本征激发产生的(当温度升高时,本征激发加强,漂移运动的载流子数量增加),当管子制成后,其数值决定于温度,而几乎与外加电压无关。在一定温度T下,由于热激发而产生的少数载流子的数量是一定的,电流的值趋于恒定,这时的电流就是反向饱和电流。
由于I(CN) + I(BN) = I(EN),所以I(E) = I(EN) + I(EP) = I(CN) + I(BN) + I(EP)
那么,我们可以得到这样的关系式:
I
C
+
I
B
=
I
E
I_{C}+ I_{B}= I_{E}
IC+IB=IE
2.1.2.2 三极管的放大作用
如果I(CBO)可以忽略,那么我们可以定义β = I©/I(B)为晶体管共射极直流电流放大系数
α =
I
C
/
I
E
I_{C}/I_{E}
IC/IE为晶体管共基极直流电流放大系数
β= △Ic/△Ib称为晶体管共基极交流电流放大系数(一般来说,β = β)
我们可以把基极端作为输入端,集电极作为输出端,那么,基极很小的电流变化就可以引起集电极较大的电流变化,这就是晶体管的放大作用
下面我们用Multisim14模拟晶体管的放大作用:
运行之后,通过改变可变电阻的值,我们测得几组数据:
通过实验我们可以看出,确实基本满足I© + I(B) = I(E),同时我们发现基极电流较小的变化就可以引起集电极电流较大的增量
关于放大作用的理解:
我们要清楚的记住一件事情:就是集电极的增量△Ic并不是由△Ib供给的,Ic仍然是由Ucc供给,Ibb仍然是由Ubb供给,三极管是通过管内载流子有规律的运动,实现用基极电流控制集电极电流,所以三极管放大作用的本质是:以小电流控制大电流
其实我们可以这样形象地理解:Ucc是一个大水坝(水坝本来就有很多水,相当于本来就有Ucc),基极相当于这个水坝的阀门,我们可以控制这个阀门,阀门开大一点,水坝的水就流得多一些(相当于电流大一些),如果这个阀门开得小,那么水坝的水就流的少一些(电流小一些),而控制这个阀门开的松紧的标志,就是我们给基极施加的这个电流I(B)
博客补充:关于判断是否能够构成复合管的一些技巧:
考试中,往往会问你这样连接方式能不能构成复合管,对于博主自己而言,解题有两个原则:
- 首先是判断出参与复合的每一支管子的类型,然后把它们原本正常情况下(也就是没有复合时)的电流流向标出来,看看各个管子电流流向是否有冲突。如果有冲突直接pass,不能构成复合管。如果没冲突,OK ,这只是第一步,我们就会进入下一步的判断:
- 我们看如果在没有外电源参与的情况下(也就是外部没有提供额外的电流)的情况下,复合管的电流依然能够流通,那么这也不能构成复合管。如果是在加入了外电流的情况下流通顺畅,那么才是能够构成复合管。
【PS:复合管的类型取决于第一支管子!】
【PS2】:
如果三极管CE之间的电压小于 U C E S U_{CES} UCES(饱和管压降),那么晶体三极管将会工作在饱和区,只有当 u C E u_{CE} uCE大于 u C E S u_{CES} uCES时,才工作在放大区
在下一篇博文中,我们将一起分析一下三极管的共射特性曲线
最后
以上就是单薄小白菜最近收集整理的关于【模拟电子技术Analog Electronics Technology 4】——晶体三极管工作原理及放大作用详解图解晶体三极管的工作原理博客补充:关于判断是否能够构成复合管的一些技巧:的全部内容,更多相关【模拟电子技术Analog内容请搜索靠谱客的其他文章。
发表评论 取消回复