
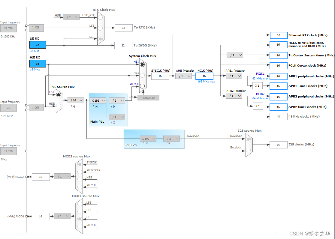
下图是我们的系统时钟资源:在这里我们可以清楚看到stm32f407IGTX的外设和各种资源所允许的时钟频率:

我们要配置cpu工作在最大频率,提高407的处理速度。

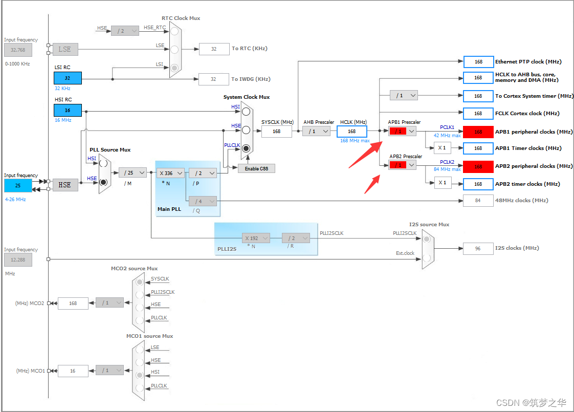
这时候APB外设频率会超出最大值,我们需要再次分频:

至此,系统时钟调至各自所允许最大频率
最后
以上就是怕孤单睫毛最近收集整理的关于cubeMX配置STM32F407IGTX系统时钟的全部内容,更多相关cubeMX配置STM32F407IGTX系统时钟内容请搜索靠谱客的其他文章。
本图文内容来源于网友提供,作为学习参考使用,或来自网络收集整理,版权属于原作者所有。
发表评论 取消回复