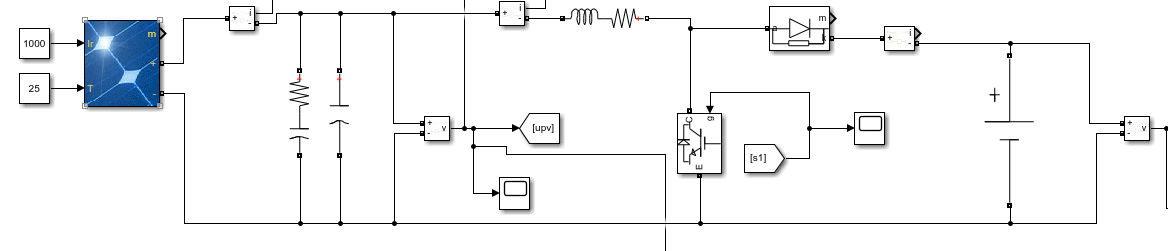
在对基于前级boost的最大功率点追踪仿真时候,遇到了很多问题,现在终于做出来了,简单分享一下,由于本系统两级光伏发电系统。后级的DC/AC将直流母线的电压控成了恒定电压源。故本系统和网上常见的mppt追踪有所区别。
本系统的控制,采用电压外环和电流内环控制:
控制框图如下:电流环内环

由于通过设置参数,电流环带宽至少是电压外环的20倍,故认为电流能快速跟随给定,电压环外环如下:

仿真结果如下:功率ipv*upv图如下:


电流波形ipv如下图所示:

欢迎电力电子专业方向的交流讨论:微信号:beonetoyh
最后
以上就是发嗲睫毛最近收集整理的关于光伏发电系统——mppt最大功率点追踪的全部内容,更多相关光伏发电系统——mppt最大功率点追踪内容请搜索靠谱客的其他文章。
本图文内容来源于网友提供,作为学习参考使用,或来自网络收集整理,版权属于原作者所有。
发表评论 取消回复