博主福利:100G+电子设计学习资源包!
http://mp.weixin.qq.com/mp/homepage?__biz=MzU3OTczMzk5Mg==&hid=7&sn=ad5d5d0f15df84f4a92ebf72f88d4ee8&scene=18#wechat_redirect
--------------------------------------------------------------------------------------------------------------------------
随着电子技术的不断发展, 家庭中的许多电器设备如彩电、冰箱、空调等都已贴上了智能化的标签, 为提高人们的生活质量做出了贡献。但遗憾的是, 居室的眼睛---窗户, 却迟迟未跟上时代的步伐。即使是在众多的智能化生活小区, 我们都可以发现, 几乎所有的窗户的管理仍然处在原始管理方式, 与电子技术毫不沾边, 更不用说智能化了。如果使窗户具有一定的智能, 如下雨则自动关、室内有害气体超标则自动开、有盗贼入内则自动报警等, 就会给人们的居家生活带来诸多方便, 从而进一步提高人们的生活质量。
沿着这样的思路, 我们设计了以AT89C51 单片机为中央控制器的智能窗控制系统。
该控制系统能通过其数据检测传感电路不断循环检测室内温度、湿度、有害气体(如媒气) 浓度等环境参数,然后与由控制键盘预置的参数临界值相比较, 从而作出开/关窗、转动/停止换气扇、降/升温(湿) 等判断, 再结合窗状态检测电路所检测到的窗状态, 发出一系列的控制命令, 完成下雨则自动关窗、室内有害气体超标则自动开窗(同时转动换气扇) 、恒温(湿) 等自动控制功能。人们还可通过控制键盘, 直接控制窗户的开/关、换气窗的转/停、温(湿) 的升/降、选择所显示参数的种类等。
系统组成和部分电路设计
本控制系统主要由AT89C51 单片机组成的中央控制器, 数据检测传感电路, A/D 转换器, 窗驱动控制接口电路、窗驱动电路等组成。其系统框图如图一所示。

图1 系统框图
中央控制器
中央控制器以美国ATMEL 公司的AT89C51 单片机为核心。
1. AT89C51 单片机系统具有设计简单、性能可靠、功耗低等优点。它为用户预留下足够的软、硬件资源, 可供用户进行再开发应用。该系统除内部已有的4K Flash 存储器外, 还可以扩展选址64KROM区和64KRAM区, 供用户使用。用户在系统开发时, 可以将自己的数据块和程序段、数据表, 以若干控制子程序、数据块形式存放于AT89C51 单片机的扩展ROM或RAM区中, 以便系统工作时重复使用和反复调用。由于本应用系统主要用于温度、湿度、有害气体识别、防盗安全的定点和多点测试, 片内4K Flash 存储器已能满足系统设计要求。
2. AT89C51 单片机机有三级程序存储器加密。利用该功能可防止别人非法复制程序, 从而保护知识产权。
3. AT89C51 单片机还为用户预置了P0、P1、P2、P3 四个并行I/O 口, 为该系统的数据采集和控制提供了足够的端口资源。
4. AT89C51 单片机还为用户提供一组全双工串行数据传输端口, 可用于单片机系统间的远程数据信息交换。
本系统采用P0 数据采集、控制端口, 完成控制信息的采集和控制功能。
P110~P113 作为窗状态检测端口, 完成对窗状态(即窗是否移到边框) 的检测。
数据检测传感电路
数据检测传感电路由四个部分组成: 1) 温度传感电路; 2) 湿度传感电路; 3) 有害气体传感电路; 4) 红外防盗传感电路。
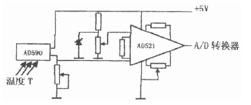
为了讨论问题方便, 我们以温度传感电路为例进行分析。通常, 在自然情况下, 窗户的开关与生活环境和人体的舒适度有关, 温度的测试是该系统设计的关键。为了较好地测出温度参数, 我们选用集成温度传感器AD590(可测-55~+150 ℃) , 其温度检测完全可以满足要求。基本电路如图二所示。

图2 基本电路
A/D 转换器
为了便于与AT89C51 单片机相连接, 同时又有利于系统设计, A/D 转换器选用了ADC0809.其分辨率为8 位,不必进行零点和满度调整。单一电源( + 5V) 供电, 模拟量输入范围0 -5V.转换速度取决于芯片的时钟频率。
时钟频率范围为10 -500KHZ.ADC0809 有八路模拟量输入, 在本系统中只用4 路输入, 即可完成温度等4 种被测模拟量的A/D 转换。利用单片机对FOH口的数据写启动A/D 转换器, A/D 转换结束ADC0809 的EOC 向AT89C51 发出中断请求信号, CPU 再响应中断请求信号, 通过对FOH 口的读操作, 读取转换结果并送到被测量的相应存储区。
在重新选择被测量(修改各相关指针) , 并再次启动A/D 转换后中断返回。A/D 转换器电路如图三所示。

图3 A/D 转换器电路
窗驱动电路
我们可以根据驱动信号与所控对象的关系, 将窗驱动电路分解为: 移窗驱动电路; 换窗驱动电睡; 窗锁驱动电路; 温度调节驱动电路; 湿度调节驱动电路; 换气扇驱动电路; 报警驱动电路等, 分别用它们去控制1 个对象。
窗状态检测电路
可考虑采用4 个开关型磁敏器件。外窗、内窗所对应的左、右墙框各1 个。在外窗、内窗的左、右边上与磁敏器件相对应的地方各贴上一小片磁铁。当小磁铁随窗户的移动而移近相对应的磁敏器件时, 该磁敏器件的输出信号从高电平变为低电平, 表示窗户已移到相应边上。
键盘输入及显示电路
可采用Intel 公司生产的8279 通用可编程键盘显示器接口芯片。利用8279 , 可实现对键盘显示器的自动扫描,并识别键盘上闭合键的键号, 大大节省单片机对键盘显示器的操作时间, 从而减轻单片机的负担。该键盘输入及显示电路具有显示稳定, 程序简单, 不会出现误动作等优点。
对于控制键盘, 可考虑采用微动开关制作并安装在窗户的固定边框上。通过控制键盘, 用户不但可设置各环境参数的临界值, 还可随意选择所显参数的种类, 并直接控制窗户的开/关、换气扇的转/停、温(湿) 的升/降等。
软件设计
该控制系统的软件主要由一个主程序和两个中断服务程序等所组成。
主程序
主程序的主要作用是在系统复位后对系统进行初始化, 如设置8279、ADC0809 等的工作方式和初始状态, 设置各中断的优先级别并开中断, 以及首次启动A/D 转换等, 然后向8279 循环送显示字符。
读键值中断服务程序
读键值中断服务程序的主要作用是在AT89C51 响应![]()
中断(有键按下则产生该中断) 后, 读出键值, 并根据键值从P0 口依序发出相应的控制命令字, 完成相应的控制功能。该中断应设为高优先级。
循环检测及A/D 转换中断服务程序
该中断服务程序的主要作用是在AT89C51 响应![]()
中断(A/D 转换结束时EOC 引脚输出高电平, 从而产生该中断) 后, 将A/D 转换结果送相应存储区, 然后判断该转换结果是否在上、下限值之间, 并根据判断结果依序发出相应的控制命令字, 完成相应的控制、报警功能。然后重新选择被转换量, 再次启动A/D 转换后返回主程序。
该中断应设为低优先级。并设为电平触发方式。
程序流程图如下:

图4 程序流程图
最后
以上就是妩媚香水最近收集整理的关于基于单片机的智能窗控制系统设计(电路+流程)的全部内容,更多相关基于单片机内容请搜索靠谱客的其他文章。
发表评论 取消回复