使用软件:stm32cubemx
开发板:野火指南者stm32f103vet6
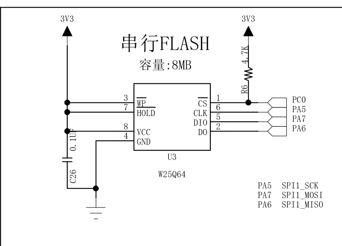
芯片类型;W25Q64Flash
HAL库;STM32Cube FW_F1 V1.8.0
实现功能:串行flash模拟u盘
stm32cubemx配置:
1.RCC
2.SYS
3.SPI1(我的开发板flash复用的是SPI1,cs位手动使能)
4.USART1(可以不要,调试用)
5.USB
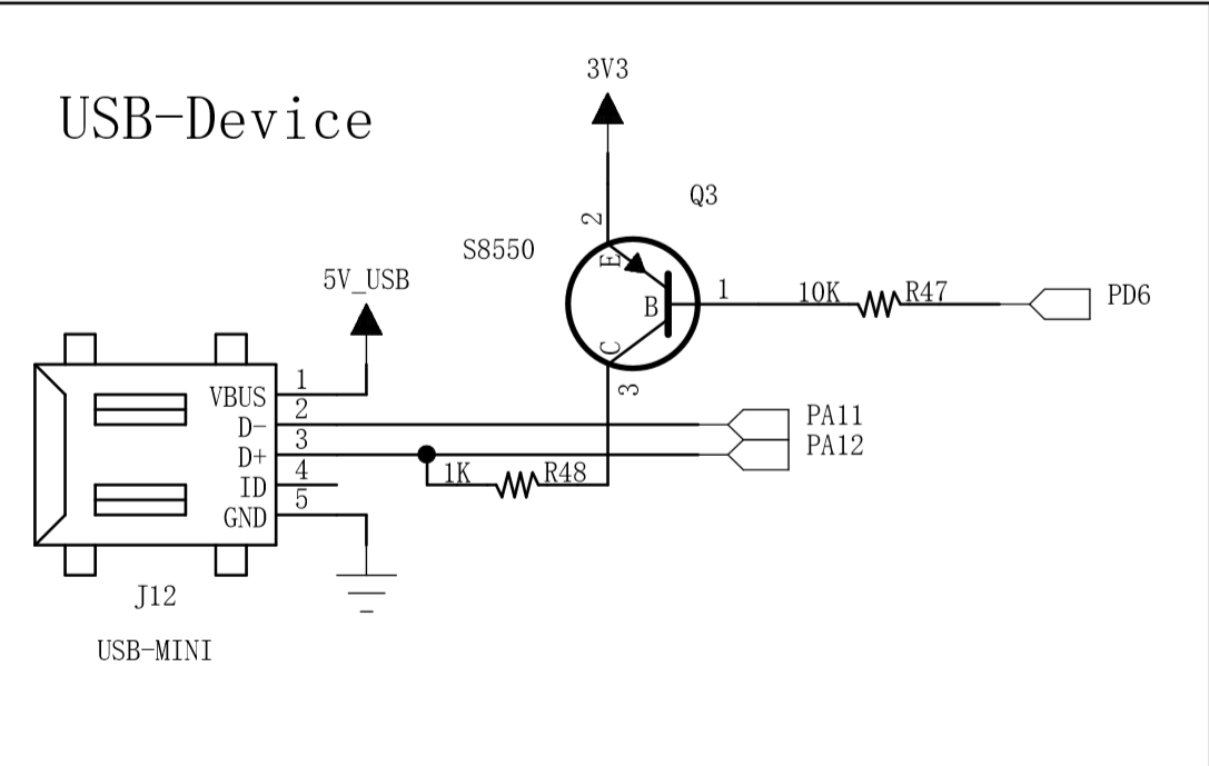
6.USB Device(PD6—上电使能位IO)
没有挂载文件系统,最后需要格式化一下U盘才能使用。
先了解一下f这些知识;
1.堆栈的理解
程序内存可以分为几个区,栈区(stack),堆区(Heap),全局区(static),文字常亮区,程序代码区。
堆和栈的第一个区别就是申请方式不同:栈(英文名称是stack)是系统自动分配空间的,例如我们定义一个 char a;系统会自动在栈上为其开辟空间。而堆(英文名称是heap)则是程序员根据需要自己申请的空间,例如malloc(10);开辟十个字节的空间。由于栈上的空间是自动分配自动回收的,所以栈上的数据的生存周期只是在函数的运行过程中,运行后就释放掉,不可以再访问。而堆上的数据只要程序员不释放空间,就一直可以访问到,不过缺点是一旦忘记释放会造成内存泄露。
网上一个很好的比喻,摘抄下来,以便理解:
使用栈就象我们去饭馆里吃饭,只管点菜(发出申请)、付钱、和吃(使用),吃饱了就走,不必理会切菜、洗菜等准备工作和洗碗、刷锅等扫尾工作,他的好处是快捷,但是自由度小。
2.W25Q64Flash芯片
1 块 -16个扇区,1个扇区 -4K(4096)字节 ,1个字节 -8位二进制/8个bit

图片来自这位大佬的博客(有更详细的介绍);https://blog.csdn.net/lalala098/article/details/81302579


PD6为低电平时USB才能正常工作,不管的话,USB就不会工作
stm32cubeMX配置程序




3.SPI

4.USART1

5.USB

6.USB_DEVICE
这里修改了USB读/写缓冲区的大小,设为4096。因为我的串行FLASH的扇区为4096字节。
当然,如果是SD卡,使用默认的512就可以了。

7.配置时钟

8.改一下文件名,修改堆大小

到这里就配置完成了。
改程序
SPI驱动取自这位大佬博客;https://blog.csdn.net/a3748622/article/details/80347730
spi.c
```c
```c
/**
******************************************************************************
* File Name : SPI.c
* Description : This file provides code for the configuration
* of the SPI instances.
******************************************************************************
* @attention
*
* <h2><center>© Copyright (c) 2020 STMicroelectronics.
* All rights reserved.</center></h2>
*
* This software component is licensed by ST under Ultimate Liberty license
* SLA0044, the "License"; You may not use this file except in compliance with
* the License. You may obtain a copy of the License at:
* www.st.com/SLA0044
*
******************************************************************************
*/
/* Includes ------------------------------------------------------------------*/
#include "spi.h"
/* USER CODE BEGIN 0 */
#include "gpio.h"
#define SPI_FLASH_PageSize 256
uint8_t d_read,d_send;
/* USER CODE END 0 */
SPI_HandleTypeDef hspi1;
/* SPI1 init function */
void MX_SPI1_Init(void)
{
hspi1.Instance = SPI1;
hspi1.Init.Mode = SPI_MODE_MASTER;
hspi1.Init.Direction = SPI_DIRECTION_2LINES;
hspi1.Init.DataSize = SPI_DATASIZE_8BIT;
hspi1.Init.CLKPolarity = SPI_POLARITY_LOW;
hspi1.Init.CLKPhase = SPI_PHASE_1EDGE;
hspi1.Init.NSS = SPI_NSS_SOFT;
hspi1.Init.BaudRatePrescaler = SPI_BAUDRATEPRESCALER_64;
hspi1.Init.FirstBit = SPI_FIRSTBIT_MSB;
hspi1.Init.TIMode = SPI_TIMODE_DISABLE;
hspi1.Init.CRCCalculation = SPI_CRCCALCULATION_DISABLE;
hspi1.Init.CRCPolynomial = 10;
if (HAL_SPI_Init(&hspi1) != HAL_OK)
{
Error_Handler();
}
}
void HAL_SPI_MspInit(SPI_HandleTypeDef* spiHandle)
{
GPIO_InitTypeDef GPIO_InitStruct = {0};
if(spiHandle->Instance==SPI1)
{
/* USER CODE BEGIN SPI1_MspInit 0 */
/* USER CODE END SPI1_MspInit 0 */
/* SPI1 clock enable */
__HAL_RCC_SPI1_CLK_ENABLE();
__HAL_RCC_GPIOA_CLK_ENABLE();
/**SPI1 GPIO Configuration
PA5 ------> SPI1_SCK
PA6 ------> SPI1_MISO
PA7 ------> SPI1_MOSI
*/
GPIO_InitStruct.Pin = GPIO_PIN_5|GPIO_PIN_7;
GPIO_InitStruct.Mode = GPIO_MODE_AF_PP;
GPIO_InitStruct.Speed = GPIO_SPEED_FREQ_HIGH;
HAL_GPIO_Init(GPIOA, &GPIO_InitStruct);
GPIO_InitStruct.Pin = GPIO_PIN_6;
GPIO_InitStruct.Mode = GPIO_MODE_INPUT;
GPIO_InitStruct.Pull = GPIO_NOPULL;
HAL_GPIO_Init(GPIOA, &GPIO_InitStruct);
/* USER CODE BEGIN SPI1_MspInit 1 */
/* USER CODE END SPI1_MspInit 1 */
}
}
void HAL_SPI_MspDeInit(SPI_HandleTypeDef* spiHandle)
{
if(spiHandle->Instance==SPI1)
{
/* USER CODE BEGIN SPI1_MspDeInit 0 */
/* USER CODE END SPI1_MspDeInit 0 */
/* Peripheral clock disable */
__HAL_RCC_SPI1_CLK_DISABLE();
/**SPI1 GPIO Configuration
PA5 ------> SPI1_SCK
PA6 ------> SPI1_MISO
PA7 ------> SPI1_MOSI
*/
HAL_GPIO_DeInit(GPIOA, GPIO_PIN_5|GPIO_PIN_6|GPIO_PIN_7);
/* USER CODE BEGIN SPI1_MspDeInit 1 */
/* USER CODE END SPI1_MspDeInit 1 */
}
}
/* USER CODE BEGIN 1 */
/********************************************FLASH API********************************************************/
//函数功能: 从串行Flash读取一个字节数据
uint8_t SPI_FLASH_ReadByte(void)
{
if(HAL_SPI_TransmitReceive(&hspi1,&d_send,&d_read,1,0xFFFFFF)!=HAL_OK)
d_read=0xff;
return d_read;
}
// 函数功能: 往串行Flash读取写入一个字节数据并接收一个字节数据
uint8_t SPI_FLASH_SendByte(uint8_t byte)
{
if(HAL_SPI_TransmitReceive(&hspi1,&byte,&d_read,1,0xFFFFFF)!=HAL_OK)
return 1;
return 0;
}
//读取Flash ID
uint32_t SPI_FLASH_ReadID(void)
{
uint32_t Temp = 0, Temp0 = 0, Temp1 = 0, Temp2 = 0;
/* 选择串行FLASH: CS低电平 */
FLASH_L
/* 发送命令:读取芯片型号ID */
SPI_FLASH_SendByte(0x9F);
Temp0 = SPI_FLASH_ReadByte();
Temp1 = SPI_FLASH_ReadByte();
Temp2 = SPI_FLASH_ReadByte();
/* 禁用串行Flash:CS高电平 */
FLASH_H
Temp = (Temp0 << 16) | (Temp1 << 8) | Temp2;
return Temp;
}
//从Flash读取数据
void SPI_FLASH_BufferRead(uint8_t* pBuffer, uint32_t ReadAddr, uint16_t NumByteToRead)
{
FLASH_L
SPI_FLASH_SendByte(0x03);
SPI_FLASH_SendByte((ReadAddr & 0xFF0000) >> 16);
SPI_FLASH_SendByte((ReadAddr & 0xFF00) >> 8);
SPI_FLASH_SendByte(ReadAddr & 0xFF);
while (NumByteToRead--) /* 读取数据 */
{
*pBuffer = SPI_FLASH_ReadByte();
pBuffer++;
}
FLASH_H
}
void SPI_FLASH_PageWrite(uint8_t* pBuffer,uint32_t addr,uint16_t NumByteToRead)
{
uint16_t i;
SPI_FLASH_WriteEnable(); //SET WEL
FLASH_L
SPI_FLASH_SendByte(0x02);
SPI_FLASH_SendByte((uint8_t)((addr)>>16)); //发送24bit地址
SPI_FLASH_SendByte((uint8_t)((addr)>>8));
SPI_FLASH_SendByte((uint8_t)addr);
for(i=0;i<NumByteToRead;i++)
{
SPI_FLASH_SendByte(pBuffer[i]);//循环写数
}
FLASH_H //取消片选
SPI_FLASH_WaitForWriteEnd(); //等待写入结束
}
//FLASH写函数
void SPI_FLASH_BufferWrite(uint8_t* pBuffer,uint32_t WriteAddr,uint32_t NumByteToWrite)
{
uint32_t pageremain;
pageremain=256-WriteAddr%256; //单页剩余的字节数
if(NumByteToWrite<=pageremain)pageremain=NumByteToWrite;//不大于256个字节
while(1)
{
SPI_FLASH_PageWrite(pBuffer,WriteAddr,pageremain);
if(NumByteToWrite==pageremain)break;//写入结束了
else //NumByteToWrite>pageremain
{
pBuffer+=pageremain;
WriteAddr+=pageremain;
NumByteToWrite-=pageremain; //减去已经写入了的字节数
if(NumByteToWrite>256)pageremain=256; //一次可以写入256个字节
else pageremain=NumByteToWrite; //不够256个字节了
}
}
}
/* 函数功能: 擦除扇区 */
void SPI_FLASH_SectorErase(uint32_t SectorAddr)
{
SPI_FLASH_WriteEnable();
SPI_FLASH_WaitForWriteEnd();
FLASH_L
SPI_FLASH_SendByte(0x20);
SPI_FLASH_SendByte((SectorAddr & 0xFF0000) >> 16);
SPI_FLASH_SendByte((SectorAddr & 0xFF00) >> 8);
SPI_FLASH_SendByte(SectorAddr & 0xFF);
FLASH_H
SPI_FLASH_WaitForWriteEnd();
}
/* 函数功能: 擦除整个芯片 */
void SPI_FLASH_BulkErase(void)
{
SPI_FLASH_WriteEnable();
FLASH_L
SPI_FLASH_SendByte(0xC7);
FLASH_H
SPI_FLASH_WaitForWriteEnd();
}
//写使能
void SPI_FLASH_WriteEnable(void)
{
FLASH_L
SPI_FLASH_SendByte(0x06);
FLASH_H
}
//等待写入完毕
void SPI_FLASH_WaitForWriteEnd(void)
{
uint8_t FLASH_Status = 0;
FLASH_L
SPI_FLASH_SendByte(0x05);
do
{
FLASH_Status = SPI_FLASH_ReadByte();
}
while ((FLASH_Status & 0x01) == SET);
FLASH_H
}
/**
* 函数功能: 进入掉电模式
* 输入参数: 无
* 返 回 值: 无
* 说 明:无
*/
void SPI_Flash_PowerDown(void)
{
FLASH_L
SPI_FLASH_SendByte(0xB9);
FLASH_H
}
/**
* 函数功能: 唤醒串行Flash
* 输入参数: 无
* 返 回 值: 无
* 说 明:无
*/
void SPI_Flash_WAKEUP(void)
{
FLASH_L
SPI_FLASH_SendByte(0xAB);
FLASH_H
}
/* USER CODE END 1 */
/************************ (C) COPYRIGHT STMicroelectronics *****END OF FILE****/
spi.h
/**
******************************************************************************
* File Name : SPI.h
* Description : This file provides code for the configuration
* of the SPI instances.
******************************************************************************
* @attention
*
* <h2><center>© Copyright (c) 2020 STMicroelectronics.
* All rights reserved.</center></h2>
*
* This software component is licensed by ST under Ultimate Liberty license
* SLA0044, the "License"; You may not use this file except in compliance with
* the License. You may obtain a copy of the License at:
* www.st.com/SLA0044
*
******************************************************************************
*/
/* Define to prevent recursive inclusion -------------------------------------*/
#ifndef __spi_H
#define __spi_H
#ifdef __cplusplus
extern "C" {
#endif
/* Includes ------------------------------------------------------------------*/
#include "main.h"
/* USER CODE BEGIN Includes */
//#define FLASH_ID 0xEF3015 //W25X16
//#define FLASH_ID 0xEF4015 //W25Q16
//#define FLASH_ID 0XEF4018 //W25Q128
#define FLASH_ID 0XEF4017 //W25Q64
#define FLASH_L GPIOC->BSRR = GPIO_PIN_0<<16U;
#define FLASH_H GPIOC->BSRR = GPIO_PIN_0;
/* USER CODE END Includes */
extern SPI_HandleTypeDef hspi1;
/* USER CODE BEGIN Private defines */
extern void _Error_Handler(char *, int);
/* USER CODE END Private defines */
void MX_SPI1_Init(void);
/* USER CODE BEGIN Prototypes */
uint32_t SPI_FLASH_ReadID(void);
void SPI_FLASH_BufferWrite(uint8_t* pBuffer,uint32_t WriteAddr,uint32_t NumByteToWrite);
void SPI_FLASH_BufferRead(uint8_t* pBuffer, uint32_t ReadAddr, uint16_t NumByteToRead);
void SPI_FLASH_PageWrite(uint8_t* pBuffer, uint32_t WriteAddr, uint16_t NumByteToWrite);
void SPI_FLASH_SectorErase(uint32_t SectorAddr);
void SPI_FLASH_BulkErase(void);
void SPI_FLASH_WriteEnable(void);
void SPI_FLASH_WaitForWriteEnd(void);
void SPI_Flash_PowerDown(void);
void SPI_Flash_WAKEUP(void);
/* USER CODE END Prototypes */
#ifdef __cplusplus
}
#endif
#endif /*__ spi_H */
/**
* @}
*/
/**
* @}
*/
/************************ (C) COPYRIGHT STMicroelectronics *****END OF FILE****/

1.首先注意FLASH_ID的定义要和你的芯片FLASH_L类型一致FLASH_H
2.其次要注意FLASH_L和FLASH_H 配置的引脚要和你的flash的cs引脚一样,因为W25Q64Flash芯片在执行一条新的指令之前,必须让/CS管脚先有一个下降沿。
usbd_storage_if.c
/* USER CODE BEGIN Header */
/**
******************************************************************************
* @file : usbd_storage_if.c
* @version : v2.0_Cube
* @brief : Memory management layer.
******************************************************************************
* @attention
*
* <h2><center>© Copyright (c) 2020 STMicroelectronics.
* All rights reserved.</center></h2>
*
* This software component is licensed by ST under Ultimate Liberty license
* SLA0044, the "License"; You may not use this file except in compliance with
* the License. You may obtain a copy of the License at:
* www.st.com/SLA0044
*
******************************************************************************
*/
/* USER CODE END Header */
/* Includes ------------------------------------------------------------------*/
#include "usbd_storage_if.h"
/* USER CODE BEGIN INCLUDE */
#include "spi.h"
/* USER CODE END INCLUDE */
/* Private typedef -----------------------------------------------------------*/
/* Private define ------------------------------------------------------------*/
/* Private macro -------------------------------------------------------------*/
/* USER CODE BEGIN PV */
/* Private variables ---------------------------------------------------------*/
/* USER CODE END PV */
/** @addtogroup STM32_USB_OTG_DEVICE_LIBRARY
* @brief Usb device.
* @{
*/
/** @defgroup USBD_STORAGE
* @brief Usb mass storage device module
* @{
*/
/** @defgroup USBD_STORAGE_Private_TypesDefinitions
* @brief Private types.
* @{
*/
/* USER CODE BEGIN PRIVATE_TYPES */
/* USER CODE END PRIVATE_TYPES */
/**
* @}
*/
/** @defgroup USBD_STORAGE_Private_Defines
* @brief Private defines.
* @{
*/
//#define STORAGE_LUN_NBR 1
//#define STORAGE_BLK_NBR 0x10000
//#define STORAGE_BLK_SIZ 0x2000
/* USER CODE BEGIN PRIVATE_DEFINES */
#define STORAGE_LUN_NBR 1
#define STORAGE_BLK_NBR 2048 //16*128
#define STORAGE_BLK_SIZ 4096
/* USER CODE END PRIVATE_DEFINES */
/**
* @}
*/
/** @defgroup USBD_STORAGE_Private_Macros
* @brief Private macros.
* @{
*/
/* USER CODE BEGIN PRIVATE_MACRO */
/* USER CODE END PRIVATE_MACRO */
/**
* @}
*/
/** @defgroup USBD_STORAGE_Private_Variables
* @brief Private variables.
* @{
*/
/* USER CODE BEGIN INQUIRY_DATA_FS */
/** USB Mass storage Standard Inquiry Data. */
const int8_t STORAGE_Inquirydata_FS[] = {/* 36 */
/* LUN 0 */
0x00,
0x80,
0x02,
0x02,
(STANDARD_INQUIRY_DATA_LEN - 5),
0x00,
0x00,
0x00,
'S', 'T', 'M', ' ', ' ', ' ', ' ', ' ', /* Manufacturer : 8 bytes */
'P', 'r', 'o', 'd', 'u', 'c', 't', ' ', /* Product : 16 Bytes */
' ', ' ', ' ', ' ', ' ', ' ', ' ', ' ',
'0', '.', '0' ,'1' /* Version : 4 Bytes */
};
/* USER CODE END INQUIRY_DATA_FS */
/* USER CODE BEGIN PRIVATE_VARIABLES */
/* USER CODE END PRIVATE_VARIABLES */
/**
* @}
*/
/** @defgroup USBD_STORAGE_Exported_Variables
* @brief Public variables.
* @{
*/
extern USBD_HandleTypeDef hUsbDeviceFS;
/* USER CODE BEGIN EXPORTED_VARIABLES */
/* USER CODE END EXPORTED_VARIABLES */
/**
* @}
*/
/** @defgroup USBD_STORAGE_Private_FunctionPrototypes
* @brief Private functions declaration.
* @{
*/
static int8_t STORAGE_Init_FS(uint8_t lun);
static int8_t STORAGE_GetCapacity_FS(uint8_t lun, uint32_t *block_num, uint16_t *block_size);
static int8_t STORAGE_IsReady_FS(uint8_t lun);
static int8_t STORAGE_IsWriteProtected_FS(uint8_t lun);
static int8_t STORAGE_Read_FS(uint8_t lun, uint8_t *buf, uint32_t blk_addr, uint16_t blk_len);
static int8_t STORAGE_Write_FS(uint8_t lun, uint8_t *buf, uint32_t blk_addr, uint16_t blk_len);
static int8_t STORAGE_GetMaxLun_FS(void);
/* USER CODE BEGIN PRIVATE_FUNCTIONS_DECLARATION */
/* USER CODE END PRIVATE_FUNCTIONS_DECLARATION */
/**
* @}
*/
USBD_StorageTypeDef USBD_Storage_Interface_fops_FS =
{
STORAGE_Init_FS,
STORAGE_GetCapacity_FS,
STORAGE_IsReady_FS,
STORAGE_IsWriteProtected_FS,
STORAGE_Read_FS,
STORAGE_Write_FS,
STORAGE_GetMaxLun_FS,
(int8_t *)STORAGE_Inquirydata_FS
};
/* Private functions ---------------------------------------------------------*/
/**
* @brief Initializes over USB FS IP
* @param lun:
* @retval USBD_OK if all operations are OK else USBD_FAIL
*/
int8_t STORAGE_Init_FS(uint8_t lun)
{
/* USER CODE BEGIN 2 */
return (USBD_OK);
/* USER CODE END 2 */
}
/**
* @brief .
* @param lun: .
* @param block_num: .
* @param block_size: .
* @retval USBD_OK if all operations are OK else USBD_FAIL
*/
int8_t STORAGE_GetCapacity_FS(uint8_t lun, uint32_t *block_num, uint16_t *block_size)
{
/* USER CODE BEGIN 3 */
*block_num = STORAGE_BLK_NBR;
*block_size = STORAGE_BLK_SIZ;
return (USBD_OK);
/* USER CODE END 3 */
}
/**
* @brief .
* @param lun: .
* @retval USBD_OK if all operations are OK else USBD_FAIL
*/
int8_t STORAGE_IsReady_FS(uint8_t lun)
{
/* USER CODE BEGIN 4 */
if(SPI_FLASH_ReadID() == FLASH_ID)
return (USBD_OK);
else
return -1;
/* USER CODE END 4 */
}
/**
* @brief .
* @param lun: .
* @retval USBD_OK if all operations are OK else USBD_FAIL
*/
int8_t STORAGE_IsWriteProtected_FS(uint8_t lun)
{
/* USER CODE BEGIN 5 */
return (USBD_OK);
/* USER CODE END 5 */
}
/**
* @brief .
* @param lun: .
* @retval USBD_OK if all operations are OK else USBD_FAIL
*/
int8_t STORAGE_Read_FS(uint8_t lun, uint8_t *buf, uint32_t blk_addr, uint16_t blk_len)
{
/* USER CODE BEGIN 6 */
SPI_FLASH_BufferRead(buf, blk_addr*STORAGE_BLK_SIZ, blk_len*STORAGE_BLK_SIZ);
return (USBD_OK);
/* USER CODE END 6 */
}
/**
* @brief .
* @param lun: .
* @retval USBD_OK if all operations are OK else USBD_FAIL
*/
int8_t STORAGE_Write_FS(uint8_t lun, uint8_t *buf, uint32_t blk_addr, uint16_t blk_len)
{
/* USER CODE BEGIN 7 */
SPI_FLASH_SectorErase(blk_addr*STORAGE_BLK_SIZ);
SPI_FLASH_BufferWrite(buf, blk_addr*STORAGE_BLK_SIZ,blk_len*STORAGE_BLK_SIZ);
return (USBD_OK);
/* USER CODE END 7 */
}
/**
* @brief .
* @param None
* @retval .
*/
int8_t STORAGE_GetMaxLun_FS(void)
{
/* USER CODE BEGIN 8 */
return (STORAGE_LUN_NBR - 1);
/* USER CODE END 8 */
}
/* USER CODE BEGIN PRIVATE_FUNCTIONS_IMPLEMENTATION */
/* USER CODE END PRIVATE_FUNCTIONS_IMPLEMENTATION */
/**
* @}
*/
/**
* @}
*/
/************************ (C) COPYRIGHT STMicroelectronics *****END OF FILE****/
stm32cubemx生成的程序,这三个值是这样的,最后出来的U盘内存是512M,可能因为太大了最后运行出来会有问题

8M应该是;8M(Byte) (128块(Block),每块64K字节,每块16个扇区(Sector),每个扇区4K字节,每个扇区16页,每页256个 字节)

我这个已经格式化过了,你第一次生成的,没有挂载文件,需要格式化一下

最后
以上就是斯文雨最近收集整理的关于stm32cubemx 串行flash模拟u盘的全部内容,更多相关stm32cubemx内容请搜索靠谱客的其他文章。
发表评论 取消回复