System Generator从入门到放弃(六)-利用Vivado HLS block实现Vivado HLS调用C/C++代码
夜未央,流星落,情已殇
文章目录
System Generator从入门到放弃(六)-利用Vivado HLS block实现Vivado HLS调用C/C++代码
一、利用Vivado HLS block实现Vivado HLS调用C/C++代码
1、简介
2、利用Vivado HLS block实现Vivado HLS调用C/C++代码 流程
2.1 Vivado HLS完成中值滤波设计
2.2 将HLS设计导入System Generator
2.3 仿真测试
3、Vivado HLS block详解
System Generator是Xilinx公司进行数字信号处理开发的一种设计工具,它通过将Xilinx开发的一些模块嵌入到Simulink的库中,可以在Simulink中进行定点仿真,可以设置定点信号的类型,这样就可以比较定点仿真与浮点仿真的区别。并且可以生成HDL文件,或者网表,可以在ISE中进行调用。或者直接生成比特流下载文件。能够加快DSP系统的开发进度。
一、利用Vivado HLS block实现Vivado HLS调用C/C++代码
1、简介
Vivado HLS是Xilinx FPGA开发套件中的一款软件,可以使用C/C++语言进行设计,并转换为RTL级模型。System Generator中的Vivado HLS block可以将HLS开发软件设计的C/C++代码整合到Simulink环境中,利用Simulink强大的仿真特性对设计进行仿真测试。
ug948中提供的官方例程为图像的中值滤波,该设计将一副256*256大小的RGB图像,添加噪声后提取出其中的Y通道,使用C++语言完成中值滤波。该设计将在Simulink环境下进行仿真。
本次设计的流程是利用Vivado HLS建立C/C++代码,Export RTL–>System Generator–>Vivado。
2、利用Vivado HLS block实现Vivado HLS调用C/C++代码 流程
2.1 Vivado HLS完成中值滤波设计
建立相关HLS中的程序,其中Source中建立MedianFilter.cpp程序,程序如下:
PS:这部分例程在官方ug948-design-files.zipLab2中找到。
MedianFilter.cpp
#include "MedianFilter.h"
#define WINDOW_SIZE 3
typedef unsigned char PixelType;
#define PIX_SWAP(a,b) { PixelType temp=(a);(a)=(b);(b)=temp; }
#define PIX_SORT(a,b) { if ((a)>(b)) PIX_SWAP((a),(b)); }
PixelType OptMedian9(PixelType * p)
{
PIX_SORT(p[1], p[2]) ; PIX_SORT(p[4], p[5]) ; PIX_SORT(p[7], p[8]) ;
PIX_SORT(p[0], p[1]) ; PIX_SORT(p[3], p[4]) ; PIX_SORT(p[6], p[7]) ;
PIX_SORT(p[1], p[2]) ; PIX_SORT(p[4], p[5]) ; PIX_SORT(p[7], p[8]) ;
PIX_SORT(p[0], p[3]) ; PIX_SORT(p[5], p[8]) ; PIX_SORT(p[4], p[7]) ;
PIX_SORT(p[3], p[6]) ; PIX_SORT(p[1], p[4]) ; PIX_SORT(p[2], p[5]) ;
PIX_SORT(p[4], p[7]) ; PIX_SORT(p[4], p[2]) ; PIX_SORT(p[6], p[4]) ;
PIX_SORT(p[4], p[2]) ;
return(p[4]) ;
}
PixelType Mean(PixelType* buffer)
{
PixelType i, j, min;
unsigned int sum;
for (i = 0;i<9; i++) {
sum+=buffer[i];
}
sum/=(WINDOW_SIZE*WINDOW_SIZE);
return sum;
}
PixelType Min(PixelType* buffer)
{
PixelType i, j, min;
min = buffer[0];
for (i = 1;i<9; i++) {
if (min>buffer[i]) min = buffer[i];
}
return min;
}
void MedianFilter(PixelType row1, PixelType row2, PixelType row3, PixelType* V)
{
#pragma AP PIPELINE II=1
/*
* Create a local Pixel Buffer based on WindowSize
*/
static PixelType pixelWindowBuffer[WINDOW_SIZE*WINDOW_SIZE];
PixelType sortBuffer[WINDOW_SIZE*WINDOW_SIZE];
/*
* Each Iteration Interval Update the Pixel Buffers
*/
for(int i = 0;i<WINDOW_SIZE;++i) {
for(int j=0;j<(WINDOW_SIZE-1);++j) {
pixelWindowBuffer[WINDOW_SIZE*i + (WINDOW_SIZE-j-1)] = pixelWindowBuffer[WINDOW_SIZE*i + (WINDOW_SIZE-j-1)-1];
}
}
/*
* Update the first Pixel of each row
*/
pixelWindowBuffer[0] = row1;
pixelWindowBuffer[3] = row2;
pixelWindowBuffer[6] = row3;
for(int k = 0;k<9;++k) {
sortBuffer[k] = pixelWindowBuffer[k];
}
*V = OptMedian9(sortBuffer);
}
MedianFilter.h
#ifndef __MEDIAN__FILTER__
#define __MEDIAN__FILTER__
void MedianFilter(unsigned char R, unsigned char G, unsigned char B, unsigned char* V);
#endif
右键Solution->C Synthesis->Active Solution,综合设计源文件。

当综合完成时, Vivado HLS displays 将显示this message:
Finished C synthesis.
完成后,再右键Solution->Export RTL,Format Selection选择为“System Generator for DSP”,点击OK将设计源文件打包为System Generator可以使用的形式。
当Export RTL完成时, Vivado HLS displays 将显示:
Finished export RTL
2.2 将HLS设计导入System Generator
Xilinx block
Vivado HLS block(->Index):调用HLS代码
System Generator(->Basic Elements):系统管理
Gateway In(->Basic Elements):数据输入
Gateway Out(->Basic Elements):数据输出
其它block
图像处理相关Block
Scope(Simulink->Commonly Used Blocks):示波器
添加一个Vivado HLS block,双击打开该block:
点击Browse,将路径指定到HLS工程的Solution文件夹下。如果路径选择错误,或者HLS工程综合或导出失败导致solution文件夹下没有可用的System Generator文件,软件会提示错误。
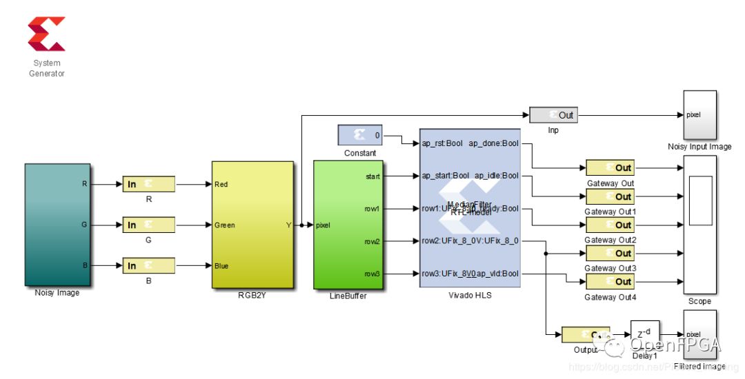
设置完毕后,block端口也会随之改变,部分端口名称以ap_开头,表示与block之间的ap_hs通信协议。model的整体连接图如下:
其中包含几个子系统,各子系统及其作用如下:
Noisy Image:导入一副256*256的图像,转换为一维数据,并为其添加椒盐噪声;
RGB2Y:将R、G、B通道转换为Y通道(Y=0.299R+0.587G+0.114B,可以简化为只用两个乘法器的形式Y=0.299(R-G)+0.114*(B-G)+G);
LineBuffer:缓存器存储数据;
Noisy Input Image/Filtered Image:缓存数据,将一维数据转换为二维图像显示。
2.3 仿真测试
在Noisy Image子系统下,打开Image From File这个block(属于Computer Vision System Toolbox库)。点击Browse,将路径指向一副256256大小的彩色图片。将仿真时间设置为256256*2,确保可以完成一次图像滤波。运行结果如下:
Use the toolbar button Up
to Parent to return to the top level
保存后,进行仿真,结果如下:
PS:运行时间比较久,要耐心等待!!
可以看到经过中值滤波后,很好地滤除了图像中的椒盐噪声。
3、Vivado HLS block详解
摘自:https://blog.csdn.net/FPGADesigner/article/details/80985418
该block支持C、C++和System C三种设计源文件。使用是首先需要在Vivado HLS开发环境下将设计源文件打包到Solution目录下,然后在block中指向该目录,将设计导入到System Generator设计中。
点击“Edit”可以打开与该solution对应的Vivado HLS工程,允许设计者修改;修改后点击“Refresh”更新block的端口信息。
block默认采用RTL-model进行仿真,如果HLS中包含C仿真模型,可以选中“Use C simulation model if available”,选择C仿真模型。
当选中“Display signal types”时,输入和输出的数据类型会显示在图标上,设计者可以根据该提示设置向此block输入的数据,如下图:
C/C++数据类型和System Generator数据类型之间的转换关系如下表:

在Vivado HLS中进行设计时有如下限制:
设计不能是纯组合逻辑,综合到RTL设计后必须包含一个时钟和时钟使能输入信号;
顶层模块中不能包含C/C++模板语法;
C仿真模型与block通信时支持ap_hs通信协议,但不支持ap_memory和ap_bus接口。


推荐阅读

一天一个设计实例-Xilinx FPGA和Intel FPGA区别
一天一个设计实例-Xilinx FPGA主流芯片选型
一天一个设计实例-Intel FPGA主流芯片选型
一天一个设计实例-Intel FPGA主流芯片命名规则
一天一个设计实例-Xilinx FPGA命名规则
一天一个设计实例-FPGA开源网站和论坛
一天一个设计实例-FPGA设计流程
一天一个设计实例-PLL、DLL、DCM区别及应用
一天一个设计实例-计数器设计
一天一个设计实例-门控时钟和使能时钟
一天一个设计实例-任意分频器设计
一天一个设计实例-FSM介绍
一天一个设计实例-爱上FPGA从流水灯开始
一天一个设计实例-FPGA和数码管
一天一个设计实例-IIC协议及FPGA实现
一天一个设计实例-SPI协议及FPGA实现
一天一个设计实例-3万字讲解UART和实例
一天一个设计实例-万字USB协议及FPGA+USB PHY通信实现
开源FPGA开发板-OpeniCE例程更新说明
FPGA开源工具链
基于开源FPGA-OpeniCE的NES游戏机
FPGA中的RAM、ROM和CAM;ROM、RAM、DRAM、SRAM、FLASH
SRAM的存储原理
一天一个设计实例-FPGA器件结构
一天一个设计实例-静态随机存储器 SRAM 的 Verilog HDL/VHDL语言描述
一天一个设计实例-RAM、ROM模块程序设计
一天一个设计实例-FIFO先进先出模块程序设计
一天一个设计实例-万字长文E2PROM接口电路、时序及应用程序设计
一天一个设计实例-实时时钟芯片DS1302的接口电路、时序及程序设计(一)
一天一个设计实例-实时时钟芯片DS1302的接口电路、时序及程序设计(二)
Github 上有哪些优秀的 VHDL/Verilog/FPGA 项目
一天一个设计实例-实时时钟芯片PCF8563的接口电路、时序及程序设计
一天一个设计实例-DCM时钟管理应用设计
一天一个设计实例-轻触开关的应用设计
一天一个设计实例-矩阵开关的应用
一天一个设计实例-PS/2键盘及鼠标的应用设计
一天一个设计实例-GPIO PWM应用
一天一个设计实例-LED显示模块设计
一天一个设计实例-LCD1602的应用设计
一天一个设计实例-LCD12864的应用设计
一天一个设计实例-VGA的应用设计驱动概念
点击上方字体就可以阅读哟

转了吗

赞了吗

在看吗
最后
以上就是称心烤鸡最近收集整理的关于System Generator从入门到放弃(六)-利用Vivado HLS block实现VivadoHLS调用C/C++代码一、利用Vivado HLS block实现Vivado HLS调用C/C++代码1、简介2、利用Vivado HLS block实现Vivado HLS调用C/C++代码 流程3、Vivado HLS block详解的全部内容,更多相关System内容请搜索靠谱客的其他文章。
发表评论 取消回复