我是靠谱客的博主 痴情羊,这篇文章主要介绍可兼容CS4344的国产音频数模转换电路,目前已广泛应用于数字通信、DVD音频、汽车音响系统,现在分享给大家,希望可以做个参考。

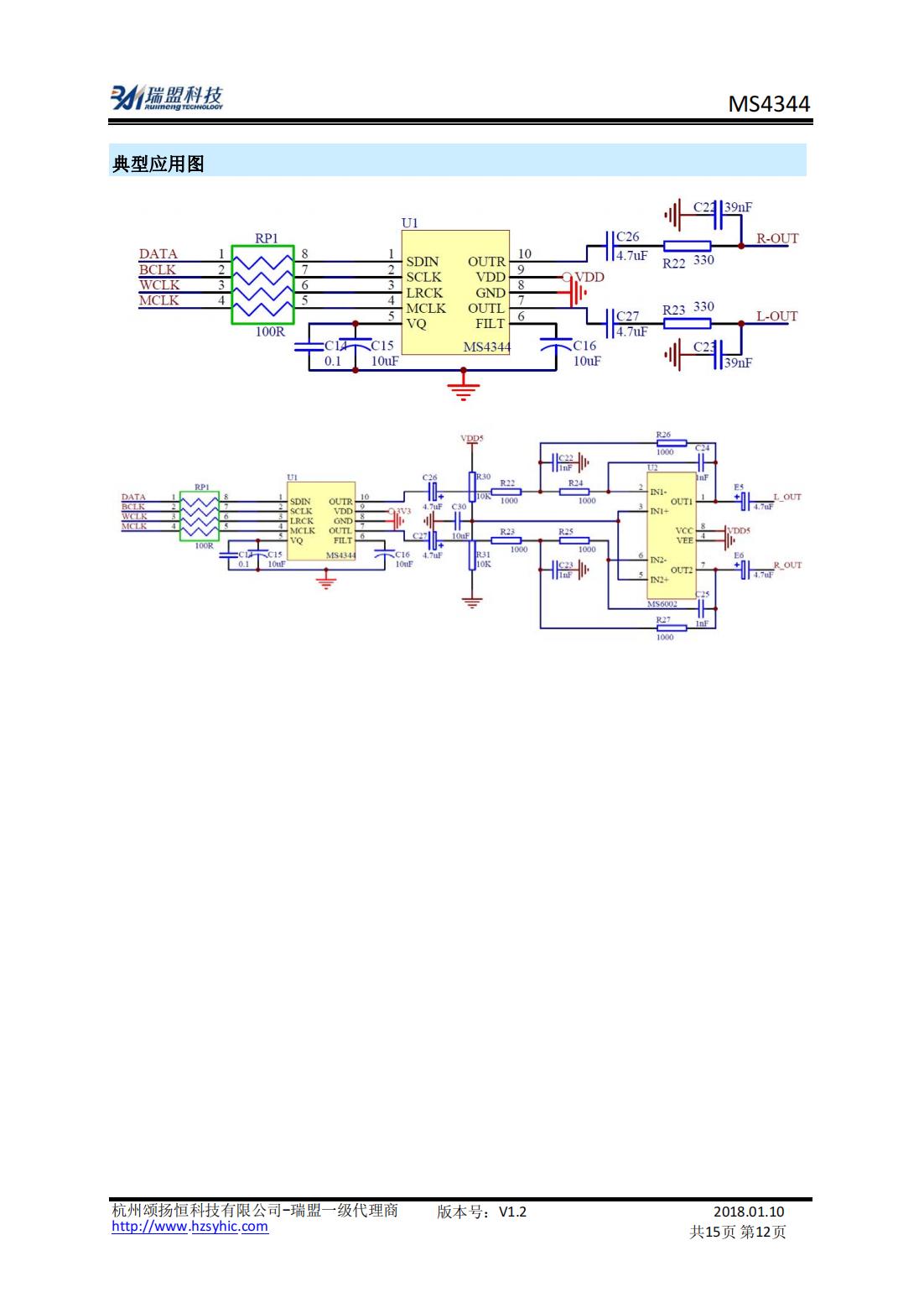
    瑞盟科技MS4344是一款立体声数模转换芯片,内含插值滤波器、multi bit数模转换器、输出模拟滤波器。MS4344支持大部分的 音频数据格式。MS4344基于一个带线性模拟低通滤波器的四阶
multi-bitΔ-Σ调制器,而且本芯片可以通过检测信号频率和主时钟频率,在2KHz 和200KHz 之间自动调节采样率。MS4344可以工作在3.3V和5V下。这些特性使它成为DVD播放 解码器、数字通信设备等无线设备的理想选择。MS4344 采用 MSOP10 封装。
    MS4344可兼容CS4344的国产音频数模转换电路,目前已广泛应用于数字通信、DVD音频、汽车音响系统.

 

 

最后

以上就是痴情羊最近收集整理的关于可兼容CS4344的国产音频数模转换电路,目前已广泛应用于数字通信、DVD音频、汽车音响系统的全部内容,更多相关可兼容CS4344内容请搜索靠谱客的其他文章。

本图文内容来源于网友提供,作为学习参考使用,或来自网络收集整理,版权属于原作者所有。
点赞(213)

评论列表共有 0 条评论

立即
投稿
返回
顶部