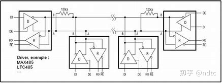
串口必然是首选,但是表现是形式RS-485。485工作于总线形式,可以多个节点在一条线路上,而实现的难度还是和串口一样。只不过实现的时候需要注意节点之间的同步。

在问者的3种开发板中,选好整个系统的master,余下的节点作为slave,然后采用问-答的交互逻辑,就可以很好的实现预期目标。在选主节点的时候,通常会选计算性能最强的一个节点。
在RS-485的具体实现上,工业上常用的问答式协议是modbus。modbus至今还是应用最广泛的工业协议,也是目前用的及其广泛的物联网协议。采用了modbus协议之后,则楼主的系统不仅可以使用自己定制的模块,也可以使用常见的工业模块或传感器。
如果不能够用主从模式,则可以考虑CAN通讯,或者Arduino也有串口转以太网的方案。但是这些方案都比串口-485的方案要复杂。
最后
以上就是激情小鸭子最近收集整理的关于如何实现三个单片机的通信?的全部内容,更多相关如何实现三个单片机内容请搜索靠谱客的其他文章。
本图文内容来源于网友提供,作为学习参考使用,或来自网络收集整理,版权属于原作者所有。
发表评论 取消回复