I/O地址译码与简单并行接口
冯展祥 08378014
一、实验目的
通过实验,掌握触发器、74LS273、74LS244、74LS138,开关、发光二极管和单脉冲按钮的使用方法以及I/O地址译码电路的工作原理和简单并行口的工作原理及使用方法。
二、实验原理与内容
(1) I/O地址译码
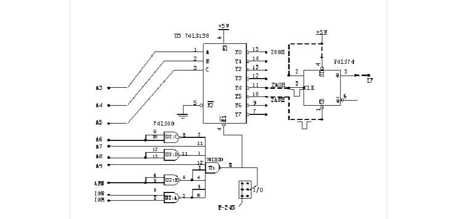
实验电路如图1-1所示,其中74LS74为D触发器,可直接使用实验台上数字电路实验区的D触发器,74LS138为地址译码器。译码输出端Y0~Y7在实验台上“I/O 地址“输出端引出,每个输出端包含8个地址,Y0:280H~287H,Y1:288H~
28FH,……当CPU执行I/O指令且地址在280H~2BFH范围内,译码器选中,必有一根译码线输出负脉冲。实验电路中的D触发器CLK端输入脉冲时,上升沿使Q端输出高电平L7发光,CD端加低电平L7灭。利用这个原理编程使得L7闪烁发光(亮、灭、亮、灭、......)

图1-1 I/O地址译码原理图
最后
以上就是虚拟毛豆最近收集整理的关于微型计算机原理实验二,微机原理实验2的全部内容,更多相关微型计算机原理实验二内容请搜索靠谱客的其他文章。
本图文内容来源于网友提供,作为学习参考使用,或来自网络收集整理,版权属于原作者所有。
发表评论 取消回复