描述
什么是与门电路
从小巧的电子手表,到复杂的电子计算机,它们的许多元件被制成集成电路的形式,即把几十、几百,甚至成干上万个电子元件制作在一块半导体片或绝缘片上。每种集成电路都有它独特的作用。有一种用得最多的集成电路叫门电路。常用的门电路有与门、非门、与非门。
什么是门电路
“门”顾名思义起开关作用。任何“门”的开放都是有条件的。例如.一名学生去买书包,只买既好看又给买的,那么他的家门只对“好看”与“结实”这两个条件同时具备的书包才开放。
门电路是起开关作用的集成电路。由于开放的条件不同,而分为与门、非门、与非门等等。
与门
我们先学习与门,在这之前请大家先看图15-16,懂得什么是高电位,什么是低电位。

图15-17甲是我们实验用的与用的与门,它有两个输入端A、B和一个输出端。图15-17乙是它连人电路中的情形,发光二极管是用来显示输出端的电位高低:输出端是高电位,二极管发光;输出端是低电位,二极管不发光。

实验
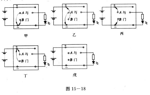
照图15-18甲、乙、丙、丁的顺序做实验。图中由A、B引出的带箭头的弧线,表示把输入端接到高电位或低电位的导线。每次实验根据二极管是否发光,判定输出端电位的高低。

输入端着时,它的电位是高电位,照图15-18戊那样,让两输人端都空着,则输出瑞的电位是高电位,二极管发光。
可见,与门只在输入端A与输入端B都是高电位时,输出端才是高电位;输入端A、B只要有一个是低电位,或者两个都是低电位时,输出端也是低电位。输人端空着时,输出端是高电位。
与门的应用
图15-19是应用与门的基本电路,只有两个输入端A、B同低电位间的开关同时断开,A与B才同时是高电位,输出端也因而是高电位,用电器开始工作。

实验
照图15-20连接电路。图中输入端与低电位间连接的是常闭按钮开关,按压时断开,不压时接通。

观察电动机在什么情况下转动。
如果图15-20的两个常闭按钮开关分别装在汽车的前后门,图中的电动机是启动汽车内燃机的电动机,当车间关紧时常闭按钮开关才能被压开,那么这个电路可以保证只有两个车门都关紧时汽车才能开动。
打开APP阅读更多精彩内容
点击阅读全文
最后
以上就是着急发带最近收集整理的关于计算机电学原理,什么是与门电路及与非门电路原理?的全部内容,更多相关计算机电学原理内容请搜索靠谱客的其他文章。
发表评论 取消回复