我是靠谱客的博主 瘦瘦帅哥,这篇文章主要介绍☆电力电子技术☆ simulink中FFT工具的使用一、搭建仿真电路二、设置仿真为离散环境三、配置powergui四、连接示波器和powergui五、运行程序六、打开FFT工具七、设置相关参数观察结果八、分析结果,现在分享给大家,希望可以做个参考。
simulink中FFT工具的使用
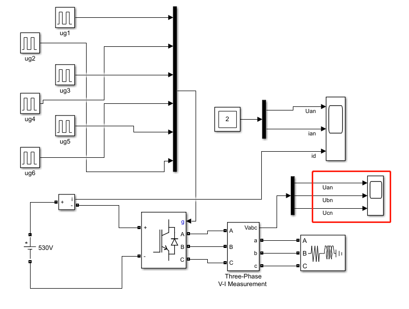
- 一、搭建仿真电路
- 二、设置仿真为离散环境
- 三、配置powergui
- 四、连接示波器和powergui
- 五、运行程序
- 六、打开FFT工具
- 七、设置相关参数观察结果
- 八、分析结果
在许多仿真中都会用到FFT(快速傅里叶分析)对信号进行分析,Simulink的powergui中带有FFT分析工具,下面以三相方波逆变电路为例介绍FFT工具的使用以及分析,理论部分可以参考:
一、搭建仿真电路
一定要拖进powergui模块。

二、设置仿真为离散环境

三、配置powergui
仿真模型中双击打开powergui–>solver–>Simulation type–>Discrete–>OK

四、连接示波器和powergui
将要FFT分析的信号接上示波器–>双击打开示波器–>设置–>logging–>设置

五、运行程序
设置好仿真的时间,点击运行程序。
六、打开FFT工具
双击打开powergui–>Tools–>FFT Analysis–>OK

七、设置相关参数观察结果
柱形图模式

列表模式

19.82%是1/5倍
14.42%是1/7倍
8.93% 是 1/11倍
八、分析结果
第七部分的结果图是下面这个电路图的傅里叶信号分析,也是这篇文章介绍的理论内容。所观察的信号为三相负载的相电压。

通过FFT分析可以观察到:
①相电压基波峰值为337.9V,线电压基波峰值为584.6V,与理论值相符。
②输出交流电压不包含3的整倍次谐波,只含有更高阶次的奇次谐波。
③将模式改为列表模式后,可观察到n次谐波的幅值为基波幅值的1/n。
最后
以上就是瘦瘦帅哥最近收集整理的关于☆电力电子技术☆ simulink中FFT工具的使用一、搭建仿真电路二、设置仿真为离散环境三、配置powergui四、连接示波器和powergui五、运行程序六、打开FFT工具七、设置相关参数观察结果八、分析结果的全部内容,更多相关☆电力电子技术☆内容请搜索靠谱客的其他文章。
本图文内容来源于网友提供,作为学习参考使用,或来自网络收集整理,版权属于原作者所有。
发表评论 取消回复