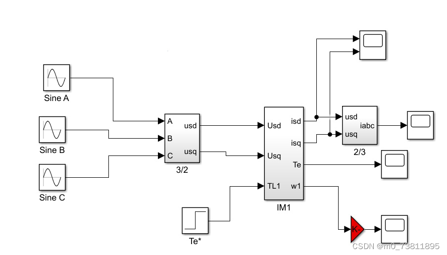
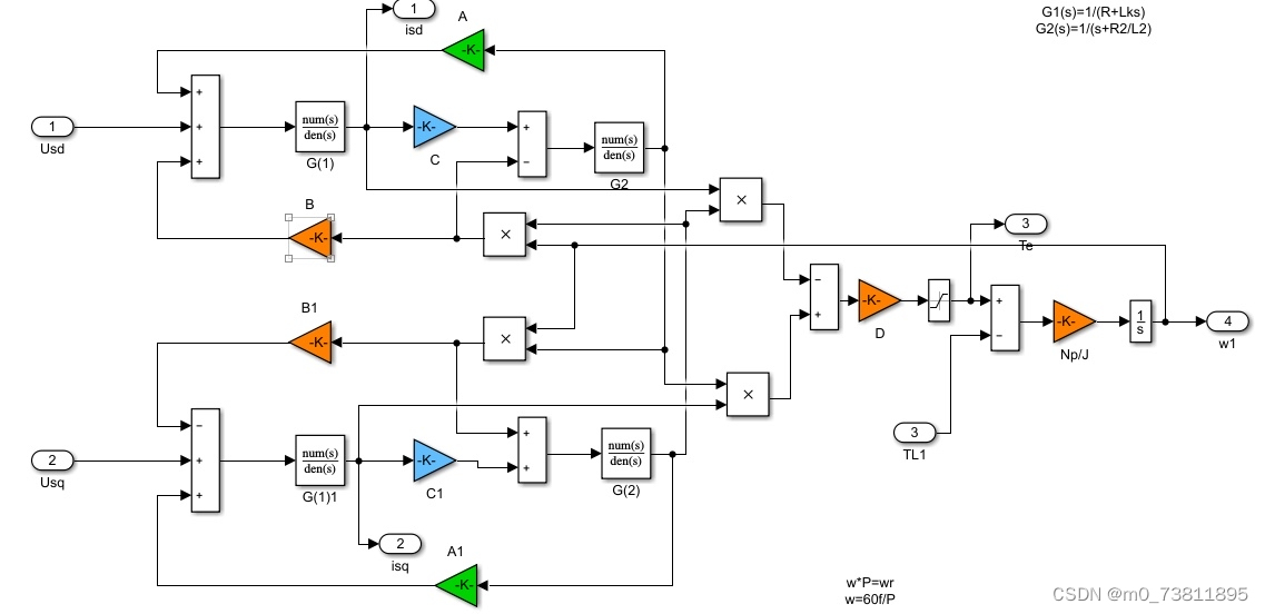
三相异步电机本体模型
Matlab/Simulink仿真模型(成品)
本模型利用数学公式搭建了三相异步电机的模型,可以很好的模拟三相异步电机的运行性能,适合研究电机本体时修改参考,电机的各波形都很好可以很好的模拟三相电机

ID:3230675024770487
IEEE





最后
以上就是安静蜻蜓最近收集整理的关于三相异步电机本体模型 Matlab/Simulink仿真模型(成品) 本模型利用数学公式搭建了三相异步电机的模型的全部内容,更多相关三相异步电机本体模型内容请搜索靠谱客的其他文章。
本图文内容来源于网友提供,作为学习参考使用,或来自网络收集整理,版权属于原作者所有。
发表评论 取消回复