我是靠谱客的博主 粗犷柜子,这篇文章主要介绍YoungTalk-STM32入门100步-ADC:光敏电阻、遥感(65-67)一、ADC原理与驱动(单通道:光敏电阻) 二、双通道:光敏电阻和电位器 三、模拟量遥感,现在分享给大家,希望可以做个参考。
目录
一、ADC原理与驱动(单通道:光敏电阻)
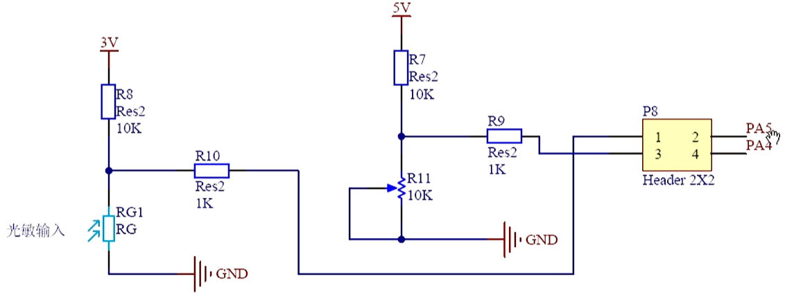
二、双通道:光敏电阻和电位器
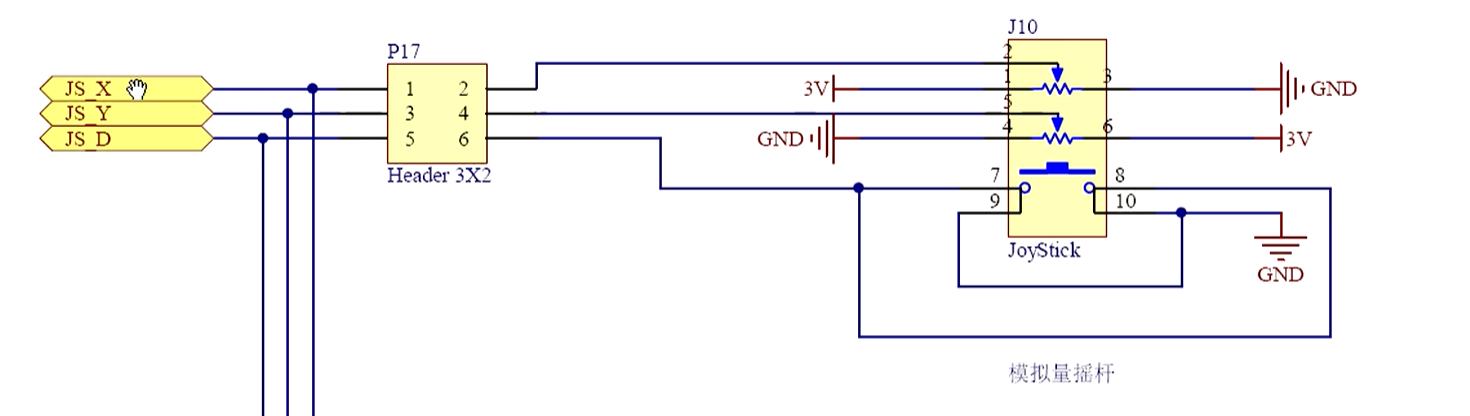
三、模拟量遥感
一、ADC原理与驱动(单通道:光敏电阻)










二、双通道:光敏电阻和电位器





三、模拟量遥感





加油????
最后
以上就是粗犷柜子最近收集整理的关于YoungTalk-STM32入门100步-ADC:光敏电阻、遥感(65-67)一、ADC原理与驱动(单通道:光敏电阻) 二、双通道:光敏电阻和电位器 三、模拟量遥感的全部内容,更多相关YoungTalk-STM32入门100步-ADC内容请搜索靠谱客的其他文章。
本图文内容来源于网友提供,作为学习参考使用,或来自网络收集整理,版权属于原作者所有。
发表评论 取消回复