电容式传感器
1、电容式传感器的三种基本类型:变面积、变介电常数、变极板间距。
2、对于变面积型传感器,我们需要熟记角位移、直线位移传感器的输出公式,理解圆筒形传感器的计算公式。
这三种类型的传感器要求会进行计算。
对于变介电常数型传感器的圆筒形传感器液位测量,要求在给出公式的情况下,会进行计算。
对变极板间距型的传感器计算不作要求。
3、熟悉电容式传感器的基本测量原理。如测量物体厚度是基于什么原理,测量直线位移是可采用什么原理。
4、熟悉变极板间距型传感器它的极板间距、灵敏度系数以及非线性误差之间的关系。变极板间距传感器,差动测量时,灵敏度和非线性误差的变化情况。
5、测量电路:要求掌握变压器、脉宽调制和运放测量电路,会计算。
利用电容器的原理,将非电量转换成电容量,进而实现非电量到电量的转化的器件或装置,称为电容式传感器。
一、原理

1.变面积式电容传感器
(1)平面直线位移式变面积型电容传感器

(2)半圆型角位移式变面积型电容传感器

2.变介质型电容传感器

电容液位计


3.变极板间距型电容传感器
(计算不要求)


4.差动式电容传感器
差动式电容传感器比单个电容传感器灵敏度提高一倍。
差动式电容传感器比单个电容传感器非线性误差可以减小一个数量级。

二、测量电路
(一)交流不平衡电桥
桥臂比 A :复数
桥臂系数 K:复数


提高灵敏度系数 :增大K 模a=1 相角尽可能大

(四)差动脉宽调制电路


电容越大:脉冲长度越长


(3)变压器电桥

(4)运算法
三、例题
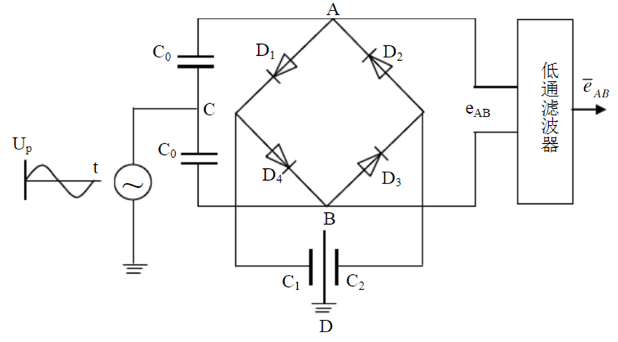
如下图所示二极管环形电桥检波测量电路, U P 为恒压信号源, C 1和 C 2是差 动式电容传感器, C 0是固定电容,其值 C 0>>C1、 C 0>>C2,设二极管 D 1~D4正向电 阻为零,反向电阻为无穷大,信号输出经低通滤波器取出直流信号 e AB 。要求:
⑴ 分析检波电路测量原理;
⑵ 求桥路输出信号 e AB =f(C 1,C 2) 的表达式;
⑶ 画出桥路中 e AB 各处在 C 1=C2, C 1>C2, C 1<C2三种情况下电压 波形图




rJ5E-1651743736559)]
[外链图片转存中…(img-LiTstBrb-1651743736560)]
[外链图片转存中…(img-uOh1FuhF-1651743736561)]
最后
以上就是洁净汉堡最近收集整理的关于电容式传感器电容式传感器的全部内容,更多相关电容式传感器电容式传感器内容请搜索靠谱客的其他文章。
本图文内容来源于网友提供,作为学习参考使用,或来自网络收集整理,版权属于原作者所有。
发表评论 取消回复