我是靠谱客的博主 狂野小懒虫,这篇文章主要介绍三线压力传感器原理_进气压力传感器原理与检修,现在分享给大家,希望可以做个参考。

一、概述

该传感器用于监测进气歧管的压力(或压力与温度) ECU利用其输出信号结合转速信号确定进气空气密度与质量DS-S-TF为进气压力与温度传感器同时可监测进气温度。

1b886706f939207ac6c5514b7da3f22c.png

二、原理

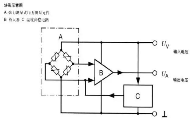
进气歧管压力传感元件由一个厚度仅几个微米的硅芯片组成 硅芯片 上 蚀 刻 出 一 片 含 有4个压电电阻的压力膜片 这4个压电电阻组成惠斯顿电桥硅芯片的一侧为一个封闭的接近真空的参考空间 背面承受着通过接管引入的进气歧管绝对压力。

466539004581563d5e12190e4456cda2.png

进气歧管绝对压力使硅芯片连同压电电阻发生机械变形 使其阻值改变惠斯顿电桥失去平衡经硅芯片上的电路处理后 形成与压力成线性的电压信号输出DS-S-TF则另集成了一个负温度系数电阻 作为温度传感器。

e4535bb4f7ac3a8faf8bfa0ce0fb3582.png
ba6bb871d7637a3bce82db2515de802f.png
22efc31aa9ba29967f1a5e06bff53bea.png

四、引脚

DS-S有3个引脚 分别为+5V输入 地和信号输出

DS-S-TF则增加了一组NTC温度电阻引脚

五、特性参数

压力范围 20~115kPa 对涡轮发动机最高至250kPa

供电电压 5.0 0.5V

重 量: 约18g或27g

抗震稳定性: 谐波250m/s2 峰值600m/s2

吸收电流 典型值9mA

20 时电阻 2.5K 5%

工作温度范围 -40~+125

响应时间 典型值0.2ms

测量精度 1.5%

六、特点

1.采用微型机械式结构 测量灵敏度高 成本低。

2.外壳坚固,重量轻巧,安装方便。

3.对进气歧管空间占用小,便于布置。

4.处理电路与传感元件在同一基底上确保信号可靠地传送处理电路具有信号放大、温度补偿及特性曲线调节等功能。

七、注意

1.安装时 先摸上润滑油轻轻压入 再按规定要求拧紧螺钉。

2.对螺钉扭矩有较高要求 应小心操作。

3.长期使用由于进气中尘垢的堵塞或污燃可能引起传感器失效应经常注意检查空气滤清器工作是否正常。

4.压力接管应向下倾斜安装 与竖直方向的夹角为0~60 以确保冷凝水不会进入压敏元件。

八、检测提示

进气歧管压力传感器正常工作时 通过转接器引出信号 利用万用表测

量其信号输出应为0~5V范围内连续变化的电压。

最后

以上就是狂野小懒虫最近收集整理的关于三线压力传感器原理_进气压力传感器原理与检修的全部内容,更多相关三线压力传感器原理_进气压力传感器原理与检修内容请搜索靠谱客的其他文章。

本图文内容来源于网友提供,作为学习参考使用,或来自网络收集整理,版权属于原作者所有。
点赞(194)

评论列表共有 0 条评论

立即
投稿
返回
顶部