随着 ESP32-S2、C3、S3 的陆续发布与量产,ESP32 阵营愈加壮大。但由于产品定位和规划上可能出现了一点点的偏差,壮大的同时也带来了混乱。并且随着新旧IC型号的替换,各个模组间的差异也越来越同质化。下面进行各个模组和芯片型号的汇总,以方便硬件选型。
乐鑫IOT模组 - 官网选型链接:乐鑫IOT模组选型
一、ESP32在售产品线概况
进行详细模组的对比前,先说下各个型号IC的概况:
- ESP32 搭载Xtensa®
双核32位 LX6 微处理器,支持高达240 MHz的时钟频率,片内520 KB SRAM,还可外扩PSRAM。支持802.11b/g/n,802.11n 数据速率高达 150 Mbps,支持蓝牙V4.2 BR/EDR 和蓝牙 LE 标准,支持RMII有线以太网、摄像头、SDIO、I2S、IR、UART、I2C、SPI、CAN、ADC、DAC、触摸、PWM 等多种外设。几经岁月沧桑,ESP32依旧是乐鑫WIFI芯片中,能量产使用的性能翘楚。大哥的位置坐了好几年,S3也要来接它的班了,不过凭借以前积累的丰富代码资源,其未来依旧长青。 - ESP32-S2
砍掉了蓝牙,导致其很难应用在连接手机和蓝牙的场合。且SRAM较小,很多时候要扩展PSRAM使用。(哭了,S2砍内核也就砍了,单核240MHz也不差,偏偏还带着SRAM也来一刀。美名其曰降低成本替换ESP8266,结果紧接着发布了C3。这下替换ESP8266的任务全都靠C3了,S2出道即退圈。蓝牙、以太网、CAN统统被砍,导致S2的定位及其尴尬,全靠USB和多出的IO撑门面。) - ESP32-C3 价格美丽,性能尚可,搭载 RISC-V 32 位单核处理器,时钟频率高达 160 MHz,支持 2.4 GHz Wi-Fi 和 Bluetooth 5 (LE)。虽然其内部的SRAM空间比ESP32小,但实际的用户可用堆栈容量较ESP32相差无几,详见:ESP32 与 ESP32-C3 可用存储空间对比。IO较少,不能扩展PSRAM。另外比较新,SDK待完善。
- ESP32-S3 并没有带来太多的惊喜,或者说S3才应该是S2本来的样子,而不是现在的四不像S2。ESP32-S3 搭载 Xtensa® 32 位 LX7 双核处理器,主频高达 240 MHz,内置 512 KB SRAM。加入了用于加速神经网络计算和信号处理等工作的向量指令,性能对比ESP32有可观的提升。集成 2.4 GHz Wi-Fi 和 Bluetooth 5 (LE),拥有 45 个可编程 GPIO,外设新增LCD接口、USB。因为太新了,现在在售的只有样板,SDK支持不全,价格不明,观望。
通过以上简述,能大概了解ESP32目前在售的产品线。现阶段,从学习资源上讲,推荐 ESP32入手。考虑量产成本,推荐 ESP32-C3 ,不过目前 ESP32-C3 的SDK没那么完善,更多的问题需要联系FAE。
二、ESP32 乐鑫官方模组型号
因为 ESP32 的时间跨度较长,导致模组型号众多,下面仅对 ESP32 的官方模组进行对比。(S2、S3、C3的模组不多,两个手就能数的过来,不做比较)
ESP32 概况
- 搭载Xtensa® 双核 32位 LX6 微处理器,支持高达 240 MHz 的时钟频率。
- 片内 448 KB ROM + 520 KB SRAM + 16 KB RTC SRAM。
- 集成 802.11b/g/n,802.11n 数据速率高达 150 Mbps,支持蓝牙 V4.2 BR/EDR 和蓝牙 LE 标准。
- +19.5 dBm 天线端输出功率,确保良好的覆盖范围
- 外设包括电容式触摸传感器,霍尔传感器,SD 卡接口,以太网,高速 SPI,UART,I2S 和 I2C,CAN,ADC,DAC,PWM,IR。
ESP32 模组封装差异
ESP32的模组,主要有2种封装:WROOM 和 WROVER。
ESP32-WROOM 模组
WROOM内置Flash,主要有板载天线和IPEX外置天线(U)两个版本。- 【注意】在最新版本的
ESP32-WROOM-32E/UE中,下排的用于扩展PSRAM的IO被改为了NC,不能再外扩PSRAM。


ESP32-WROVER 模组
WROVER内置 Flash、8MB-PSRAM,PCB有焊接IPEX和不焊接IPEX两个版本。- 与
ESP32-WROOM的封装相比,WROVER兼容大部分引脚。不同之处在于,WROVER将WROOM的底部引脚,从中分两列均匀放置到了两侧。而因为内置了PSRAM,所以PSRAM的IO位为NC。 - 【注意】
WROVER没有IO16、IO17,他俩被用作为 PSRAM 的 CS、SCLK。

而因为 WROOM 与 WROVER 的引脚位置绝大部分相同,所以设计时可以使用像这样的兼容封装。

模组型号列表
1、ESP32-WROOM-32E & ESP32-WROOM-32UE
- 内置 ESP32-D0WD-V3 芯片,Xtensa® 双核 32位 LX6 微处理器,支持高达 240 MHz 的时钟频率。
- 448 KB ROM + 520 KB SRAM + 16 KB RTC SRAM
- 4 MB SPI flash,无PSRAM,没有引出PSRAM扩展IO。
- 802.11b/g/n。802.11n 数据速率高达 150 Mbps
- 蓝牙 V4.2 BR/EDR 和蓝牙 LE 标准
- 40 MHz 晶振。工作电压/供电电压:3.0 ~ 3.6 V
- 工作温度范围:–40 ~ 85 °C
- ESP32-WROOM-32E (PCB)。尺寸 18.0 × 25.5 × 3.1。
- ESP32-WROOM-32UE (IPEX)。尺寸 18.0 × 19.2 × 3.2。
- 可另行定制配置 8 MB flash 或 16 MB flash 版本模组。
- ESP32-WROOM-32UE 没有禁止布线区 (keepout zone),管脚布局和 ESP32-WROOM-32E 一样。
- 与
ESP32-WROOM-32相比,封装一致,但底部没有将PSRAM的IO引出,不能外扩PSRAM。



2、ESP32-WROOM-DA
- 内置 ESP32-D0WD-V3 芯片,Xtensa® 双核 32位 LX6 微处理器,支持高达 240 MHz 的时钟频率。
- 448 KB ROM + 520 KB SRAM + 16 KB RTC SRAM
- 8 MB SPI flash,无PSRAM,没有引出PSRAM扩展IO。
- 尺寸 35.6 x 34.4 x 3.5。
- 工作环境温度:–40 ~ 85 °C
- PCB 板载双天线。


3、ESP32-WROVER-E & ESP32-WROVER-IE
- 内置 ESP32-D0WD-V3 芯片,Xtensa® 双核 32位 LX6 微处理器,支持高达 240 MHz 的时钟频率。
- 448 KB ROM + 520 KB SRAM + 16 KB RTC SRAM
- 4 MB SPI flash,8 MB SPI PSRAM。
- 工作温度范围:–40 ~ 85 °C
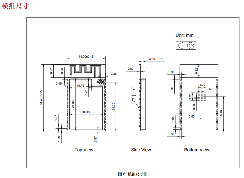
- ESP32-WROVER-E (PCB)。尺寸 18.0 × 31.4 × 3.3。
- ESP32-WROVER-IE (IPEX)。尺寸 18.0 × 31.4 × 3.3。
- 可另行定制配置 8 MB flash 或 16 MB flash 版本模组。
- 与
ESP32-WROOM的封装相比,WROVER兼容大部分引脚。不同之处在于,WROVER将WROOM的底部引脚,从中分两列均匀放置到了两侧。而因为内置了PSRAM,所以PSRAM的IO位为NC。 - 【注意】
WROVER没有IO16、IO17,他俩被用作为 PSRAM 的 CS、SCLK。


4、ESP32-MINI-1 & ESP32-MINI-1U
- 内置 ESP32-U4WDH 芯片,Xtensa 单核 32 位LX6 微处理器,支持高达 160 MHz 的时钟频率。
- 448 KB ROM + 520 KB SRAM + 16 KB RTC SRAM
- 28 个 GPIO。
- 4 MB SPI flash,无PSRAM,但模组引出了PSRAM扩展IO。
- ESP32-U4WDH 芯片配置 4 MB 嵌入式 flash(SIP封装于IC内)。
- 工作环境温度:
– 85 °C 版模组:–40 ~ 85 °C
– 105 °C 版模组:–40 ~ 105 °C - ESP32-MINI-1 (PCB)。尺寸 13.2 × 19.0 × 2.4。
- ESP32-MINI-1U (IPEX)。尺寸 13.2 × 13.5 × 2.4。
- 与
ESP32-WROOM-32相比,封装完全不一致,LGA的封装。但因为是单核160MHz,性能要弱。资料较少,详情不明。


5、ESP32-PICO-V3-ZERO
- 内置 ESP32-PICO-V3 芯片,Xtensa® 双核 32位 LX6 微处理器,支持高达 240 MHz 的时钟频率。
- 448 KB ROM + 520 KB SRAM + 16 KB RTC SRAM
- 4 MB SPI flash,无PSRAM,没有引出PSRAM扩展IO。
- ESP32-PICO-V3 芯片配置 4 MB 嵌入式 flash(SIP封装于IC内)。
- 工作温度范围:–40 ~ 85 °C
- ESP32-PICO-V3-ZERO (PCB)。尺寸 (16 × 23 × 2.3) mm。
- 与
ESP32-WROOM-32相比,封装完全不一致。且模组引出的IO非常少,应用有限。不过此模组使用的IC,flash是通过SIP封装于IC内部,更适合直接用裸芯片进行设计,进一步缩小PCB面积。


6、ESP32-PICO-MINI-02 & ESP32-PICO-MINI-02U
- 内置 ESP32-PICO-V3-02 芯片,Xtensa® 双核 32位 LX6 微处理器,支持高达 240 MHz 的时钟频率。
- 448 KB ROM + 520 KB SRAM + 16 KB RTC SRAM
- 8 MB SPI flash,2 MB PSRAM。
- ESP32-PICO-V3-02 芯片配置 8 MB 嵌入式 flash、2 MB PSRAM(SIP封装于IC内)。
- 工作温度范围:–40 ~ 85 °C
- ESP32-PICO-MINI-02 (PCB)。尺寸 13.2 × 16.6 × 2.4。
- ESP32-PICO-MINI-02U (IPEX)。尺寸 13.2 × 11.2 × 2.4。
- 与
ESP32-WROOM-32相比,封装完全不一致。不过此模组使用的IC,flash和PSRAM都是通过SIP封装于IC内部,更适合直接用裸芯片进行设计,进一步缩小PCB面积。


7、ESP32-SOLO-1
- 内置 ESP32-S0WD 芯片,单核、低成本设计,QFN 5*5。
- 与
ESP32-WROOM-32相比,封装完全一致,但因为其芯片资料不多,个人并不打算以后使用。
8、ESP32-WROOM-32D & ESP32-WROOM-32U
(不推荐用于新设计)
(替代型号可选用 ESP32-WROOM-32E & ESP32-WROOM-32UE,新设计没有引出PSRAM扩展IO)
- 内置 ESP32-D0WD 芯片,Xtensa® 双核 32位 LX6 微处理器,支持高达 240 MHz 的时钟频率。
- 448 KB ROM + 520 KB SRAM + 16 KB RTC SRAM
- 4 MB SPI flash,无PSRAM,但模组引出了PSRAM扩展IO。
- 工作温度范围:–40 ~ 85 °C
- ESP32-WROOM-32D (PCB)。尺寸 18.0 × 25.5 × 3.1。
- ESP32-WROOM-32U (IPEX)。尺寸 18.0 × 19.2 × 3.2。
- 可另行定制配置 8 MB flash 或 16 MB flash 版本模组。
- 与
ESP32-WROOM-32的封装完全一致。



9、ESP32-WROOM-32SE
(不推荐用于新设计)
ESP32-WROOM-32SE 模组内置 ESP32-D0WD 芯片,模组集成了 ATECC608A 安全芯片,支持设备证书的安全存储。用量稀少,不做介绍。
10、ESP32-WROOM-32
(不推荐用于新设计)
(替代型号可选用 ESP32-WROOM-32E & ESP32-WROOM-32UE,新设计没有引出PSRAM扩展IO)
- 内置 ESP32-D0WDQ6 芯片,Xtensa® 双核 32位 LX6 微处理器,支持高达 240 MHz 的时钟频率。
- 448 KB ROM + 520 KB SRAM + 16 KB RTC SRAM
- 4 MB SPI flash,,无PSRAM,但模组引出了PSRAM扩展IO。
- 工作温度范围:–40 ~ 85 °C
- ESP32-WROOM-32 (PCB)。尺寸 18.0 × 25.5 × 3.1。
- 可另行定制配置 8 MB flash 或 16 MB flash 版本模组。
- 管脚布局与尺寸见上图
ESP32-WROOM-32D,完全一致。
11、ESP32-WROVER-B & ESP32-WROVER-IB
(不推荐用于新设计)
(替代型号可选用 ESP32-WROVER-E & ESP32-WROVER-IE)
- 内置 ESP32-D0WD 芯片,Xtensa® 双核 32位 LX6 微处理器,支持高达 240 MHz 的时钟频率。
- 448 KB ROM + 520 KB SRAM + 16 KB RTC SRAM
- 4 MB SPI flash,8 MB SPI PSRAM。
- 工作温度范围:–40 ~ 85 °C
- ESP32-WROVER-B (PCB)。尺寸 18.0 × 31.4 × 3.3。
- ESP32-WROVER-IB (IPEX)。尺寸 18.0 × 31.4 × 3.3。
- 可另行定制配置 8 MB flash 或 16 MB flash 版本模组。
- 与
ESP32-WROOM的封装相比,WROVER兼容大部分引脚。不同之处在于,WROVER将WROOM的底部引脚,从中分两列均匀放置到了两侧。而因为内置了PSRAM,所以PSRAM的IO位为NC。 - 【注意】
WROVER没有IO16、IO17,他俩被用作为 PSRAM 的 CS、SCLK。 - 管脚分布于尺寸见上图 ESP32-WROVER-E & ESP32-WROVER-IE,完全一致。
12、ESP32-WROVER & ESP32-WROVER-I
(不推荐用于新设计)
(替代型号可选用 ESP32-WROVER-E & ESP32-WROVER-IE)
- 内置 ESP32-D0WDQ6 芯片,Xtensa® 双核 32位 LX6 微处理器,支持高达 240 MHz 的时钟频率。
- 448 KB ROM + 520 KB SRAM + 16 KB RTC SRAM
- 4 MB SPI flash,8 MB SPI PSRAM。
- 工作温度范围:–40 ~ 85 °C
- ESP32-WROVER (PCB)。尺寸 18.0 × 31.4 × 3.3。
- ESP32-WROVER-I (IPEX)。尺寸 18.0 × 31.4 × 3.3。
- 与
ESP32-WROOM的封装相比,WROVER兼容大部分引脚。不同之处在于,WROVER将WROOM的底部引脚,从中分两列均匀放置到了两侧。而因为内置了PSRAM,所以PSRAM的IO位为NC。 - 【注意】
WROVER没有IO16、IO17,他俩被用作为 PSRAM 的 CS、SCLK。

ESP32 选型技巧
-
可不可以扩展PSRAM看有没有引出 GPIO7、8、9、10、16、17。
-
IO7、8、9、10 是 Flash 与 PSRAM 共用的数据线。IO6、11 是 Flash 的 CS、SCLK。
-
【注意】
ESP32-WROVER模组,没有IO16、IO17,他俩被用作为 PSRAM 的 CS、SCLK。 -
推荐使用的模组有(新设计):
ESP32-WROOM-32E & ESP32-WROOM-32UE(4 MB SPI flash,无PSRAM,没有引出PSRAM扩展IO。)
ESP32-WROVER-E & ESP32-WROVER-IE(4 MB SPI flash,8 MB SPI PSRAM) -
推荐的模组是为了取代老设计:
ESP32-WROOM-32D & ESP32-WROOM-32U、ESP32-WROOM-32、ESP32-WROVER-B & ESP32-WROVER-IB、ESP32-WROVER & ESP32-WROVER-I。
类似的模组也可选择安信可的 ESP32-S 模组,封装完全兼容 ESP32-WROOM-32,且可选 IPEX外接天线。安信可ESP32模组
三、ESP32 芯片型号
Xtensa® 双核 32位 LX6 微处理器,支持高达 240 MHz 的时钟频率。448 KB ROM + 520 KB SRAM + 16 KB RTC SRAM
- ESP32-D0WD,不推荐用于新设计。(模组有 ESP32-WROOM-32D & ESP32-WROOM-32U、ESP32-WROOM-32SE、ESP32-WROVER-B & ESP32-WROVER-IB)
- ESP32-D0WDQ6,不推荐用于新设计。(模组有 ESP32-WROOM-32、ESP32-WROVER & ESP32-WROVER-I)
- ESP32-D0WD-V3(模组有 ESP32-WROOM-32E & ESP32-WROOM-32UE、ESP32-WROOM-DA、ESP32-WROVER-E & ESP32-WROVER-IE)
- ESP32-PICO-V3,芯片配置 4 MB 嵌入式 flash(SIP封装于IC内)。(模组有 ESP32-PICO-V3-ZERO)
- ESP32-PICO-V3-02,芯片配置 8 MB 嵌入式 flash、2 MB PSRAM(SIP封装于IC内)。(模组有 ESP32-PICO-MINI-02 & ESP32-PICO-MINI-02U)
Xtensa 单核 32 位LX6 微处理器,支持高达 160 MHz 的时钟频率。448 KB ROM + 520 KB SRAM + 16 KB RTC SRAM
- ESP32-U4WDH 芯片配置 4 MB 嵌入式 flash(SIP封装于IC内)。(模组有 ESP32-MINI-1 & ESP32-MINI-1U)
- ESP32-S0WD,资料少,详情不了解(模组有 ESP32-SOLO-1)
ESP32开发板开源计划
现已开源一款ESP32物联网开发板,支持WIFI、蓝牙、以太网、RS485、CAN通信。板载6轴IMU、温湿度传感器、38K红外遥控收/发、独立RTC、TF卡座。USB和18650双电源供电,有2.0寸单点电容屏可用,配套各外设驱动和LVGL源码。Github、立创EDA、CSDN全云端同步更新。
详情可见:
-
ESP32-IOT-KIT 开发板介绍:
ESP32开发板开源啦 ESP32-IOT-KIT全开源物联网开发板 -
PCB硬件:
立创EDA:ESP32开发板 IOT-KIT原理图、PCB、BOM
打样免费的时代,速去JLC白嫖PCB。
开源学习交流Q群:827686418


最后
以上就是淡然曲奇最近收集整理的关于ESP32芯片和模组的硬件差异与选型,ESP32-WROOM-32、ESP32-WROVER和ESP32-S衍生模组选型一、ESP32在售产品线概况二、ESP32 乐鑫官方模组型号三、ESP32 芯片型号ESP32开发板开源计划的全部内容,更多相关ESP32芯片和模组的硬件差异与选型,ESP32-WROOM-32、ESP32-WROVER和ESP32-S衍生模组选型一、ESP32在售产品线概况二、ESP32内容请搜索靠谱客的其他文章。
发表评论 取消回复