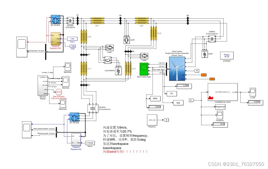
matlab simulink 双馈风机调频,风电调频,一次调频,风电场调频,三机九节点,带有虚拟惯性控制,下垂控制。
风电渗透20%,phasor模型,仿真速度快,只需要20秒
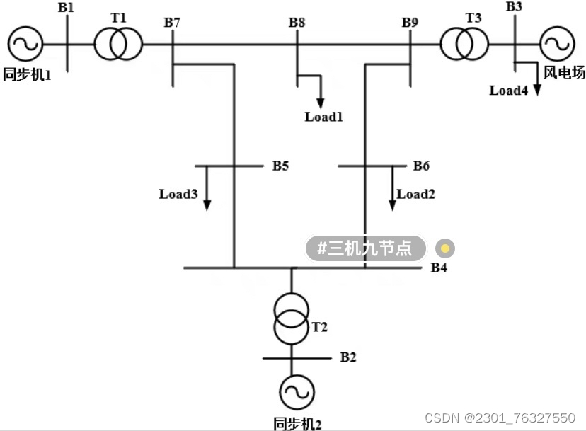
三机九节点,风电调频,下垂控制,虚拟惯性。
对风机附加这两种控制,改善系统频率特性,风机渗透率20%。
可研究风电渗透率,风电调频策略。

ID:22320676890048751




最后
以上就是害怕山水最近收集整理的关于matlab simulink 双馈风机调频,风电调频,一次调频,风电场调频,三机九节点,带有虚拟惯性控制的全部内容,更多相关matlab内容请搜索靠谱客的其他文章。
本图文内容来源于网友提供,作为学习参考使用,或来自网络收集整理,版权属于原作者所有。
发表评论 取消回复